控制电路设计注意事项【要点】

控制电路设计注意事项【要点】

从事电气操作的人员(广大电工朋友),经常与各种电路打交道,不是进行照明电路就是进行动力控制电路的安装和维护。什么全压启动、减压启动等各种控制电路全不在话下,操作起来更是得心应手。但是不知大家想过没有,我们进行各种控制电路安装维护时,都是有现成的控制图纸来指导我们进行操作的,这些控制电路都是设计人员精心设计出来的。我们常用的经典电路,在操作时也是想当然的按图操作,丝毫不怀疑图纸会出现什么问题。那么这些经典的控制电路为什么要这样设计?设计原则是什么?有什么特点?估计大家都没有认真的思考过这个问题。

 

设计控制电路时要遵循一些基本的原则:首先应能实现生产机械和工艺对控制电路的要求;其次是在满足生产要求的前提下,控制电路应力求可靠、安全、简单、经济。除了上面原则性要求外,具体设计时还应注意以下几点问题:

 

1.正确连接电器的触点同一电器的常开和常闭辅助触点在结构上靠得很近,不能处在不同相上,如果分别接在电源的不同相上[如图1(a)所示的限位开关S的常开触点和常闭触点],由于不是等电位,当触点断开产生电弧时,很可能在触点间形成飞弧而造成电源相间短路(弧光短路)。此外绝缘不好,也会引起电源短路。应按图1(b)接线,由于两触点电位相同,就不会产生飞弧,即使引入线绝缘损坏,也不会将电源短路。也就是说按钮、主令控制器相邻触点应接于同电位端。

图一

2所示的接法也是一个道理,虽说SB1和SB2不是一个按钮开关,但两个开关都装在一个开关盒里距离也是很近,处在不同相位上,见图2(a),也有弧光短路的可能。应按图2(b)设计。

图二

2. 正确连接电器的线圈在交流控制电路中不能串联2个电器的线圈,如图3所示。即使外加电压是2个线圈的额定电压之和,也是不允许的。因为每个线圈上所分配到的电压与线圈阻抗成正比,2个电器动作是有先有后,不可能同时吸合。假如交流接触器K2先吸合,由于K2的磁路闭合,线圈电感显著增加,从而使另一个接触器K1线圈电压达不到动作电压。故2个电器需要同时动作时其线圈应并联连接。

3

还有就是控制电路为交流220V单相时,线圈没放在N端。这也好理解,和照明电路相似,开关控制火线,负载接零线端。见图4所示。图4(b)为正确的设计。

图四

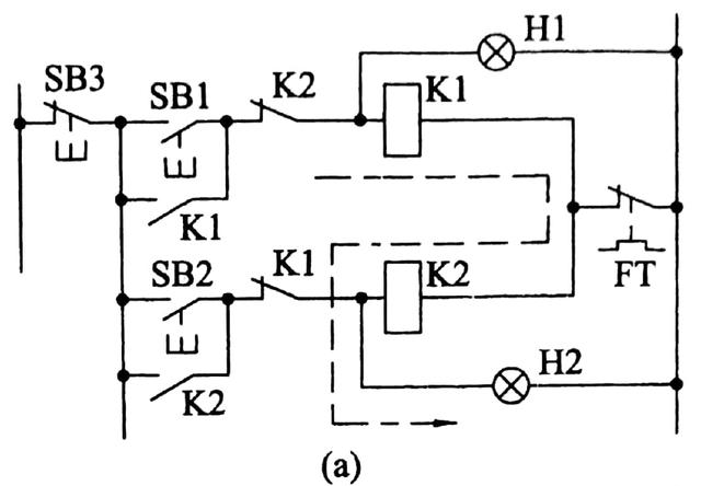
2. 在控制电路中应避免出现寄生回路在控制电路的动作过程中,意外接通的电路叫寄生回路。由于设计技巧问题,寄生回路也是多种多样的,有的较明显,根本不能工作,这在设计中容易发现。有的电路较复杂,只有等到某些条件具备时,偶然会因寄生回路的存在而产生一次误动作。举例来说如图5(a)所示是一个具有信号灯和热保护的正反转电路,在正常工作时,能完成正反转的起动、停止和信号指示。

图五(a)

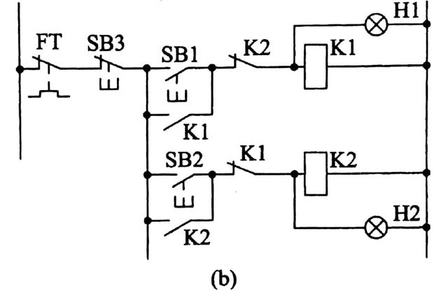
但当热继电器FT动作时,线路就出现了虚线所示的寄生回路,使正向接触器KI不能释放,起不了保护作用。正确的接法应将K1、K2两个线圈接于电源的同端,如图5(b)所示。

图五(b)

在控制电路中,接触器或其他电磁类器件,其线圈是耗能元件,它们把电能转变为磁能。如果以耗能元件为界,其右边接电源,左边接各继电器、接触器及各种开关的触点。这样的设置就可以大大降低产生寄生回路的可能。另外,对于控制电路中有时存在几个自成回路的电路,尽量不要为了省掉某开关或触点而使2个电路之间产生联系。

4.其他在线路中应尽量避免多个电器依次动作才能接通另一个电器的控制电路。频繁操作的可逆线路中,正、反向接触器间不仅要有电气连锁,而且要有机械连锁。在线路中采用小容量继电器触点来控制大容量接触器线圈时,要计算继电器触点断开和接通容量是否足够。控制电路应具有完善的保护环节,以免误操作而产生事故。完善的保护环节包括过载、短路、过流、过压、欠压等保护环节,有时还应设有合闸、断开、事故、安全等必须的指示信号。

 


这里是一段可以自定义编辑的内容

服务机械行业22年 - 专业权威积淀,品牌优势传承