数控钻铣加工中心编程方法及步骤【教程】
随着制造业技术的飞速发展,数控编程软件的开发和使用也进入了一个高速发展的新阶段,新产品层出不穷,功能模块越来越细化,工艺人员可是在微机上轻松地设计出科学合理并富有个性化的数控加工工艺,把数控钻铣加工中心的编程变得更加容易、便捷。
数控铣削(加工中心)编程概述
加工中心是具有刀库,能够自动换刀的镗铣类机床。
加工中心除自动换刀之外与数控铣床基本一致。
一、数控铣床(加工中心)的加工特点
加工中心是一种工艺围较广的数控加工机床,能实现三轴或三轴以上的联动控制,进行铣削(平面、轮廓、三维复杂型面)、镗削、钻削和螺纹加工。加工中心特别适合于箱体类零件和孔系的加工。
加工中心特别适合单件、中小批量的生产,其加工对象主要是形状复杂、、工序较多、精度要求高,一般机床难以加工或需使用多种类型的通用机床、刀具和夹具,经多次装夹和调整才能完成加工的零件。
二、数控铣床(加工中心)的编程特点
1.数控铣床(加工中心)可用绝对值编程或增量值(相对坐标)编程,分别用G90/G91指定。
2.手工编程只能用于简单编程,对复杂的编程广泛采用CAM自动编程。
三、数控铣床(加工中心)的选择
加工中心分立式、卧式和复合;三轴或多轴。最常见的是三轴立式加工中心。
立式加工中心的主轴垂直于工作台,主要适用于加工板材类、壳体类零件,形状复杂的平面或立体零件、以及模具的、外型腔等,应用围广泛。卧式加工中心的主轴轴线与工作台台面平行,它的工作台大多为由伺服电动机控制的数控回转台,在工件一次装夹中,通过工作台旋转可实现多个加工面的加工,适用于加工箱体、泵体、壳体等零件加工。复合加工中心主要是指在一台加工中心上有立、卧两个主轴或主轴可90°改变角度,因而可在工件一次装夹中实现五个面的加工。
四、数控铣床(加工中心)刀具
加工中心对刀具的基本要:
ü 良好的切削性能 能承受高速切削和强力切削并且性能稳定;
ü 较高的精度 刀具的精度指刀具的形状精度和刀具与装卡装置的位置精度;
ü 配备完善的工具系统 满足多刀连续加工的要求。
加工中心的刀具主要有:立铣刀、面铣刀、球头刀、环形刀(牛鼻刀)、钻头、镗刀等。
面铣刀常用于端铣较大的平面;立铣刀的端刃切削效果差,不能作轴向进给;球头刀常用于精加工曲面,刀具半径需要小于凹曲面半径。
五、工件坐标原点的选择
理论上讲工件坐标原点设置在任何地方都可以,但实际中需要考虑:
工件坐标系采用与机床运动坐标系一致的坐标方向;
工件坐标系的原点要选择便于测量或对刀,同时要便于编程中坐标值的计算。
工件坐标原点选择原则:
(1)工件坐标原点应选在零件图的尺寸基准上,便于坐标值的计算。
(2)对称的零件,工件坐标原点应设在对称中心上,便于对刀。
(3)Z轴零点,一般设在工件最高表面。
(4)对于一般零件,通常设在工件外轮廓的某一角上。
(5)毛坯材料通常把坐标原点设在工件上表面中心处。
六、安全高度的确定
对于铣削(加工中心)加工零件时,开始段和结束段采用快速移动定位,节省空刀时间。起刀点和退刀点必须离开零件表面一定的安全高度,避免撞刀。
如图所示,数控铣削(加工中心)刀具路径的开始段通常设为:①Z坐标不变,X、Y移动到下刀点的正上方,设置转速,刀具转动;②X、Y坐标不变,Z轴向下移动到安全高度,进行刀具长度补偿;③刀具沿Z轴方向切削到一定深度,通常刀具在轮廓外或在工艺孔下刀,避免切削到材料④沿轮廓的切入段切削进给,进行刀具半径补偿。
通常在安全高度之上完成刀具长度补偿。安全高度不能设得太小,也不能设得太大。如安全高度定为50mm。
七、顺铣和逆铣对加工的影响
在铣削加工中,采用顺铣还是逆铣方式是影响加工表面粗糙度的重要因素之一。铣削方式的选择应视零件图样的加工要求,工件材料的性质、特点以及机床、刀具等条件综合考虑。通常,由于数控机床传动采用滚珠丝杠结构,其进给传动间隙很小,顺铣的工艺性就优于逆铣。在铣削加工零件轮廓时应尽量采用顺铣加工方式;
同时,为了降低表面粗糙度值,提高刀具耐用度,对于铝镁合金、钛合金和耐热合金等材料,尽量采用顺铣加工;但如果零件毛坯为黑色金属锻件或铸件,表皮硬而且余量一般较大,这时采用逆铣较为合理。
八、进刀/退刀方式的确定
加工外轮廓时,立铣刀从安全高度下降到切削高度,应离开工件毛坯边缘一定距离,不能直接下刀切削到工件,以免发生危险。
对于型腔的粗铣加工,立铣刀应从工艺孔进刀,再横向进行型腔加工。
进刀段、退刀段通常沿轮廓的切线方向。通常在此建立或取消刀具半径补偿,因此,可把此段设为直线或直线加圆弧。
九、数控系统功能
常用的数控系统以及常用功能指令的类别及特点在前面已经学习过。
与数控车床不同的指令包括:
1.G功能
(1)刀补、圆弧平面选择:G17、G18、G19
(2)返回参考点:G28X_Y_Z_;式中X_Y_Z_为中间点的坐标值,用于加工中心回参考点结束程序或换刀,可自动取消刀具长度补偿。
(3)刀具半径补偿:G41/G42D_
(4)刀具长度补偿:G43/G44Z_Hxx。Z坐标值为刀补后刀位点移动到的坐标值。相当于G43/G44 HxxG00 Z_
(5)取消刀具长度补偿:G49 或G43/G44H00
(6)工件坐标系的设置:G54~G59,通常按约定选用G54。
(7)固定循环:G73、G74、G76、G80~G86 用于孔加工。
(8)绝对坐标/增量坐标指令:G90/G91 都用相同字母X_Y_Z_
(9)每分/每转进给:G94/G95
(10)固定循环返回起始点/返回R点:G98/G99
2.M功能
M06,M98,M99
在同一程序段中若有两个M代码出现时,虽其动作不相冲突,但以排列在最后面的代码有效,前面M代码被忽略而不执行。
注:M代码分为前指令码和后指令码,前指令码和同一程序段中的移动指令同时执行,后指令码在同段的移动指令完后才执行。
十、切削用量的选择
进给量和转速各有两个单位。在数铣(加工中心)编程时常用单位是转速S(r/min),进给量F(mm/min)。
例7-1 使用Φ80mm,6齿的面铣刀,铣削碳钢表面,已知切削速度νc=100m/min。fz=0.08mm/齿,求主轴转速n及进给量νf。
n=1000νc/πD=[1000×100/(3.14×80)]=400 r/min
νf= fz×z×n=(0.08×6×400) =192 mm/min
7.2 数控铣(加工中心)的编程要点
一、初始状态的设置
为了保证程序的运行完全,通常在程序开始时设定初始状态。
G90、G80、G40、G17、G49、G21
G90:绝对坐标
G80:取消循环
G40:取消刀具半径补偿
G17:选择刀径补偿和圆(弧)加工平面为XY平面
G49:取消刀具长度补偿
G21:尺寸单位为公制
二、工件坐标系的选定
毛坯材料通常把坐标原点设在工件上表面中心处。
用G54~G59定义工件坐标系,通常按约定用G54。
G54为零点偏置法。与刀具的起始位置无关。
在数控机床上,通过对刀并在数控系统面板上设置工件坐标原点与机床坐标原点的距离。
三、换刀指令
加工中心具有自动换刀功能,不同的加工中心,其换刀过程是不完全一样的,通常选刀和换刀可分开进行(我们所用加工中心不是这种情况换刀),选刀动作可与机床的加工同时进行,即利用切削时间进行选刀。
多数加工中心都规定了固定的换刀点位置,各运动部件只有移动到这个位置,才能开始换刀动作。
换刀完毕后需要启动主轴,方可进行后面程序容的加工。
T01…
M06
四、刀具长度补偿
G43刀具长度正补偿,G44刀具长度负补偿,通常用刀具正补偿G43。
格式:G43/G44Z_Hxx
Z坐标值为刀补后刀位点移动到的坐标点。
Hxx刀具长度补偿值在数控机床上的填写位置是H后面数值指定的存储单元。
如:G00G43Z50.0H01
G43H01G00Z50.0
相当于G43/G44HxxG00Z50.0
使用G43或G44指令刀长补偿时,只能有Z轴的移动量,若有其他轴向的移动,则会出现报警。
正补偿:将Z坐标尺寸字与H代码中长度补偿的量相加,按其结果进行Z轴运动。
负补偿:将Z坐标尺寸字与H中长度补偿的量相减,按其结果进行Z轴运动。
取消刀具长度补偿:G49
或G43/G44H00
在立式数控铣床上按如图所示的走刀路线铣削工件上表面,已知主轴转速为300r/min,进给量为200mm/min。试编制加工程序(刀具直径φ100)。
参考程序如下:
O7001; 程序名
G90G80G40G49G17G21; 初始化相关G功能
G54; 定义坐标
G00X155.0Y40.0S300; a X、Y轴移动到下刀点的正上方,设置转速
G43H01Z50.0M03; b 刀具长度补偿,Z轴下移到安全高度,主轴正转
G01Z0F600.0; c Z轴以较大进给量切削到Z0
X-155.0F200.0; d
G00Y-40.0; e
G01X155.0; f
G00Z300.0M05G49; g Z轴上升到换刀点,主轴停转,取消刀长补偿
X250.0Y180.0; h 回刀具起始点,工件台移动到适当的位置
M30; 程序结束
五、刀具半径补偿
刀径补偿的作用:利用刀具半径补偿功能,可按加工工件轮廓编程,即使刀具在因磨损、重磨或更换后直径发生改变,或者零件的尺寸有加工误差时只需改变半径补偿参数,仍用同一个程序;刀具半径补偿值不一定等于刀具半径值,用同一个程序通过改变刀具半径的刀补量,可以对零件轮廓进行粗、精加工。
如图所示,应用刀具半径补偿指令加工时,刀具的中心始终与工件轮廓相距一个刀具半径距离。当刀具磨损或刀具重磨后,刀具半径变小,只需在刀具补偿值中输入改变后的刀具半径,而不必修改程序。在采用同一把半径为R的刀具,并用同一个程序进行粗、精加工时,设精加工余量为△,则粗加工时设置的刀具半径补偿量为R+△,就能在粗加工后留下精加工余量△,精加工时设置的刀具半径补偿量为R。运动情况见图 。
格式:G41/G42D
刀具半径左补偿与顺铣相对应,反之,则右补偿与逆铣对应。
刀具半径补偿偏置寄存器号D ,其偏置量的大小在操作面板的偏置寄存器中设定。
刀具半径补偿的三个过程:刀具半径补偿在直线段建立;补偿状态下加工零件;在直线段取消刀具半径补偿。
可用如下程序格式:
G00/G01 G41/G42 X Y D 建立补偿程序段
…… 轮廓切削程序段
……
G00/G01 G40 X Y 补偿撤消程序段
其中:
G41/G42程序段中的X、Y值是建立补偿直线段的终点坐标值;
G40程序段中的X、Y值是撤消补偿直线段的终点坐标;
在建立刀具半径补偿以后,不能出现连续两个程序段无选择补偿坐标平面的移动指令,否则数控系统因无确计算程序中刀具轨迹交点坐标,可能产生过切现象。即刀补指令与有效的移动指令之间不能间隔两行以上。
在补偿状态下,铣刀的直线移动量及铣削侧圆弧的半径值要大于或等于刀具半径,否则补偿时会产生干涉,系统在执行相应程序段时将会产生报警,停止执行。
通常过切有以下两种情况:
(1)刀具半径大于所加工工件轮廓转角时产生的过切,如图 所示。
(2)刀具直径大于所加工沟槽时产生的过切,如图 所示。
| |
图 加工轮廓转角 | 图 加工沟槽 |
例7-3在立式数控铣床上按如图所示的走刀路线铣削工件外轮廓,已知主轴转速为400r/min,进给量为200mm/min。试编制加工程序。
![]() |
参考程序如下:
O7002; 程序名
G90G80G40G49G17G21; 初始化相关G功能
G54; 定义坐标
G00X-40.0Y-65.0S400; a X、Y轴移动到下刀点的正上方,设置转速
G43H01Z50.0M03; b 刀长补偿,Z轴下移到安全高度,主轴正转
G01Z-25.0F1000.0M08; c Z轴以较大进给量到切削高度,切削液开
G41D01G91Y-5.0F200.0; d 设置刀具半径补偿
Y-30.0;
G03X-40.0Y-40.0R40.0; e
G01X-30.0; f
Y20.0; g
G02X-50.0Y50.0R50.0; h
G01X20.0; i
G03X30.0Y30.0R-30.0; j
G01Y20.0; k
G02X50.0Y-50.0R50.0; l
G01X20.0;
X5.0G40; m 取消刀径补偿
G90G00Z90.0G49; n 取消刀长补偿
Z90.0M05; o Z轴上升到换刀点,主轴停转
X0Y0; 工件台移动到适当的位置
M30; 程序结束
数车、加工中心刀具指令对比
数控车床:选刀和换刀T0100
刀长补偿T0101 取消T0100
刀径补偿G41/G42 取消G40
加工中心:选刀T01
换刀M06 T02
或选刀和换刀T01 M06
刀长补偿G43/G44 Hxx 取消 G49或G43H00
刀径补偿G41/G42 Dxx 取消 G40
程序的开始段容
① 程序号(O70001)
② 初始化相关参数(G90G80G49G40G21G17)
③ 定义坐标(G54)
④ 选刀换刀(T01M06)
⑤ 设置转速并转动(S600M03)
⑥ Z坐标不变,横向移动到下刀点的上方(G00X-40.0Y20.0)
⑦ X、Y坐标不变,Z轴向下移动到安全高度,进行刀具长度补偿(G43Z10.0H01)
⑧ 刀具沿Z轴方向切削到一定深度(G01Z-2.0G94F150.0)
⑨ 沿切入段切削,进行刀具半径补偿(G41D01X-24.0Y5.0)
六、自动返回参考点指令G28
格式:G28X_Y_Z_;
说明: X_Y_Z_为经过中间点坐标值,可避免刀具与工件或夹具发生干涉。
加工中心常用格式G91G28Z0;代表从当前点Z坐标轴返回参考点。
G28Y0;

例7-4 在加工中心上按如图所示的走刀路径铣削工件外轮廓,试编制加工程序。已知立铣刀直径φ16mm,半径补偿号为D01。(编写精加工程序)
参考程序如下:
O7003; 程序名
G90G80G40G49G17G21; 初始化相关G功能
G54; 定义坐标
T01M06; 换使用刀具
G00X60.0Y30.0S500; a X、Y轴移动到下刀点上方,设置转速
G43H01Z50.0M03; b 刀长补偿,Z轴下移到安全高度,主轴正转
G01Z-27.0F2000.0; c 刀径补偿,Z轴快切到切削高度
G41D01Y40.0F120.0;
Y80.0; d
G03X100.0Y120.0R40.0; e
G01X180.0; f
Y60.0; g
G02X160.0Y40.0R20.0; h
G01X50.0; i
G91G28Z0M05; j Z轴回参考点,主轴停转
G40G90X0Y0; k 工件台移动到起始位置,取消刀径补偿
M30; 程序结束
七、固定循环
数铣(加工中心)的固定循环功能,主要用于孔加工;包括钻孔、镗孔和攻螺纹等。
使用一个程序段完成一个孔加工的全部动作,可以大大简化编程。
1.固定循环的动作
固定循环通常由包括6个基本操作动作,如图所示。
(1)在XY平面快速定位
(2)刀具从初始平面快速移动到R平面
(3)孔切削加工
(4)孔底的动作
(5)返回到R平面
(6)快速返回到初始平面
2.固定循环指令格式
格式:(G90/G91)G98/G99G_X_Y_Z_R_Q_P_F_K_
说明:用绝对坐标G90或相对坐标G91时,R与Z坐标值的计算基准不同。用G90时,R与Z为相应点的编程坐标值(基准为编程坐标原点);选G91时,R值是从起始点到R点的Z方向距离,Z值是从R点到孔底的距离(基准为前一刀位点)。
起始平面:为完全下刀而规定的平面。
R平面:又叫参考平面,为刀具下刀时由快速进给转为切削进给的转换位置。使用G99时,刀具将返回到R平面,通常设在工件上表面2~5mm处。
Q在G73和G83中是每次进给的深度;G76和G87中指定刀具位移量。
P为暂停的时间
F为切削进给量
K为固定循环的重复次数
用G80指令可以取消孔加工固定循环,同样执行任何01组的G代码,孔加工固定循环也会取消。取消孔加工固定循环后,那些在固定循环之前的插补模态恢复。
在固定循环中,刀具半径补偿(G41、G42)无效,刀具长度补偿(G43、G44)有效。
3.部分固定循环指令
常用指令
G81 切削进给,快速退刀
G82 切削进给,孔底暂停抛光,快速退刀
G80 取消钻孔循环
常见指令
G73 高速深孔钻,一般进给量2~3mm,抬刀量0.1mm。
G74 反攻丝
G76 孔底准确停止,精镗
G83 深孔钻,抬刀到R高度
G84 攻丝
G85 切削进给,切削退刀,铰孔
G86 孔底停止,铣孔
例7-5 加工如图所示的五个孔,分别用G81和G83指令。
用G81和绝对坐标编程。
O7004;
G90G80G40G49G17G21;
G54;
T01M06;
G00X0Y0S300;
G43Z100.0H01M03;
G99G81X10.0Y-10.0Z-25.0R5.0F120.0;
Y20.0;
X20.0Y10.0;
X30.0;
G98X40.0Y30.0;
G80G91G28Z0
G90G00X0Y0M05;
M30;
用G83和相对坐标编程。
O7014;
G90G80G40G49G17G21;
G54;
T01M06;
G00X0Y0S300;
G43Z100.0H01M03;
G91G99G83X10.0Y-10.0Z-30.0R-95.0Q5.0F120.0;
Y30.0;
X10.0Y-10.0;
X10.0;
G98X10.0Y20.0;
G80G28Z0
G90G00X0Y0M05;
M30;
例7-6 在数控机床上对图示零件钻孔,钻孔时快进行程20mm,进刀点在A点,主轴转速选择S200,进给速度选择F120,根据孔径选用Φ8mm的钻头,刀补号为H01。试编写加工程序单。
O7005;
G90G80G40G49G17G21;
G54;
T01M06;
G00X0Y0S200;
G43Z0H01M03;
G99G82X30.0Y50.0Z-35.0R-20.0F120.0;
G98X80.0Y90.0Z-46.0;
G80G91G28Z0
G90G00X0Y0M05;
M30;
八、子程序
编程时,为了简化程序的编制,当一个工件上有相同的加工容时,常用子程序的方法进行编程。调用子程序的程序叫做主程序。子程序的编号与一般程序基本相同,只是程序结束字为M99表示子程序结束,并返回到调用子程序的主程序中。
调用子程序的编程格式 M98 P ;
式中:P―表示子程序调用情况。P后共有8位数字,前四位为调用次数,省略时为调用一次;后四位为所调用的子程序号。
在一块平板上走出6个边长为10mm的等边三角形轨迹,每边的槽深为-2mm,工件上表面为Z向零点。其程序的编制就可以采用子程序的方式来实现。
主程序:
O7006; 程序名
G90G80G40G49G17G21; 初始化相关G功能
G54; 定义坐标
T01M06; 换使用刀具
G00X0Y8.0S800; 移动1#三角形上顶点上方
G43H01Z40.0M03; 刀长补偿
G00 Z3 快进到工件表面上方
M98 P0220 调0220号切削子程序切削三角形
G90 G01 X30 Y8.66 /到2#三角形上顶点
M98 P20 调20号切削子程序切削三角形
G90 G01 X60 Y8.66 到3#三角形上顶点
M98 P20 调20号切削子程序切削三角形
G90 G01 X 0 Y -21.34 到4#三角形上顶点
M98 P20 /调20号切削子程序切削三角形
G90 G01 X30 Y -21.34 到5#三角形上顶点
M98 P20 调20号切削子程序切削三角形
G90 G01 X60 Y -21.34 到6#三角形上顶点
M98 P20 调20号切削子程序切削三角形
G90 G01 Z40 F2000 抬刀
M30 程序结束
子程序:
O0220
N10 G91 G01 Z -5 G94 F100 在三角形上顶点切入(深)2mm
N20 G01 X -5 Y-8.66 切削三角形
N30 G01 X 10 Y 0 切削三角形
N40 G01 X 5 Y 8.66 切削三角形
N50 G01 Z 5 F2000 抬刀
N60 M99 子程序结束
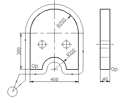
例7-8 用直径为20mm的立铣刀,加工如图所示零件。要求每次最大切削深度不超过10mm。
工艺分析:零件厚度为40mm,根据加工要求,每次切削深度为10mm,分4次切削加工,在这两次切深过程中,刀具在XY平面上的运动轨迹完全一致,故把其切削过程编写成子程序,通过主程序两次调用该子程序完成零件的切削加工,中间两孔已加工了工艺孔,设图示零件上表面的左下角为工件坐标系的原点。
加工程序
O7007; 程序名
G90G80G40G49G17G21; 初始化相关G功能
G54; 定义坐标
T01M06; 换使用刀具
G00X-50.0Y-50.0S800; 移动到下刀点上方
G43H01Z50.0M03; 刀长补偿
G01Z-10.0F150.0; Z轴工进至Z=-10,进给速度150mm/min
M98P1010; 调用子程序O1010
G01Z-20.0F300; Z轴工进至Z=-20,进给速度300mm/min
M98P1010; 调用子程序O1010
G01Z-30.0F300; Z轴工进至Z=-30,进给速度300mm/min
M98P1010; 调用子程序O1010
G01Z-43.0F300; Z轴工进至Z=-43,进给速度300mm/min
M98P1010; 调用子程序O1010
G91G28Z0M05;
G90G00X0Y0; 快速进给至X=0,Y=0,Z=300
M30; 主程序结束
O1010; 子程序号
G42G01X-30.0Y0F300D02; 直线插补,刀具半径右补偿
X100.0; 直线插补至X=100,Y=0
G02X300.0R100.0; 顺圆插补至X=300,Y=0
G01X400.0; 直线插补至X=400,Y=0
Y300.0; 直线插补至X=400,Y=300
G03X0R200.0; 逆圆插补至X=0,Y=300
G01Y-30.0; 直线插补至X=0,Y=-30
G40G01X-50.0Y-50.0; 直线插补至X=-50,Y=-50,取消刀具半径补偿
M99; 子程序结束并返回主程序
这里是一段可以自定义编辑的内容


