不锈钢吊环螺丝的规格标准尺寸
吊环螺母是一种用来紧固的零件,它的螺帽和螺杆或者是螺栓都被紧紧地拧在一起,并且所有的生产工具和制造机械都必须使用到吊环螺母这一固件。吊环螺母的下半部分装有丝扣,生产厂家可以根据不同的规格对产品钻孔,并且可以用螺口来对螺母进行固定。这篇文章主要为大家介绍吊环螺母的生产标准。

吊环螺母的简介
一般来说,只有相同规格的吊环螺母和相对应的螺丝才能连接在一起配套使用,因为吊环螺母内侧的纹路也是有不同的规格的。经常和吊环螺母一起配套使用的配件是外螺纹柱,它们一起用来起吊各种各样的设备,比如说模具、电机、机箱等重型设备。
吊环螺母的生产标准
吊环螺母的生产标准是JB/T 7382,在这个标准中,吊环螺母的内螺纹的规格被规定为M8-M100*6。吊环螺母的生产标准还引用了其他固件的生产标准,比如说 紧固件的验收标准、标志标准以及包装标准 GB90,普通螺纹的基本尺寸的标准 GB 196中规定了吊环螺母的直径为1mm-600mm范围之内,吊环螺母的普通螺纹的公差和配合的生产标准 GB 197中规定了吊环螺母的直径的公差只能在1mm-355mm的范围之内,金属的洛氏硬度的试验方法的生产标准 GB 230,优质的碳素结构钢的生产技术条件的标准 GB 699,紧固件的标记方法的生产标准 GB 1237,螺纹紧固件的电镀层的生产标准 GB 5267,金属的平均晶粒度的测定方法的生产标准 GB 6394等。
根据吊环螺母的生产标准,我们可以了解到A1吊环螺母最多起吊重量为标准中8KG的螺栓或者是螺杆,与此同时,螺栓或者是螺柱的最小的长度为0.81D。为了避免吊环螺母失效,在吊环螺母超负荷使用的时候,标准中还规定了螺栓或者是螺柱的抗拉强度不能够超过500N/mm2。不仅如此A3标准中规定吊环螺母不能够负荷垂直于吊环平面的物体。
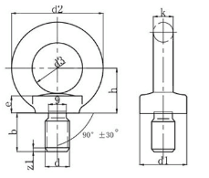
吊环螺母标准规格表


如图为德标DIN580吊环螺母的规格表,规定了螺纹规格为M6-M64的吊环螺母。


此规格表为DIN582标准,规定了螺纹规格为M8-M100*6的吊环螺母。
这里是一段可以自定义编辑的内容