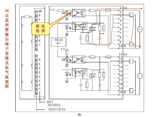
西门子控制模块接线方法【图解】

西门子控制模块接线方法【图解】

今天给大家分享的是关于输入输出模块,统称信号模块。其中包括了:

数字量或开关量输入模块和输出模块;模拟量输入模块和输出模块;位置输入模板,这些用于连接特定场合的输入模块和输出模块。

2.3.1数字量信号模块

2.3.2模拟量信号模块

 

服务机械行业22年 - 专业权威积淀,品牌优势传承