wd减速机规格型号【大全】
WD蜗杆减速机是一种用途广泛的工业产品,其性能可与其它军品级减速机产品相媲美,却有着工业级产品的价格,被应用于广泛的工业场合。减速机是一种具有广泛通用性的新性减速机,内部齿轮采用20CvMnT渗碳淬火和磨齿。整机具有结构尺寸小,输出扭矩大,速比在、效率高、性能安全可靠等特点。该标准为一级传动的阿基米德圆柱蜗杆减速器;WS(蜗杆上置)WD(蜗杆下置)。(蜗阿基米德圆柱蜗杆减速机适用于蜗杆啮合处滑动速度不大于7.5m/s;蜗杆速度不超过1500r/min;工作环境温度为-40~+40℃;并可正、反方向运转的场合。
型号标记
圆柱蜗杆减速器的标记包括:型号、中心距、传动比、装配型式
标记示例:
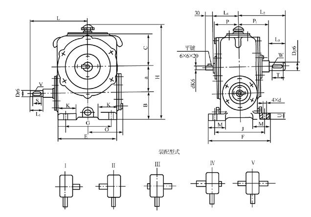
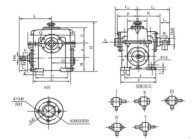
圆柱蜗杆减速器的外形、安装尺寸及装配形式
WD80~WD120外形尺寸
WD80~WD120减速器安装尺寸见下表
型号 | a | B | C | D | D1 | E | F | G | H | J | K | L | L1 | L2 | L3 | L4 |
WD80 | 80 | 90 | 105 | 20 | 35 | 190 | 200 | 150 | 305 | 160 | 60 | 190 | 50 | 158 | 58 | 90 |
WD100 | 100 | 110 | 135 | 25 | 40 | 240 | 210 | 180 | 375 | 170 | 70 | 225 | 60 | 182 | 82 | 100 |
WD120 | 120 | 120 | 150 | 30 | 45 | 270 | 220 | 200 | 420 | 180 | 80 | 275 | 80 | 197 | 82 | 110 |
型号 | M | O | P | P1 | S | T | U | V(b×h) | W(b×h) | d | 转动惯量kg·m2 | 质量kg |
WD80 | 60 | 120 | 83.5 | 100 | 40 | 50 | 20 | 6×6 | 10×8 | 18 | 0.265×10~3 | 36.5~38.5 |
WD100 | 70 | 145 | 90 | 100 | 40 | 60 | 20 | 8×7 | 12×8 | 18 | 0.84×10~3 | 53~65 |
WD120 | 80 | 165 | 102 | 115 | 50 | 60 | 20 | 8×7 | 14×9 | 18 | 1.79×10~3 | 75.4~81.7 |

型号 | a | B | C | D | D1 | E | F | G | H | J | K | L | L1 | L2 | L3 | L4 |
WD150 | 150 | 150 | 165 | 35 | 65 | 370 | 340 | 310 | 513 | 280 | 100 | 303 | 58 | 315 | 105 | 190 |
WD180 | 180 | 180 | 190 | 40 | 70 | 430 | 360 | 360 | 593 | 300 | 120 | 362 | 82 | 345 | 105 | 215 |
WD210 | 210 | 210 | 215 | 45 | 80 | 490 | 400 | 400 | 683 | 320 | 140 | 412 | 82 | 385 | 130 | 225 |
WD250 | 250 | 250 | 265 | 50 | 90 | 570 | 430 | 440 | 813 | 360 | 160 | 442 | 82 | 395 | 130 | 240 |
WD300 | 300 | 300 | 320 | 70 | 120 | 670 | 500 | 520 | 968 | 420 | 200 | 535 | 105 | 465 | 165 | 270 |
WD360 | 360 | 360 | 370 | 80 | 150 | 840 | 610 | 650 | 1138 | 440 | 240 | 640 | 130 | 575 | 200 | 340 |
型号 | M | O | P | P1 | Q | R | S | T | U | V(b×h) | W(b×h) | d | 转动惯量kg·m2 | 质量/kg |
WD150 | 90 | 230 | 180 | 210 | 455 | 200 | 50 | 100 | 30 | 10×8 | 18×11 | 22 | 3.11×10~3 | 146~163 |
WD180 | 90 | 270 | 205 | 240 | 515 | 230 | 60 | 100 | 30 | 12×8 | 20×12 | 22 | 7.63×10~3 | 295~327.5 |
WD210 | 100 | 300 | 215 | 255 | 585 | 250 | 70 | 140 | 30 | 14×9 | 22×14 | 22 | 23.50×10~3 | 298~344 |
WD250 | 120 | 340 | 225 | 265 | 665 | 270 | 80 | 125 | 40 | 14×9 | 25×14 | 26 | 79×10~3 | 480~513 |
WD300 | 150 | 405 | 255 | 300 | 765 | 310 | 90 | 140 | 50 | 20×12 | 32×18 | 32 | 143×10~3 | 771~904 |
WD360 | 180 | 490 | 325 | 375 | 905 | 360 | 110 | 180 | 50 | 22×14 | 36×20 | 39 | 223.13×10~3 | 1195~1395 |