电动机电线规格型号大全
电动机电线规格型号大全
一、电机接线
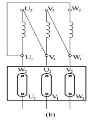
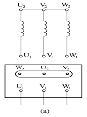
三相绕组由三个彼此独立的绕组组成,且每个绕组又由若干线圈连接而成。每个绕组即为一相,每个绕组在空间相差120°电角度。线圈由绝缘铜导线或绝缘铝导线绕制。中、小型三相电动机多采用圆漆包线,大、中型三相电动机的定子线圈则用较大截面的绝缘扁铜线或扁铝线绕制后,再按一定规律嵌入定子铁心槽内。定子三相绕组的六个出线端都引至接线盒上,首端分别标为U1, V1, W1 ,末端分别标为U2, V2, W2 。

星形连接 三角形连接
二、电机配用电线规格
序号 | 电机功率 (KW) | 额定电流 (A) | 配用铜芯线 (mm2) | 序号 | 电机功率 (KW) | 额定电流 (A) | 配用铜芯线 (mm2) |
1 | 1.5 | 3.039 | 1.2 | 11 | 30 | 60.775 | 10 |
2 | 2.2 | 4.457 | 1.2 | 12 | 45 | 91.163 | 25 |
3 | 3 | 6.078 | 1.2 | 13 | 55 | 111.422 | 35 |
4 | 4 | 8.103 | 2.5 | 14 | 75 | 151.939 | 35 |
5 | 5.5 | 11.142 | 2.5 | 15 | 90 | 182.326 | 60 |
6 | 7.5 | 15.194 | 2.5 | 16 | 110 | 222.828 | 60 |
7 | 11 | 22.284 | 2.5 | 17 | 132 | 267.406 | 120 |
8 | 15 | 30.388 | 4 | 18 | 160 | 324.128 | 120 |
9 | 18.5 | 36.870 | 6 | 19 | 185 | 374.773 | 180 |
10 | 22 | 44.568 | 6 | 20 | 200 | 405.170 | 180 |
说明:1KW/380V约为2个电流;1KW/220V约为6个电流。电线载流量:10下五 100上二;25/35 四三分;70 95两倍半;穿管温度 八九折;裸线加一半 铜线升级算。
服务机械行业22年 - 专业权威积淀,品牌优势传承