电缆拖链尺寸与选型【技巧】
电缆、气管和液压管等负载的数量、类型及直径决定了拖链的内部尺寸和分配状况 。
首先,要保证负载的拖链内部合理均匀的分布:包括重量均匀分布,空间合理分布。
若为单一负载且只有一条,空间足够即可(见图一);
若为液压管、水管、气管、油管和电缆等不同的负载最好用竖隔片分隔开来(见图二);
若为同种负载数量较多且直径差异比较大,也最好用竖隔片隔开(见图二);
若有多层排布,可用横隔片在高度方向进行分隔(见图三)。
其次,要保证负载能够在拖链内部能够自由移动,防止排布时产生相互缠绕的现象;
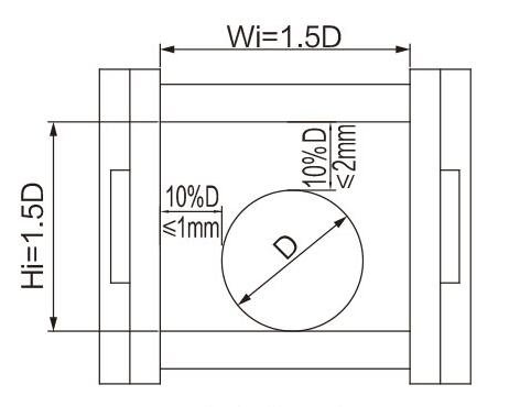
然后,根据负载的排布,计算出内高和内宽:通常情况下所选用的拖链的内宽和内高为负载排布的最大高度和最大宽的1.5倍;
最后,根据拖链的使用环境决定是否需要选用全封闭拖链(一般情况下在有粉尘颗粒较大或者环境较为恶劣的情况下,为了更好的保护负载, 可选用全封闭型的拖链)。

图一

图二

1、从电缆盘上抽取拖链电缆时,不可扭曲或打结,电缆必须展开,不能从上端开始放线,也不得沿边缘拉出;
2、排列电缆时,必须使其沿长度方向能自由移动;
3、电缆必须在拖链的弯曲部分运动自如;
4、不同直径的电缆安装在一起时,无论数量多少,必须使用分隔片或支架做适当分隔,以免电缆之间来回窜动或相互缠绕;
5、不同外护套材料的拖链电缆一起使用时,必须分隔,以免相互粘连;
6、拖链中电缆两端都必须固定,电缆的固定点离拖链端部的距离应为电缆直径的10-30倍,以减轻牵引作用;
7、如拖链电缆移动往复场合下安装时,涉及发动机环境,切记不可接触到发动机表面
8、拖链电缆zui合理的弯曲半径为电缆直径的7.5倍(涉及更小弯曲半径的要求可定制6.8倍电缆直径),过小的弯曲半径可能会缩短电缆的使用寿命。
●如何选择准确的拖链电缆?首先,根据电缆的使用要求是否需要移动来判断是否需要订购拖链电缆。一般PVC护套的电线是不耐磨、不能置于耐弯曲环境的,长时间移动容易损坏护套导致电缆不可用。拖链电缆的护套采用的是改良型的弹性体材料,具备优异的耐磨耐弯曲特性;其次,根据电缆要求移动的频率判断来判断购买何种类型的拖链电缆。
为了更好的满足不同客户的需求,我司拖链电缆细分为不同等级;移动速度低于30次/分钟,推荐中速拖链电缆;移动速度30~50次/分钟推荐高速拖链电缆;移动速度高于50次/分钟推TPU/PUR聚氨酯拖链电缆产品高耐磨、低温保持柔性、耐热阻燃……选定好中度、高度或者TPU聚氨酯材质的拖链后,再结合是否需要双绞、屏蔽、单双护套等因素确定具体的型号,较后根据芯数以及线芯截面积平方大小确定具体规格。