接线端子规格大全型号
端子连接线的作用是使联线更方便,减少电子产品的体积,最适合于移动部件与主板之间、PCB板对PCB板之间、小型化电器设备中作数据传输线缆之用。下面带大家来了解一下。
1、端子连接线的规格如下:
有0.8mm、1.0mm、1.2mm、1.25mm、1.5mm、2.0mm、2.54mm等各种间距柔性电缆线。
2、端子连接线常见型号如下:
A型:两端连接且补强板粘贴在绝缘胶纸上;
B型:补强板交叉直接粘贴在绝缘胶纸上;
C型:两端补强板直接粘贴在导体上;
D型:两端补强板交叉直接粘贴在导体上;
E型:一端补强板贴在绝缘胶纸上,另一端直接焊锡;
F型:两端补强板直接贴在绝缘胶纸上,内部一半剥离;
G型:两端直接焊锡。

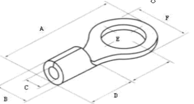
国产圆型裸端头OT | |||||||||||
![]()
|
| ||||||||||
| |||||||||||
编号 | 型号 | 插入导线截面 | 前 | 后 | 总长 |
| |||||
宽度F | 内圆直径E | 长度D | 内径C |
| |||||||
1 | OT1-3 | 0.75-1 | 5.7 | 3.1 | 5 | 1.9 | 13.5 |
| |||
2 | OT1-4 | 7.4 | 4.1 | 15.5 |
| ||||||
3 | OT1-5 | 9 | 5.1 | 17 |
| ||||||
4 | OT1.5-3 | 1.2-1.5 | 6 | 3.1 | 5 | 2.1 | 14 |
| |||
5 | OT1.5-4 | 7.1 | 4.1 | 15.4 |
| ||||||
6 | OT1.5-5 | 9.2 | 5.1 | 18 |
| ||||||
7 | OT1.5-6 | 10.5 | 6.1 | 19 |
| ||||||
8 | OT1.5-8 | 13.2 | 8.1 | 24 |
| ||||||
9 | OT1.5-10 | 15.5 | 10.4 | 25.5 |
| ||||||
10 | OT1.5-12 |
|
|
|
|
|
|
| |||
11 | OT2.5-3 | 2-2.5 | 7.2 | 3.1 | 5 | 2.7 | 14.2 |
| |||
12 | OT2.5-4 | 7.5 | 4.1 | 16 |
| ||||||
13 | OT2.5-5 | 9.1 | 5.1 | 18 |
| ||||||
14 | OT2.5-6 | 10.7 | 6.1 | 19.2 |
| ||||||
15 | OT2.5-8 | 13.3 | 8.1 | 24 |
| ||||||
16 | OT2.5-10 | 15.5 | 10.4 | 26 |
| ||||||
17 | OT2.5-12 |
|
|
|
|
|
|
| |||
18 | OT4-4 | 3-4 | 8 | 4.1 | 6.2 | 3.2 | 19 |
| |||
19 | OT4-5 | 9 | 5.1 | 19.2 |
| ||||||
20 | OT4-6 | 11.1 | 6.3 | 22 |
| ||||||
21 | OT4-8 | 13.3 | 8.2 | 25.5 |
| ||||||
22 | OT6-4 | 5-6 | 8.1 | 4.1 | 7.1 | 4.3 | 19 |
| |||
23 | OT6-5 | 8.3 | 5.1 | 21 |
| ||||||
24 | OT6-6 | 11 | 6.2 | 23 |
| ||||||
25 | OT6-8 | 14 | 8.3 | 25.7 |
| ||||||
26 | OT6-10 | 18 | 10.4 | 32 |
| ||||||
27 | OT10-6 | 8-10 | 13 | 6.3 | 8.5 | 5.6 | 25.5 |
| |||
28 | OT10-8 | 15 | 8.3 | 29.2 |
| ||||||
29 | OT10-10 | 17 | 10.3 | 32.1 |
| ||||||
30 | OT10-12 | 19 | 12.5 | 35.8 |
| ||||||
31 | OT16-6 | 14-16 | 13.8 | 6.4 | 10.5 | 7 | 30 |
| |||
32 | OT16-8 | 16.2 | 8.3 | 30.8 |
| ||||||
33 | OT16-10 | 18.8 | 10.5 | 35.8 |
| ||||||
34 | OT16-12 | 20.8 | 12.5 | 39.9 |
| ||||||
35 | OT25-6 | 20-25 | 15.8 | 6.3 | 12.5 | 8.5 | 32 |
| |||
36 | OT25-8 | 17.8 | 8.3 | 34.2 |
| ||||||
37 | OT25-10 | 19.5 | 10.5 | 36.6 |
| ||||||
38 | OT25-12 | 21.8 | 12.5 | 40.7 |
| ||||||
39 | OT25-14 | 24.1 | 14.5 | 40.6 |
| ||||||
40 | OT25-16 | 26.5 | 16.5 | 44 |
| ||||||
41 | OT35-6 | 30-35 | 16 | 6.3 | 13.5 | 9.5 | 33.5 |
| |||
42 | OT35-8 | 17 | 8.3 | 35.5 |
| ||||||
43 | OT35-10 | 19.5 | 10.3 | 38.3 |
| ||||||
44 | OT35-12 | 21.8 | 12.4 | 41.5 |
| ||||||
45 | OT35-14 | 24.3 | 14.5 | 43 |
| ||||||
46 | OT35-16 | 26.9 | 16.5 | 46.5 |
| ||||||
47 | OT50-8 | 40-50 | 17.5 | 8.3 | 14 | 11.5 | 37.5 |
| |||
48 | OT50-10 | 19.5 | 10.3 | 39.4 |
| ||||||
49 | OT50-12 | 22 | 12.4 | 42.7 |
| ||||||
50 | OT50-14 | 24.3 | 14.5 | 44 |
| ||||||
51 | OT50-16 | 26.9 | 16.5 | 47.9 |
| ||||||
52 | OT70-8 | 60-70 | 18.3 | 8.3 | 18 | 13 | 40 |
| |||
53 | OT70-10 | 20.4 | 10.4 | 44 |
| ||||||
54 | OT70-12 | 22.4 | 12.4 | 47 |
| ||||||
55 | OT70-14 | 24.5 | 14.5 | 48.5 |
| ||||||
56 | OT70-16 | 27.5 | 16.5 | 52.5 |
| ||||||
57 | OT95-8 | 80-95 | 18.5 | 8.3 | 20 | 15 | 43.5 |
| |||
58 | OT95-10 | 22.7 | 10.3 | 48.5 |
| ||||||
59 | OT95-12 | 24.5 | 12.5 | 49.5 |
| ||||||
60 | OT95-14 | 27.5 | 14.5 | 53.5 |
| ||||||
61 | OT95-16 | 31 | 16.5 | 57.5 |
| ||||||
|
|
|
|
|
|
|
|
| |||
国产叉型裸端头UT | |||||||||||
![]()
| |||||||||||
编号 | 型号 | 插入导线载面 | 前 | 后 | 总长A |
| |||||
宽度F | 内圆直径E | 长度D | 内径C |
| |||||||
1 | UT1-3 | 0.75-1 | 5.5 | 3.1 | 5 | 1.8 | 14.5 |
| |||
2 | UT1-4 | 6.8 | 4.1 | 15 |
| ||||||
3 | UT1.5-3 | 1.2-1.5 | 5.5 | 3.1 | 5 | 2.2 | 14.5 |
| |||
4 | UT1.5-4 | 7 | 4.1 | 15.5 |
| ||||||
5 | UT1.5-5 | 8.5 | 5.1 | 17 |
| ||||||
6 | UT1.5-6 | 10 | 6.1 | 19.5 |
| ||||||
7 | UT2.5-3 | 2-2.5 | 5.8 | 3.1 | 5 | 2.7 | 19.5 |
| |||
8 | UT2.5-4 | 7 | 4.1 | 16 |
| ||||||
9 | UT2.5-5 | 8.5 | 5.1 | 18 |
| ||||||
10 | UT2.5-6 | 10 | 6.1 | 20 |
| ||||||
11 | UT4-4 | 3-4 | 7.5 | 4.1 | 6.2 | 3.2 | 18 |
| |||
12 | UT4-5 | 8.5 | 5.1 | 19.5 |
| ||||||
13 | UT4-6 | 10.5 | 6.1 | 21.5 |
| ||||||
14 | UT4-8 | 13.3 | 8.1 | 24 |
| ||||||
15 | UT6-4 | 5-6 | 8 | 4.1 | 7 | 4.2 | 19.5 |
| |||
16 | UT6-5 | 9.2 | 5.1 | 21.3 |
| ||||||
17 | UT6-6 | 10.5 | 6.1 | 22.5 |
| ||||||
18 | UT6-8 | 13.5 | 8.4 | 25 |
| ||||||
19 | UT10-6 | 8-10 | 12 | 6.2 | 8.5 | 5.6 | 25 |
| |||
20 | UT10-8 | 14.2 | 8.2 | 27.2 |
| ||||||
|
|
|
|
|
|
|
|
| |||
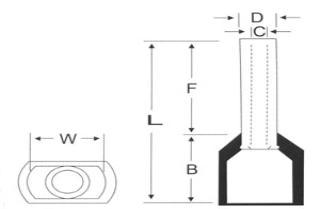
圆型绝缘端头 | |||||||||||
![]()
|
|
|
|
|
|
|
|
| |||
|
|
|
|
|
|
|
|
| |||
|
|
|
|
|
|
|
|
| |||
|
|
|
|
|
|
|
|
| |||
|
|
|
|
|
|
|
|
| |||
|
|
|
|
|
|
|
|
| |||
|
|
|
|
|
|
|
|
| |||
|
|
|
|
|
|
|
|
| |||
|
|
|
|
|
|
|
|
| |||
|
|
|
|
|
|
|
|
| |||
型号 |
|
|
|
|
|
|
|
| |||
导线截面:0.5-1.5mm2(美国线规22-16) 最大电流:lmax=19A |
|
| |||||||||
编号 | 尺寸 | 颜色 | |||||||||
型号 | 美制螺栓号 | 螺栓口直径 | B | L | F | H | D | ||||
d2 | mm | mm | mm | mm | mm | ||||||
1 | RV1.25-3.2 | #4 | 3.2mm | 5.7 | 17.8 | 4.95 | 10 | 4.3 | |||
2 | RV1.25-3.7S | #6 | 3.7mm | 5.7 | 17.8 | 4.95 | |||||
3 | RV1.25-4S | #8 | 4.3mm | 6.6 | 20.1 | 6.3 | |||||
4 | RV1.25-4L | #8 | 4.3mm | 8 | 21.5 | 7 | |||||
5 | RV1.25-5 | #10 | 5.3mm | 8 | 21.5 | 7 | |||||
6 | RV1.25-6 | 1/4 | 6.5mm | 11.6 | 27.5 | 11.1 | |||||
7 | RV1.25-8 | 5/16 | 8.4mm | 11.6 | 27.5 | 11.1 | |||||
8 | RV1.25-10 | 3/8 | 10.5mm | 13.6 | 31.6 | 13.9 | |||||
导线截面:1.5-2.5mm2(美国线规16-14) 最大电流:lmax=27A | |||||||||||
9 | RV2-3.2 | #4 | 3.2mm | 6.6 | 17.8 | 4.3 | 10 | 4.9 | |||
10 | RV2-3.7S | #6 | 3.7mm | 6.6 | 17.8 | 4.3 | |||||
11 | RV2-4S | #8 | 4.3mm | 6.6 | 21 | 7 | |||||
12 | RV2-4L | #8 | 4.3mm | 8.5 | 22.5 | 7.75 | |||||
13 | RV2-5S | #10 | 5.3mm | 8.5 | 22.5 | 7.75 | |||||
14 | RV2-6 | 1/4 | 6.5mm | 12 | 27.6 | 11 | |||||
15 | RV2-8 | 5/16 | 8.4mm | 12 | 27.6 | 11 | |||||
16 | RV2-10 | 3/8 | 10.5mm | 13.6 | 30.2 | 13.9 | |||||
导线截面:4-6mm2(美国线规12-10) 最大电流:lmax=48A |
| ||||||||||
17 | RV5.5-3.7 | #6 | 3.7mm | 7.2 | 21.4 | 5.9 | 12.5 | 6.7 | |||
18 | RV5.5-4S | #8 | 4.3mm | 7.2 | 21.4 | 5.9 | |||||
19 | RV5.5-5 | #10 | 5.3mm | 9.5 | 25.5 | 8.3 | |||||
20 | RV5.5-6 | 1/4 | 6.5mm | 12 | 31.5 | 13 | |||||
21 | RV5.5-8 | 5/16 | 8.4mm | 15 | 33.7 | 13.7 | |||||
22 | RV5.5-10 | 3/8 | 10.5mm | 15 | 33.7 | 13.7 | |||||
23 | RV5.5-12 | 1/2 | 13mm | 19.2 | 38.1 | 16 | |||||
导线截面:2。5-4mm2(美国线规14-12) 最大电流:lmax=37A |
| ||||||||||
24 | RV3.5-4 | #8 | 4.3mm | 8 | 24.5 | 7.7 | 12.5 | 6.2 | |||
25 | RV3.5-5S | #10 | 5.3mm | 8 | 24.5 | 7.7 | |||||
26 |
|
|
|
|
|
| |||||
27 | RV3.5-6 | 1/4 | 6.5mm | 12 | 27.9 | 7.7 | |||||
|
|
|
|
|
|
|
|
| |||
叉型绝缘端头 | |||||||||||
![]()
|
|
| |||||||||
|
| ||||||||||
|
| ||||||||||
|
| ||||||||||
|
| ||||||||||
|
| ||||||||||
|
| ||||||||||
|
| ||||||||||
|
| ||||||||||
|
| ||||||||||
|
| ||||||||||
编号 | 型号 | 尺寸 | |||||||||
美制螺栓号 | 螺栓口直径 | B | L | F | H | D | |||||
d2 | mm | mm | mm | mm | mm | ||||||
导线截面:0.5-1.5mm2(美国线规22-16) 最大电流:lmax=19A |
|
| |||||||||
1 | SV1.25-3.2 | #4 | 3.2mm | 5.7 | 21.2 | 6.5 | 10 | 4.3 | |||
2 | SV1.25-4S | #8 | 4.3mm | 6.4 | 21.2 | 6.5 | |||||
3 | SV1.25-4M | #8 | 4.3mm | 7.2 | 21.2 | 6.5 | |||||
4 | SV1.25-4L | #8 | 4.3mm | 8.1 | 21.2 | 6.5 | |||||
5 | SV1.25-5S | #10 | 5.3mm | 8.1 | 21.2 | 6.5 | |||||
6 | SV1.25-5L | #10 | 5.3mm | 9.5 | 21.2 | 6.5 | |||||
7 | SV1.25-6S | 1/4 | 6.5mm | 9.5 | 21.2 | 6.5 | |||||
导线截面:1.5-2.5mm2(美国线规16-14) 最大电流:lmax=27A |
|
| |||||||||
8 | SV2-3.2 | #4 | 3.2mm | 5.7 | 21.2 | 6.5 | 10 | 4.9 | |||
9 | SV2-3.7S | #6 | 3.7mm | 5.7 | 21.2 | 6.5 | |||||
10 |
|
|
|
|
|
| |||||
11 | SV2-4S | #8 | 4.3mm | 6.4 | 21.2 | 6.5 | |||||
12 | SV2-4M | #8 | 4.3mm | 7.2 | 21.2 | 6.5 | |||||
13 | SV2-4L | #8 | 4.3mm | 8.1 | 21.2 | 6.5 | |||||
14 | SV2-5S | #10 | 5.3mm | 8.1 | 21.2 | 6.5 | |||||
15 | SV2-5L | #10 | 5.3mm | 9.5 | 21.2 | 6.5 | |||||
16 | SV2-6S | 1/4 | 6.5mm | 9.5 | 21.2 | 6.5 | |||||
导线截面:2。5-4mm2(美国线规14-12) 最大电流:lmax=37A |
|
| |||||||||
17 | SV3.5-4 | #8 | 4.3mm | 8 | 24.8 | 7.7 | 12.5 | 6.2 | |||
18 | SV3.5-5 | #10 | 5.3mm | 8 | 24.8 | 7.7 | |||||
19 | SV3.5-6 | 1/4 | 6.5mm | 12 | 28 | 12.1 | |||||
导线截面:4-6mm2(美国线规12-10) 最大电流:lmax=48A |
|
| |||||||||
20 | SV5.5-3.7 | #6 | 3.7mm | 8.3 | 25.2 | 7.5 | 12.5 | 6.7 | |||
21 | SV5.5-4S | #8 | 4.3mm | 8.3 | 25.2 | 7.5 | |||||
22 | SV5.5-5 | #10 | 5.3mm | 9 | 23.9 | 7.5 | |||||
23 | SV5.5-6S | 1/4 | 6.5mm | 9 | 23.9 | 7.5 | |||||
24 | SV5.5-8 | 5/16 | 8.4mm | 14 | 30 | 11.5 | |||||
|
|
|
|
|
|
|
|
| |||
长短全绝缘中间接头 | |||||||||||
![]()
| ![]()
|
|
|
|
|
|
|
| |||
|
|
|
|
|
|
|
|
| |||
|
|
|
|
|
|
|
|
| |||
|
|
|
|
|
|
|
|
| |||
|
|
|
|
|
|
|
|
| |||
|
|
|
|
|
|
|
|
| |||
编号 | 型号 |
|
|
|
|
| 最大电流 | 颜色 | |||
A.W.G | mm2 | l | d | L | |||||||
mm | mm | mm | |||||||||
|
|
|
|
|
|
|
|
| |||
导线截面:0.5-35mm2 最大电流:lmax=160A |
|
| |||||||||
1 | BV1.25 | 22-16 | 0.5-1.5 | 15 | 4.4 | 26 | 19A | 红 | |||
2 | BV2 | 16-14 | 1.5-2.5 | 15 | 5.1 | 26 | 27A | 蓝 | |||
3 | BV5.5 | 12-10 | 4-6 | 15 | 6.8 | 26 | 48A | 黄 | |||
4 | PVN1.25 | 22-16 | 0.5-1.5 | 8 | 4.4 | 16 | 19A | 红 | |||
5 | PVN2 | 16-14 | 1.5-2.5 | 8 | 5.1 | 16 | 27A | 蓝 | |||
6 | PVN5.5 | 12-10 | 4-6 | 8.5 | 6.8 | 20.5 | 48A | 黄 | |||
|
|
|
|
|
|
|
|
| |||
片形绝缘端头 | |||||||||||
|
|
|
| ![]()
|
|
|
|
| |||
|
|
|
|
|
|
|
|
| |||
|
|
|
|
|
|
|
|
| |||
|
|
|
|
|
|
|
|
| |||
|
|
|
|
|
|
|
|
| |||
|
|
|
|
|
|
|
|
| |||
|
|
|
|
|
|
|
|
| |||
|
|
|
|
|
|
|
|
| |||
|
|
|
|
|
|
|
|
| |||
|
|
|
|
|
|
|
|
| |||
编号 | 型号 | 尺寸 |
|
|
| ||||||
W | L | F | C |
|
|
| |||||
1 | DBV1.25-10 | 2.3 | 20 | 10 | 4.3 |
|
|
| |||
2 | DBV1.25-11 | 3 | 21 | 11 |
|
|
| ||||
3 | DBV1.25-14 | 3 | 24 | 14 |
|
|
| ||||
4 | DBV1.25-18 | 2.3 | 28 | 18 |
|
|
| ||||
5 | DBV2-9 | 2.8 | 19 | 9 | 4.9 |
|
|
| |||
6 | DBV2-18 | 2.3 | 28 | 18 |
|
|
| ||||
7 | DBV5.5-10 | 2.8 | 22.5 | 10 | 6.7 |
|
|
| |||
|
|
|
|
|
|
|
|
| |||
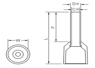
针型绝缘端头 | |||||||||||
![]()
|
|
|
| ![]()
|
|
|
|
| |||
|
|
|
|
|
|
|
|
| |||
|
|
|
|
|
|
|
|
| |||
|
|
|
|
|
|
|
|
| |||
|
|
|
|
|
|
|
|
| |||
|
|
|
|
|
|
|
|
| |||
|
|
|
|
|
|
|
|
| |||
|
|
|
|
|
|
|
|
| |||
编号 | 型号 | 尺寸 | 颜色 |
|
| ||||||
F | L | H | D |
|
| ||||||
mm | mm | mm | mm |
|
| ||||||
| 导线截面:0.5-1.5mm2(美国线规22-16) 最大电流:lmax=19A |
|
| ||||||||
1 | PTV1.25-9 | 1.9 | 19 | 10 | 4.3 | 红 |
|
| |||
2 | PTV1.25-10 | 1.9 | 20 |
|
| ||||||
3 | PTV1.25-12 | 1.9 | 22 |
|
| ||||||
4 | PTV1.25-13 | 1.9 | 23 |
|
| ||||||
导线截面:1.5-2.5mm2(美国线规16-14) 最大电流:lmax=27A |
|
| |||||||||
5 | PTV2-9 | 1.9 | 19 | 10 | 4.9 | 蓝 |
|
| |||
6 | PTV2-10 | 1.9 | 20 |
|
| ||||||
7 | PTV2-12 | 1.9 | 22 |
|
| ||||||
8 | PTV2-13 | 1.9 | 23 |
|
| ||||||
导线截面:4-6mm2(美国线规12-10) 最大电流:lmax=48A |
|
|
| ||||||||
9 | PTV5.5-13 | 2.8 | 25.5 | 12.5 | 6.7 | 黄 |
|
| |||
|
|
|
|
|
|
|
|
| |||
母型绝缘接头 | |||||||||||
编号 | 型号 | nema tab | 材料厚度 | 尺寸 | |||||||
B | d | D | L | H | |||||||
mm | mm | mm | mm | mm | mm | mm | |||||
| 导线截面:0.5-1.5mm2(美国线规22-16) 最大电流:lmax=10A |
| |||||||||
1 | FDD1.25-110(5) | 0.5*2.8 | 0.3 | 3.8 | 1.7 | 3.8 | 19 | 10 | |||
2 | FDD1.25-110(8) | 0.8*2.8 | 0.3 | 3.8 | 1.7 | 3.8 | 19 | ||||
3 | FDD1.25-187(5) | 0.5*4.75 | 0.35 | 5.6 | 1.7 | 3.8 | 19 | ||||
4 | FDD1.25-187(8) | 0.8*4.75 | 0.35 | 5.6 | 1.7 | 3.8 | 19 | ||||
5 |
|
|
|
|
|
|
| ||||
6 | FDD1.25-250 | 0.8*6.35 | 0.4 | 7.4 | 1.7 | 3.8 | 21 | ||||
| 导线截面:1.5-2.5mm2(美国线规16-14) 最大电流:lmax=15A |
| |||||||||
7 | FDD2-110(5) | 0.5*2.8 | 0.3 | 3.8 | 2.3 | 4.3 | 19 | 10 | |||
8 | FDD2-110(8) | 0.8*2.8 | 0.3 | 3.8 | 2.3 | 4.3 | 19 | ||||
9 | FDD2-187(5) | 0.5*4.75 | 0.35 | 5.6 | 2.3 | 4.3 | 19 | ||||
10 | FDD2-187(8) | 0.8*4.75 | 0.35 | 5.6 | 2.3 | 4.3 | 19 | ||||
11 | FDD2-250 | 0.8*6.35 | 0.4 | 7.4 | 2.3 | 4.3 | 21 | ||||
| 导线截面:4-6mm2(美国线规12-10) 最大电流:lmax=24A |
| |||||||||
12 | FDD5.5-250 | 0.8*6.35 | 0.4 | 7.4 | 3.4 | 5.7 | 25 | 12.5 | |||
|
|
|
|
|
|
|
|
| |||
公型绝缘接头 | |||||||||||
编号 | 型号 | nema tab | 材料厚度 | 尺寸 |
|
|
|
| |||
B | d | D | L |
| |||||||
mm | mm | mm | mm | mm | mm | H | |||||
| 导线截面:0.5-1.5mm2(美国线规22-16) 最大电流:lmax=10A |
| |||||||||
1 | MDD1.25-110(5) | 0.8*2.8 | 0.8 | 2.8 | 1.7 | 3.8 | 17.7 | mm | |||
2 | MDD1.25-110(8) | 0.5*4.75 | 0.5 | 4.75 | 1.7 | 3.8 | 20 | 10 | |||
3 | MDD1.25-187(5) | 0.8*4.75 | 0.4 | 4.75 | 1.7 | 3.8 | 18.5 | ||||
4 | MDD1.25-187(8) | 0.8*4.75 | 0.8 | 4.75 | 17 | 3.8 | 18.5 | ||||
5 | MDD1.25-250 | 0.8*6.35 | 0.4 | 6.35 | 1.7 | 3.8 | 21 | ||||
| 导线截面:1.5-2.5mm2(美国线规16-14) 最大电流:lmax=15A |
| |||||||||
6 | MDD2-187(5) | 0.5*4.75 | 0.5 | 4.75 | 2.3 | 4.3 | 20 | mm | |||
7 | MDD2-187(8) | 0.5*4.75 | 0.4 | 4.75 | 2.3 | 4.3 | 18.5 | 10 | |||
8 | MDD2-250 | 0.8*6.35 | 0.4 | 6.35 | 2.3 | 4.3 | 21 | ||||
| 导线截面:4-6mm2(美国线规12-10) 最大电流:lmax=24A |
| |||||||||
9 | MDD5.5-250 | 0.8*6.35 | 0.4 | 6.35 | 3.4 | 5.7 | 25 | 12.5 | |||
|
|
|
|
|
|
|
|
| |||
子弹型公绝缘端头 | |||||||||||
![]()
|
|
|
| ![]()
|
|
|
|
| |||
|
|
|
|
|
|
|
|
| |||
|
|
|
|
|
|
|
|
| |||
|
|
|
|
|
|
|
|
| |||
|
|
|
|
|
|
|
|
| |||
|
|
|
|
|
|
|
|
| |||
|
|
|
|
|
|
|
|
| |||
|
|
|
|
|
|
|
|
| |||
|
|
|
|
|
|
|
|
| |||
|
|
|
|
|
|
|
|
| |||
编号 | 型号 | 厚度 | 尺寸 | ||||||||
b | F | D | d | H | L | ||||||
mm | mm | mm | mm | mm | mm | mm | |||||
| 导线截面:0.5-1.5mm2(美国线规22-16) 最大电流:lmax=10A |
| |||||||||
1 | MPD1.25-156 | 0.4 | 4 | 11 | 3.8 | 1.7 | 10 | 21 | |||
| 导线截面:1.5-2.5mm2(美国线规16-14) 最大电流:lmax=15A | ||||||||||
2 | MPD2-156 | 0。4 | 4 | 11 | 4。3 | 2。3 | 10 | 21 | |||
3 | MPD2-195 | 0。4 | 5 | 11 | 4。3 | 2。3 | 10 | 21 | |||
| 导线截面:4-6mm2(美国线规12-10) 最大电流:lmax=24A | ||||||||||
4 | MPD5。5-195 | 0。4 | 5 | 11 | 5。7 | 3。4 | 12 | 25 | |||
|
|
|
|
|
|
|
|
| |||
子弹母绝缘接头 | |||||||||||
编号 | 型号 | 厚度 | 尺寸 | ||||||||
b | F | D | d | H | L | ||||||
mm | mm | mm | mm | mm | mm | mm | |||||
| 导线截面:0.5-1.5mm2(美国线规22-16) 最大电流:lmax=10A | ||||||||||
1 | FRD12。5-156 | 0。4 | 4 | 6。3 | 3。8 | 1。7 | 13 | 24。5 | |||
| 导线截面:1.5-2.5mm2(美国线规16-14) 最大电流:lmax=15A | ||||||||||
2 | FRD2-156 | 0。4 | 4 | 6。3 | 4。3 | 2。3 | 14 | 24。5 | |||
3 | FRD2-195 | 0。4 | 5 | 7 | 4。3 | 2。3 | 14 | 24。5 | |||
| 导线截面:4-6mm2(美国线规12-10) 最大电流:lmax=24A | ||||||||||
4 | FRD5。5-195 | 0。4 | 5 | 7 | 5。7 | 3。4 | 14 | 29。5 | |||
|
|
|
|
|
|
|
|
| |||
![]() ![]()
| |||||||||||
编号 | 型号 | nema tab | 尺寸 |
| |||||||
W | B | D | d | L |
| ||||||
mm | mm | mm | mm | mm | mm |
| |||||
| 导线截面:0.5-1.5mm2(美国线规22-16) 最大电流:lmax=10A |
| |||||||||
1 | FDFD1.25-187(5) | 0.5*4.75 | 7.6 | 5.6 | 3.8 | 1.7 | 20 |
| |||
2 | FDFD1.25-187(8) | 0.8*475 | 7.6 | 5.6 | 3.8 | 1.7 | 20 |
| |||
3 | FDFD1.25-250 | 0.8*6.35 | 9.4 | 7.4 | 3.8 | 1.7 | 21.5 |
| |||
| 导线截面:1.5-2.5mm2(美国线规16-14) 最大电流:lmax=15A |
| |||||||||
4 | FDFD2-187(5) | 0.5*4.75 | 7.6 | 5.6 | 4.3 | 2.3 | 20 |
| |||
5 | FDFD2-187(8) | 0.8*4.75 | 7.6 | 5.6 | 4.3 | 2.3 | 20 |
| |||
6 | FDFD2-250 | 0.8*6.35 | 9.4 | 7.4 | 4.3 | 2.3 | 21.5 |
| |||
| 导线截面:4-6mm2(美国线规12-10) 最大电流:lmax=24A |
| |||||||||
7 | FDFD5.5-250 | 0.8*6.35 | 9.4 | 7.4 | 5.7 | 3.4 | 25.5 |
| |||
|
|
|
|
|
|
|
|
| |||
肩背公母绝缘接头 | |||||||||||
|
| ||||||||||
| |||||||||||
| |||||||||||
| |||||||||||
| |||||||||||
| |||||||||||
| |||||||||||
| |||||||||||
| |||||||||||
编号 | 型号 | nema tab | 尺寸 | ||||||||
t | B | B1 | H | D | d | L | |||||
mm | mm | mm | mm | mm | mm | mm | |||||
| 导线截面:0.5-1.5mm2(美国线规22-16) 最大电流:lmax=10A |
| |||||||||
1 | PBDD1.25-250 | 0.8*6.35 | 7.4 | 6.3 | 10 | 3.8 | 1.7 | 21.5 | |||
| 导线截面:1.5-2.5mm2(美国线规16-14) 最大电流:lmax=15A |
| |||||||||
2 | PBDD2-250 | 0.8*6.35 | 7.4 | 6.3 | 10 | 4.3 | 2.3 | 21.5 | |||
| 导线截面:4-6mm2(美国线规12-10) 最大电流:lmax=24A |
| |||||||||
3 | PBDD5.5-250 | 0.8*6.35 | 7.4 | 6.3 | 12.5 | 5.7 | 3.4 | 25 | |||
|
|
|
|
|
|
|
|
| |||
叉型裸端头SNB | |||||||||||
编号 | 型号 | 尺寸 | |||||||||
美制螺栓号 | 螺栓口直径 | B | L | F | E | D | |||||
d2 | mm | mm | mm | mm | mm | ||||||
| 导线截面:0.5-1.5mm2(美国线规22-16) 最大电流:lmax=19A | ||||||||||
1 | SNB1.25-3.2 | 4 | 3.2mm | 5.7 | 16 | 6.5 | 4.8 | 3.4 | |||
2 | SNB1.25-3.7S | 6 | 3.7mm | 5.7 | 16 | 6.5 | |||||
3 | SNB1.25-4S | 8 | 4.3mm | 6.4 | 16 | 6.5 | |||||
4 | SNB1.25-4M | 8 | 4.3mm | 7.2 | 16 | 6.5 | |||||
5 | SNB1.25-4L | 8 | 4.3mm | 8.1 | 16 | 6.5 | |||||
6 | SNB1.25-5S | 10 | 5.3mm | 8.1 | 16 | 6.5 | |||||
7 | SNB1.25-5L | 10 | 5.3mm | 9.5 | 16 | 6.5 | |||||
8 | SNB1.25-6S | 1/4 | 6.5mm | 9.5 | 16 | 6.5 | |||||
| 导线截面:1.5-2.5mm2(美国线规16-14) 最大电流:lmax=27A | ||||||||||
9 | SNB2-3.2 | 4 | 3.2mm | 5.7 | 16 | 6.5 | 4.8 | 4 | |||
10 | SNB2-3.7S | 6 | 3.7mm | 5.7 | 16 | 6.5 | |||||
11 | SNB2-4S | 8 | 4.3mm | 6.4 | 16 | 6.5 | |||||
12 | SNB2-4M | 8 | 4.3mm | 7.2 | 16 | 6.5 | |||||
13 | SNB2-4L | 8 | 4.3mm | 8.1 | 16 | 6.5 | |||||
14 | SNB2-5S | 10 | 5.3mm | 8.1 | 16 | 6.5 | |||||
15 | SNB2-5L | 10 | 5.3mm | 9.5 | 16 | 6.5 | |||||
16 | SNB2-6S | 1/4 | 6.5mm | 9.5 | 16 | 6.5 | |||||
| 导线截面:2。5-4mm2(美国线规14-12) 最大电流:lmax=37A | ||||||||||
17 | SNB3.5-4 | 8 | 4.3MM | 8 | 18.3 | 7 | 6 | 5 | |||
18 | SNB3.5-5 | 10 | 5.3MM | 8 | 18.3 | 7 | |||||
19 | SNB3.5-6 | 1/4 | 6.5MM | 12 | 21.5 | 12.1 | |||||
| 导线截面:4-6mm2(美国线规12-10) 最大电流:lmax=48A | ||||||||||
20 | SNB5.5-3.7 | 6 | 3.7mm | 8.3mm | 19.5 | 7.5 | 6.8 | 5.5 | |||
21 | SNB5.5-4S | 8 | 4.3mm | 8.3mm | 19.5 | 7.5 | |||||
22 | SNB5.5-5 | 10 | 5.3mm | 9mm | 18.2 | 7.5 | |||||
23 | SNB5.5-6S | 1/4 | 6.5mm | 9mm | 18.2 | 7.5 | |||||
24 | SNB5.5-8 | 5/16 | 8.4mm | 14mm | 24.5 | 11.5 | |||||
|
|
|
|
|
|
|
|
| |||
圆型裸端头RNB | |||||||||||
![]()
|
|
|
| ![]()
|
|
|
|
| |||
|
|
|
|
|
|
|
|
| |||
|
|
|
|
|
|
|
|
| |||
|
|
|
|
|
|
|
|
| |||
|
|
|
|
|
|
|
|
| |||
|
|
|
|
|
|
|
|
| |||
|
|
|
|
|
|
|
|
| |||
|
|
|
|
|
|
|
|
| |||
|
|
|
|
|
|
|
|
| |||
编号 | 型号 | 尺寸 | |||||||||
美制螺栓号 | 螺栓口直径 | B | L | F | E | D | |||||
d2 | mm | mm | mm | mm | mm | ||||||
| 导线截面:0.5-1.5mm2(美国线规22-16) 最大电流:lmax=19A | ||||||||||
1 | RNB1.25-3.2 | 4 | 3.2mm | 5.7 | 12.6 | 4.95 | 4.8 | 3.4 | |||
2 | RNB1.25-3.7S | 6 | 3.7mm | 5.7 | 12.6 | 4.95 | |||||
3 | RNB1.25-4S | 8 | 4.3mm | 6.6 | 14.4 | 6.3 | |||||
4 | RNB1.25-4L | 8 | 4.3mm | 8 | 15.8 | 7 | |||||
5 | RNB1.25-5 | 10 | 5.3mm | 8 | 15.8 | 7 | |||||
6 | RNB1.25-6 | 1/4 | 6.5mm | 11.6 | 21.8 | 11.1 | |||||
7 | RNB1.25-8 | 5/16 | 8.4mm | 11.6 | 21.8 | 11.1 | |||||
8 | RNB1.25-10 | 3/8 | 10.5mm | 13.6 | 25.5 | 13.9 | |||||
| 导线截面:1.5-2.5mm2(美国线规16-14) 最大电流:lmax=27A | ||||||||||
9 | RNB2-3.2 | 4 | 3.2mm | 6.6 | 12.3 | 4.3 | 4.8 | 4 | |||
10 | RNB2-3.7S | 6 | 3.7mm | 6.6 | 12.3 | 4.3 | |||||
11 | RNB2-4S | 8 | 4.3mm | 6.6 | 16 | 7 | |||||
12 | RNB2-4L | 8 | 4.3mm | 8.5 | 16.8 | 7.75 | |||||
13 | RNB2-5S | 10 | 5.3mm | 8.5 | 16.8 | 7.75 | |||||
14 | RNB2-5L | 10 | 5.3mm | 9.5 | 16.8 | 7.25 | |||||
15 | RNB2-6 | 1/4 | 6.5mm | 12 | 21.8 | 11 | |||||
16 | RNB2-8 | 5/16 | 8.4mm | 12 | 21.8 | 11 | |||||
17 | RNB2-10 | 3/8 | 10.5mm | 13.6 | 25.5 | 13.9 | |||||
| 导线截面:2。5-4mm2(美国线规14-12) 最大电流:lmax=37A | ||||||||||
18 | RNB3.5-4 | 8 | 4.3mm | 8 | 18 | 7.7 | 6 | 5 | |||
19 | RNB3.5-5S | 10 | 5.3mm | 8 | 18 | 7.7 | |||||
20 | RBB3.5-6 | 1/4 | 6.5mm | 12 | 21.4 | 7.7 | |||||
| 导线截面:4-6mm2(美国线规12-10) 最大电流:lmax=48A | ||||||||||
21 | RNB5.5-3.7 | 6 | 3.7MM | 7.2 | 15.7 | 5.9 | 6.8 | 5.5 | |||
22 | RNB5.5-4S | 8 | 4.3MM | 7.2 | 15.7 | 5.9 | |||||
23 | RNB5.5-5 | 10 | 5.3MM | 9.5 | 19.8 | 8.3 | |||||
24 | RNB5.5-6 | 1/4 | 6.5MM | 12 | 25.8 | 13 | |||||
25 | RNB5.5-8 | 5/16 | 8.4MM | 15 | 28 | 13.7 | |||||
26 | RNB5.5-10 | 3/8 | 10.5MM | 15 | 28 | 13.7 | |||||
27 | RNB5.5-12 | 1/2 | 13MM | 19.2 | 32.4 | 16 | |||||
| 导线截面:6-10mm2(美国线规8) 最大电流:lmax=62A |
| |||||||||
28 | RNB8-4 | 8 | 4.3MM | 12 | 23.8 | 9.3 | 8.5 | 7 | |||
29 | RNB8-5S | 10 | 5.3MM | 8.8 | 23.8 | 11.1 | |||||
30 | RNB8-5M | 10 | 5.3MM | 12 | 23.8 | 9.3 | |||||
31 | RNB8-6S | 1/4 | 6.5MM | 12 | 23.8 | 9.3 | |||||
32 | RNB8-6L | 1/4 | 6.5MM | 15 | 29.8 | 13.8 | |||||
33 | RNB8-8 | 5/16 | 8.4MM | 15 | 29.8 | 13.8 | |||||
34 | RNB8-10 | 3/8 | 10.5MM | 15 | 29.8 | 13.8 | |||||
| 导线截面:10-16mm2(美国线规6) 最大电流:lmax=88A |
| |||||||||
35 | RNB14-4 | 8 | 4.3MM | 12 | 29.8 | 13.3 | 10.5 | 9 | |||
36 | RNB14-5 | 10 | 5.3MM | 12 | 29.8 | 13.3 | |||||
37 | RNB4-6S | 1/4 | 6.5MM | 12 | 29.8 | 13.3 | |||||
38 | RNB14-6L | 1/4 | 6.5MM | 16 | 32.8 | 13.3 | |||||
39 | RNB14-8 | 5/16 | 8.4MM | 16 | 32.8 | 14.5 | |||||
40 | RNB14-10 | 3/8 | 10.5MM | 16 | 32.8 | 14.5 | |||||
41 | RNB14-12 | 1/2 | 13MM | 22 | 41 | 19.5 | |||||
| 导线截面:16-25mm2(美国线规4) 最大电流:lmax=115A |
| |||||||||
42 | RNB22-5S | 10 | 5.3MM | 12.2 | 33.2 | 14.5 | 12 | 11.5 | |||
43 | RNB22-5L | 10 | 5.3MM | 16.5 | 33.7 | 13.5 | |||||
44 | RNB22-6S | 1/4 | 6.5MM | 12.2 | 33.2 | 14.5 | |||||
45 | RNB22-6L | 1/4 | 6.5MM | 16.5 | 33.7 | 13.5 | |||||
46 | RNB22-8 | 5/16 | 8.4MM | 16.5 | 33.7 | 13.5 | |||||
47 | RNB22-10 | 3/8 | 10.5MM | 16.5 | 33.7 | 13.5 | |||||
48 | RNB22-12 | 1/2 | 13MM | 22 | 42.5 | 19.5 | |||||
| 导线截面:35mm2(美国线规2) 最大电流:lmax=160A |
| |||||||||
49 | RNB38-5 | 10 | 5.3MM | 15.3 | 39 | 18.3 | 14 | 13.3 | |||
50 | RNB38-6 | 1/4 | 6.5MM | 15.3 | 39 | 18.3 | |||||
51 | RNB38-8S | 5/16 | 8.4MM | 15.3 | 39 | 18.3 | |||||
52 | RNB38-8L | 5/16 | 8.4MM | 22 | 42.7 | 17.7 | |||||
53 | RNB38-10S | 3/8 | 10.5MM | 15.3 | 39 | 18.3 | |||||
54 | RNB38-10L | 3/8 | 10.5MM | 22 | 42.7 | 17.7 | |||||
55 | RNB38-12 | 1/2 | 13MM | 22 | 42.7 | 17.7 | |||||
| 导线截面:50mm2(美国线规1/0) 最大电流:lmax=215A |
| |||||||||
56 | RNB60-6 | 1/4 | 6.5MM | 22 | 49.7 | 20.7 | 18 | 15.4 | |||
57 | RNB60-8 | 5/16 | 8.4MM | ||||||||
58 | RNB60-10 | 3/8 | 10.5MM | ||||||||
59 | RNB60-12 | 1/2 | 13MM | ||||||||
60 | RNB60-14 | 9/16 | 15MM | 32 | 68 | 32 | |||||
61 | RNB60-16 | 5/8 | 17MM | ||||||||
62 | RNB60-18 | 11/16 | 19MM | ||||||||
63 | RNB60-20 | 3/4 | 21MM | ||||||||
|
|
|
|
|
|
|
|
| |||
双线插式管形绝缘端头 | |||||||||||
![]() ![]()
|
|
|
|
|
|
|
|
| |||
|
|
|
|
|
|
|
|
| |||
|
|
|
|
|
|
|
|
| |||
|
|
|
|
|
|
|
|
| |||
|
|
|
|
|
|
|
|
| |||
|
|
|
|
|
|
|
|
| |||
|
|
|
|
|
|
|
|
| |||
|
|
|
|
|
|
|
|
| |||
|
|
|
|
|
|
|
|
| |||
|
|
|
|
|
|
|
|
| |||
|
|
|
|
|
|
|
|
| |||
双线插入式管形预绝缘端头 |
|
|
|
|
|
|
|
| |||
绝缘套材质:尼龙PVC |
|
|
|
|
|
|
|
| |||
编号 | 电线范围 | 型号 | 尺寸 | ||||||||
F | L | W | B | D | C | ||||||
1 | 2*22AWG | TE0508 | 8 | 14.5 | 5 | 3.6 | 1.8 | 1.5 | |||
2 | 2*20AWG | TE7508 | 8 | 14.5 | 5.5 | 3.6 | 2.1 | 1.8 | |||
3 | TE7510 | 10 | 16.7 | ||||||||
4 | 2*18AWG | TE1008 | 8 | 15.1 | 5.5 | 4 | 2.3 | 2 | |||
5 | TE1010 | 10 | 17.1 | ||||||||
6 | 2*16AWG | TE1508 | 8 | 15.5 | 6.4 | 4.2 | 2.6 | 2.3 | |||
7 | TE1512 | 12 | 19.5 | ||||||||
8 | 2*14AWG | TE2510 | 10 | 18.5 | 8 | 5 | 3.3 | 2.9 | |||
9 | TE2513 | 13 | 21.5 | ||||||||
10 | 2*12AWG | TE4012 | 12 | 23.1 | 8.8 | 5.7 | 4.2 | 3.8 | |||
11 | 2*10AWG | TE6014 | 14 | 26.1 | 9.5 | 6.8 | 5.3 | 4.9 | |||
12 | 2*8AWG | TE10-14 | 14 | 26.6 | 12.6 | 8 | 6.9 | 6.5 | |||
13 | 2*6AWG | TE16-14 | 14 | 31.3 | 19 | 10.5 | 8.7 | 8.3 | |||
|
|
|
|
|
|
|
|
| |||
管形绝缘端头 | |||||||||||
![]() ![]()
|
|
|
|
|
|
|
|
| |||
|
|
|
|
|
|
|
|
| |||
|
|
|
|
|
|
|
|
| |||
|
|
|
|
|
|
|
|
| |||
|
|
|
|
|
|
|
|
| |||
|
|
|
|
|
|
|
|
| |||
|
|
|
|
|
|
|
|
| |||
|
|
|
|
|
|
|
|
| |||
|
|
|
|
|
|
|
|
| |||
|
|
|
|
|
|
|
|
| |||
|
|
|
|
|
|
|
|
| |||
管形预绝缘端头 |
|
|
|
|
|
|
|
| |||
绝缘套材质:尼龙PVC |
|
|
|
|
|
|
|
| |||
编号 | 电线范围 | 型号 | 尺寸 | ||||||||
F | L | W | B | D | C | ||||||
1 | 22AWG | E0508 | 8 | 14 | 2.6 | 6 | 1.3 | 1 | |||
2 | 20AWG | E7508 | 8 | 14.3 | 2.8 | 6.3 | 1.5 | 1.2 | |||
3 | E7510 | 10 | 16.3 | 2.8 | 6.3 | 1.5 | 1.2 | ||||
4 | 18AWG | E1008 | 8 | 14.3 | 3 | 6.3 | 1.7 | 1.4 | |||
5 | E1012 | 12 | 18.3 | 3 | 6.3 | 1.7 | 1.4 | ||||
6 | 16AWG | E1508 | 8 | 14.3 | 3.5 | 6.3 | 2 | 1.7 | |||
7 | E1510 | 10 | 16.3 | 3.5 | 6.3 | 2 | 1.7 | ||||
8 | E1512 | 12 | 18.3 | 3.5 | 6.3 | 2 | 1.7 | ||||
9 | 14AWG | E2508 | 8 | 15.4 | 4 | 7.4 | 2.6 | 2.3 | |||
10 | E2510 | 10 | 17.4 | 4 | 7.4 | 2.6 | 2.3 | ||||
11 | E2512 | 12 | 19.4 | 4 | 7.4 | 2.6 | 2.3 | ||||
12 | E2518 | 18 | 25.4 | 4 | 7.4 | 2.6 | 2.3 | ||||
13 | 12AWG | E4009 | 9 | 16.4 | 4.5 | 7.4 | 3.2 | 2.8 | |||
14 | E4012 | 12 | 1.94 | 4.5 | 7.4 | 3.2 | 2.8 | ||||
15 | 10AWG | E6012 | 12 | 20.5 | 6 | 8.5 | 3.9 | 3.5 | |||
16 | E6018 | 18 | 26.5 | 6 | 8.5 | 3.9 | 3.5 | ||||
17 | 8AWG | E10-12 | 12 | 20.8 | 7.5 | 8.8 | 4.9 | 4.5 | |||
18 | E10-18 | 18 | 26.8 | 7.5 | 8.8 | 4.9 | 4.5 | ||||
19 | 6AWG | E16-12 | 12 | 22 | 8.7 | 10 | 6.2 | 5.8 | |||
20 | E16-18 | 18 | 28 | 8.7 | 10 | 6.2 | 5.8 | ||||
21 | 4AWG | E25-16 | 16 | 28 | 11 | 12 | 7.9 | 7.5 | |||
22 | E25-22 | 22 | 34 | 11 | 12 | 7.9 | 7.5 | ||||
23 | 2AWG | E35-16 | 16 | 30 | 12.5 | 14 | 8.7 | 8.3 | |||
24 | E35-22 | 22 | 36 | 12.5 | 14 | 8.7 | 8.3 | ||||
|
|
|
|
|
|
|
|
| |||
![]() ![]()
| |||||||||||
|
|
|
|
|
|
|
|
| |||
|
|
|
|
|
|
|
|
| |||
|
|
|
|
|
|
|
|
| |||
|
|
|
|
|
|
|
|
| |||
|
|
|
|
|
|
|
|
| |||
|
|
|
|
|
|
|
|
| |||
|
|
|
|
|
|
|
|
| |||
|
|
|
|
|
|
|
|
| |||
|
|
|
|
|
|
|
|
| |||
|
|
|
|
|
|
|
|
| |||
|
|
|
|
|
|
|
|
| |||
编号 | 电线范围 | 型号 | 尺寸 |
|
| ||||||
L | D | C | W |
|
| ||||||
1 | 22AWG | EN0508 | 8 | 1.4 | 1.1 | 1.7 |
|
| |||
2 | 20AWG | EN7508 | 8 | 1.6 | 1.3 | 1.9 |
|
| |||
3 | 18AWG | EN1008 | 8 | 1.8 | 1.5 | 2.2 |
|
| |||
4 | 16AWG | EN1508 | 8 | 2 | 1.7 | 2.5 |
|
| |||
5 | 14AWG | EN2508 | 8 | 2.5 | 2.2 | 3.3 |
|
| |||
6 | 12AWG | EN4009 | 9 | 3.4 | 3 | 3.9 |
|
| |||
7 | 10AWG | EN6012 | 12 | 4 | 3.6 | 4.7 |
|
| |||
8 | 8AWG | EN10-12 | 12 | 5.2 | 4.8 | 5.8 |
|
| |||
9 | 6AWG | EN16-12 | 12 | 6.2 | 5.8 | 7.2 |
|
| |||
10 | 4AWG | EN25-16 | 16 | 7.8 | 7.4 | 9.1 |
|
| |||
11 | 2AWG | EN35-16 | 16 | 8.7 | 8.3 | 10.2 |
|
| |||
3、FFC技术参数:
导体数 N:排线中铜线导体的数目;
间距 P:相邻两条导体中心线之间的距离;
边距 M:最外部一条导体中心线到排线边缘之间的距离:
全间距 TP:最外部两条导体中心线之间的距离,TP=P*(N-1);
总宽度 W:排线两个边缘中间的距离,W=P*(N 1);
总长度 TL:排线两端的距离;
插入厚度 TT:排线两个连接端的厚度;

目前端子连接线广泛应用于各种打印机打印头与主板之间的连接,绘图仪、扫描仪、复印机、音响、液晶电器、传真机、各种影碟机等产品的信号传输及板板连接。在现代电器设备中,几乎无处在。
接线端子型号规格分类说明和选型
接线端子的分类可按几种方式去区分,目前比较常见的方法有三种。按端子原材料去区分比如铜接线端子,按端子功能去划分比如印刷线路板接线端子,最后一种就是较为被市场熟悉的分类按接线端子连接形式去划分,主要有以下几类。
第一类,插拔式接线端子
由两部分插拔连接而成,一部分将线压紧,然后插到另一部分,这部分在焊接到PCB板上。此接底部机械原理,此防振动设计确保了产品长期的气密连接和成品的使用可靠性。
插座两端可加装配耳,装配耳在很大程度上可以保护接片并且可以防止接片排列位置不佳,同时这种插座设计可以保证插座可以正确的插进母体。插座也可以有装配扣位和锁定扣位。
装配扣位可以起到更加稳固地固定到PCB板上,锁定扣位可以在安装完成后锁定母体和插座。各种各样的插座设计可以搭配不同母体的插入方法,比如说:水平、垂直或倾斜向印刷电路板等,可以根据客户的要求选择不同的方式。既可以选择公制线规也可以选择标准线规,是目前市场上最热销的端子类型。
插拔式接线端子命名解释
示例:AY 1.5/2-ST-3.50
AY,是奥宇电器内部产品编号
1.5.指产品的截面积是1.5mm
2,指端子位数,位数可变换参数
ST,指插头
3.50,指间距是3.50可变换参数
倘若:AY 1.5/2-STF-3.50插拔式接线端子,只有ST变成了STF表示的是带旁边螺钉法兰,此外
还有G和GF各自所代表的意义是插座和旁边带螺钉法兰。
第二类,栅栏式接线端子
是能够实现安全、可靠、有效的连接,特别是在大电流,高电压的使用环境中应用比较
广泛。
第三类,弹簧式接线端子
是利用弹簧性装置的新型接线端子,已广泛应用于世界电工和电子工程工业:照明、电
梯升降控制、仪器仪表、电源、化学和汽车动力等。
第四类,轨道式接线端子
采用压线和独特的螺纹自锁设计,使得接线连接可靠、安全。该系列接线端子外观设计
美观大方,可配用多种附件,如短路片、标识条、挡板等。
第五类,H型穿墙式接线端子
采用螺钉连接线技术,绝缘材料为PA66(阻燃等级:U L94,V-0),连接器采用优质的高导电金属材料。
H型穿墙式接线端子可并排安装在为1mm到10mm等厚度的面板上,可自动补偿调整面板厚度的距离,组成任意极数的端子排,而且可以使用隔离板来增加空气间隙和爬电距离。
不需要任何工具便可将穿墙式接线端子牢固的安装在面板上矩形预留孔里,安装极其方便
H型穿墙式接线端子广泛应用于一些需要穿墙解决方案的场合:电源、虑波器、电气控制柜等电子设备。绝缘性能好,防护等级高,用户只需要直接在外部接线后即可进行工作,
省去了许多不必要的接线步骤。WUK系列接线端子的绝缘材料用改性的尼龙(PA66 ),具有良好的电气性能和机械性能。螺丝用高强度的铜合金制成,导电体用电解铜制成,压线框用抗应力裂缝腐蚀的合金铜制成,这些金属表面还镀锡或镀镍加以保护。全铜接线端子可避免钢制金属件和铜导线在潮湿的环境下的电池效应。端子中间有连接孔,可中心连接也可用边插式连接件连接;可接4mm2导线电压为800V电流为41A的电器连接产品
接线端子选型
接线端子的选型,不外乎是线径、电流、接线方向、应用场合、接线方式等线径和电流,在这里就不多说了,也就是线直径的大小和额定电流。接线方向一般有正面接线和侧面出线,主要是为了方便技术人员操作方便,从而提高工作的效率应用场合,这个是一个很常问的问题,接线端子应用的范围较广,比如说你选购接线端子是为了焊在PCB板上,那你就不可能去选择用在导轨上面的接线端子接线方式,一般有对接、悬空、固定等方式通用接线端子的基本构成由绝缘基座、绝缘隔板、线件组成,绝缘基座组成一体。
在面对接线端子选型时大家肯最先想到的就线径、电流、接线方向、应用场合、接线方式等,线径与电流也就是线直径与额定的电流,此外接线方向一般有正面和侧面出线这个设计主要是能够方便技术人员的操作,进而提高工作的效率应用。接线端子应用的范围较广,例如采购的接线端子是为了焊接在PCB线路板上,那你就不可能去选择用在导轨上面的接线端子接线方式,一般有对接、悬空、固定等方式通用接线端子的基本构成由绝缘基座、绝缘隔板、线件组成,绝缘基座组成一体。接线件座于绝缘基座上并置于绝缘隔板内,接线件包括导线夹、螺钉、螺母和支承框,支承框呈U形,导线夹置于支承框内,螺母和螺钉沿支承框U形两端面的长形孔压住导线夹,一
导线夹由上导线夹和导电片组成,上导线夹表面两侧突起多排凸块,凸块上有一至二条凸筋,其特征是导电片上表面两侧突起多排凸块,凸块与上表面中部组成圆弧,圆弧面上有一至二条凸筋,凸块与凸块形成锯齿形,导电片上表面中段为一凸起平台,平台中央开有螺纹孔与绝缘基座经螺栓相连,导电片下表面两端各突起一个定位圆块与U形支承框相连,两块上
导线夹分别置于导电片平台两侧并与导电片夹合在一起时,上导线夹与导电片凸块(相互错开咬合将导线夹住。
一般在定端子之前你要了解你想要什么样子的端子,按端子的功能分类有,普通端子,保险端子,试验端子,接地端子,双层端子,双层导通端子,三层端子,三层导通端子,一进双出端子,一进三出端子,双进双出端子,刀闸端子,过电压保护端子,标记端子等。按电流分类,分为,普通端子(小电流端子),大电流端子(100A以上或25MM线以上)。按外型分类。可分为导轨式端子固定式端子线路板端子(PCB端子)等。
接线端子特征描述:在于每个连接区由绝缘座、U型架、螺母、内六角螺丝及上、下活块构成,上、下活块相对接触面之间设有接线孔,内六角螺丝通过螺母顶在上活块上,其目的是为了将不同粗细的电缆线直接连接在大电流接线端子上。





















