wpo减速机型号参数【一览表】
WPO系列蜗轮蜗杆减速机内部构造:
1、蜗杆:采用S45C以上,经高周波热处理焠火硬化后齿面硬度达HS60。+-3,再加以精细的研磨,有极高的韧性和耐磨性。
2、蜗轮:使用鏻青铜(PBC2)以专用滚齿刀用精密滚齿基滚制而成。
3、外壳:一体成形铸成,有极高的钢型可承受强大的冲击,外型美观有散热片装置,良好的润滑油及材质。
4、材质:80型以下用FC20,100型以上用FC25。
WPO系列蜗轮蜗杆减速机产品规格:
WPO40-10、WPO40-15、WPO40-20、WPO40-25、WPO40-30、WPO40-40、WPO40-50、WPO40-60;
WPO50-10、WPO50-15、WPO50-20、WPO50-25、WPO50-30、WPO50-40、WPO50-50、WPO50-60;
WPO60-10、WPO60-15、WPO60-20、WPO60-25、WPO60-30、WPO60-40、WPO60-50、WPO60-60;
WPO70-10、WPO70-15、WPO70-20、WPO70-25、WPO70-30、WPO70-40、WPO70-50、WPO70-60;
WPO80-10、WPO80-15、WPO80-20、WPO80-25、WPO80-30、WPO80-40、WPO80-50、WPO80-60;
WPO100-10、WPO100-15、WPO100-20、WPO100-25、WPO100-30、WPO100-40、WPO100-50、WPO100-60;
WPO120-10、WPO120-15、WPO120-20、WPO120-25、WPO120-30、WPO120-40、WPO120-50、WPO120-60;
WPO135-10、WPO135-15、WPO135-20、WPO135-25、WPO135-30、WPO135-40、WPO135-50、WPO135-60;
WPO155-10、WPO155-15、WPO155-20、WPO155-25、WPO155-30、WPO155-40、WPO155-50、WPO155-60;
WPO175-10、WPO175-15、WPO175-20、WPO175-25、WPO175-30、WPO175-40、WPO175-50、WPO175-60;
WPO200-10、WPO200-15、WPO200-20、WPO200-25、WPO200-30、WPO200-40、WPO200-50、WPO200-60;
WPO250-10、WPO250-15、WPO250-20、WPO250-25、WPO250-30、WPO250-40、WPO250-50、WPO250-60。
减速机基本结构主要由传动零件蜗轮蜗杆、轴、轴承、箱体及其附件所构成。
可分为有三大基本结构部:箱体、蜗轮蜗杆、轴承与轴组合。箱体是蜗轮蜗杆减速机中所有配件的基座,是支承固定轴系部件、保证传动配件正确相对位置并支撑作用在减速机上荷载的重要配件。蜗轮蜗杆主要作用传递两交错轴之间的运动和动力,轴承与轴主要作用是动力传递、运转并提高效率。
蜗轮蜗杆减速机部分附件解说如下:
油盖/通气器,主要用于排出涡轮蜗杆减速机机箱内的气体;
端盖,分为大端盖和小端盖,端盖为固定轴系部件的轴向位置并承受轴向载荷,轴承座孔两端用轴承盖封闭;
油封;主要使用防止机箱内部的润滑油外泄,提高润滑油的使用时间;
放油螺塞,主要用于更换润滑油时排放污油和清洗济;
油标盖/油标,主要用于观察涡轮蜗杆减速机机箱内部的油量是否达标;
WP系列蜗轮蜗杆减速机产品结构图

WP系列蜗轮蜗杆减速机产品结构图
WP系列蜗轮蜗杆减速机型号说明

蜗轮蜗杆减速机型号说明
WPO蜗轮蜗杆减速机技术参数
WPO蜗轮蜗杆减速机轴指向标识

WPO蜗轮蜗杆减速机轴指向标识
WPO蜗轮蜗杆减速机输入功率及输出轴转矩表

WPO蜗轮蜗杆减速机输入功率及输出轴转矩表
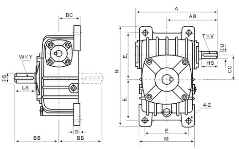
WPO蜗轮蜗杆减速机安装尺寸
WPO蜗轮蜗杆减速机示意图

WPO蜗轮蜗杆减速机示意图
WPO蜗轮蜗杆减速机技术参数表

WPO蜗轮蜗杆减速机技术参数
WPO蜗轮蜗杆减速机实拍照片

单级蜗轮蜗杆减速机

双级蜗轮蜗杆减速机

万用型蜗轮蜗杆减速机
WPO蜗轮蜗杆减速机使用说明
1. 蜗轮蜗杆减速机安装注意事项
(1) 蜗轮蜗杆减速机必须安装在平整坚固的底座上,底脚螺栓必须紧固、防震。
(2) 原动机-减速机-工作机的各联接轴伸,安装后必须互相准确对准轴线。
(3) 减速机输入端及输出端轴伸外径公差尺寸均按h6制作,与之相配的联轴器、皮带轮、链轮等传动件内孔须按合适的公差尺寸配制,避免装配过紧损坏轴承,装配过松影响正常动力传递。
(4) 链轮、齿轮等传动件装上轴伸时,应尽量靠近轴承,以减少轴伸弯曲应力。
(5) WPD型减速机装配时,应在蜗杆头部内孔孔壁及键槽处涂抹黄油,避免装配过紧,防止轴孔日久生锈。
(6) 订购使用各类WPD减速机时,若电机重量偏大,应设支撑装置。
2. 蜗轮蜗杆减速机使用注意事项
(1) 蜗轮蜗杆减速机使用前应注意检查减速机形式结构、中心距规格、传动比、输入轴连接方式、输出轴结构、输入轴输出轴轴指向和回转方向等是否符合使用要求。
(2) 按照“润滑油的选择使用”所规定的要求,注入合适的品种牌号润滑油。加油后,旋紧顶部的通气器,拔掉通气器上之小锥塞,减速机方可开始运转。必须选用合适牌号的润滑油,必须控制适宜的加油量,必须按规定要求及时换油,尤其要重视首次使用100小时后更换新油。
(3) 使用过程中发生不正常情况时,应及时停机检查,可参照“故障原因及解决办法”表处理。(减速机的油温最高允许达到95℃,在此温度界限下,只要油温不再上升,可以放心使用)。