气缸型号规格如何选型【技巧】
关于气缸型号和规格尺寸选型的几个重要的参数图为大家解答:
一、标准气缸是应用最为广泛之一的气缸,常用的有亚德客型SC气缸,SI气缸,SU气缸;DNC费斯托FESTO气缸,SMC型MBB气缸,国产QGB系列等。
二、标准气缸的主要特点和优势,
1、气缸缸径分为32~320mm不等,气缸行程可达到2000mm。
2、气缸前后端盖均有缓冲调节功能,使气缸活塞运行两端平稳,无撞击感。
3、多种气缸安装附件可供选择,灵活多变。
如何进行标准气缸选型呢?首选确认缸径和行程
三、气缸缸径行程
行程就是活塞杆伸出去和缩回来之间的误差距离,有些人会把气缸本身外露算行程,这都是错误的。缸径就是缸筒内壁的直径,一般量外径也是可以估算内径的大小,同等气压下,缸径越大出力越大。
国内常用的标准气缸其功能都是一样的,主要差别是外形安装尺寸以及型号;
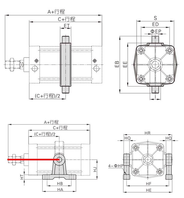
这是一个标准气缸的基本外形图,确认气缸KB的安装距离和确认A+行程气缸总长距离,安装的附件不通需要确认的尺寸也不一样。
四、标准气缸
用法兰板安装需要确认的尺寸,前法兰安装需要确认:法兰到活塞杆红色线的距离和法兰板BD,BF的安装孔距。如果是后安装同理也只要保证法兰到气缸顶端的距离,这个时候气缸本身的安装孔距就并不重要了。
五、标准气缸FA图
用CACB附件安装确保DE孔的直径孔和中心点到气缸活塞顶端的距离,气缸的本身安装孔距就无关要紧。
六、标准气缸CA图纸
用LB脚坐安装需要确认AC+行程安装孔距的距离。方便支架的安装,确认支架底部到活塞杆的中间距离和伸缩长度。
七、标准气缸LB图
TC和TCM中摆附件支架安装保证TC中间轴到气缸的顶端的距离
八、标准气缸TC图
标准气缸的附件是种类最多的,不同的附件能在各种工作环境下保证气缸的安装使用,能达到意想不到的效果。

九、气缸结构是由缸筒、端盖、活塞、活塞杆和密封件等组成.
1.缸筒
缸筒的内径大小代表了气缸输出力的大小。活塞要在缸筒内做平稳的往复滑动,缸筒内表面的表面粗糙度应达到Ra0.8μm。CM2气缸活塞上采用组合密封圈实现双向密封,活塞与活塞杆用压铆链接,不用螺母。
2.端盖
端盖上设有进排气通口,有的还在端盖内设有缓冲机构。杆侧端盖上设有密封圈和防尘圈,以防止从活塞杆处向外漏气和防止外部灰尘混入缸内。杆侧端盖上设有导向套,以提高气缸的导向精度,承受活塞杆上少量的横向负载,减小活塞杆伸出时的下弯量,延长气缸使用寿命。导向套通常使用烧结含油合金、前倾铜铸件。端盖过去常用可锻铸铁,为减轻重量并防锈,常使用铝合金压铸,微型缸有使用黄铜材料的。
3.活塞
活塞是气缸中的受压力零件。为防止活塞左右两腔相互窜气,设有活塞密封圈。活塞上的耐磨环可提高气缸的导向性,减少活塞密封圈的磨耗,减少摩擦阻力。耐磨环长使用聚氨酯、聚四氟乙烯、夹布合成树脂等材料。活塞的宽度由密封圈尺寸和必要的滑动部分长度来决定。滑动部分太短,易引起早期磨损和卡死。活塞的材质常用铝合金和铸铁,小型缸的活塞有黄铜制成的。
4.活塞杆
活塞杆是气缸中最重要的受力零件。通常使用高碳钢、表面经镀硬铬处理、或使用不锈钢、以防腐蚀,并提高密封圈的耐磨性。
5.密封圈
回转或往复运动处的部件密封称为动密封,静止件部分的密封称为静密封。
缸筒与端盖的连接方法主要有以下几种:
整体型、铆接型、螺纹联接型、法兰型、拉杆型。
6.气缸工作时要靠压缩空气中的油雾对活塞进行润滑。也有小部分免润滑气缸。