车刀刀片型号解释【大全】
车刀是用于车削加工的、具有一个切削部分的刀具。车刀是切削加工中应用最广的刀具之一。车刀的工作部分就是产生和处理切屑的部分,包括刀刃、使切屑断碎或卷拢的结构、排屑或容储切屑的空间、切削液的通道等结构要素。那么,大家知道车刀刀片型号解释是怎样的吗,接下来小编为大家简单介绍一下。


可转位精密车刀是车削工具系统中主要部件,规格、品种较多的产品之一,精密级产品,车刀的主要尺寸公差控制在±0.08mm以内。

螺钉夹紧式外圆车刀

型 号 | b | h | h1 | f | l2 | l1 | 刀尖半径 | 配用刀片 | 螺钉 | 扳 手 |
SDJCR/L 1010E07 | 10 | 10 | 10 | 12 | 17 | 70 | 0.4 | DCMT070204 | M2.5x5 | T8 |
SDJCR/L 1212H07 | 12 | 12 | 12 | 16 | 14 | 100 | ||||
SDJCR/L 1616H11 | 16 | 16 | 16 | 20 | 18 | 100 | 0.8 | DCMT11T308 | M4x9 | T15 |
SDJCR/L2020K11 | 20 | 20 | 20 | 25 | 26 | 125 | ||||
SDJCR/L2525M11 | 25 | 25 | 25 | 32 | 26 | 150 |

型 号 | b | h | h1 | f | l2 | l1 | 刀尖半径 | 配用刀片 | 螺钉 | 扳 手 |
SDNCN 1010H07 | 10 | 10 | 10 | 5 | 14 | 100 | 0.4 | DCMT070204 | M2.5x5 | T8 |
SDNCN 1212H07 | 12 | 12 | 12 | 6 | ||||||
SDNCN 1616H11 | 16 | 16 | 16 | 8 | 21 | 0.8 | DCMT11T308 | M4x9 | T15 | |
SDNCN 2020K11 | 20 | 20 | 20 | 10.5 | 25 | 125 | ||||
SDNCN 2525M11 | 25 | 25 | 25 | 13 | 25 | 150 |

型 号 | b | h | h1 | f | l2 | l1 | 刀尖半径 | 配用刀片 | 螺钉 | 扳 手 |
SDNCR/L 1212H07 | 12 | 12 | 12 | 18 | 100 | 105 | 0.4 | DCMT070204 | M2.5x5 | T8 |
SDNCR/L 1616H11 | 16 | 16 | 16 | 25 | 107 | 0.8 | DCMT11T308 | M4x9 | T15 | |
SDNCR/L 2020K11 | 20 | 20 | 20 | 29.5 | 116 | 125 | ||||
SDNCR/L 2525M11 | 25 | 25 | 25 | 34.5 | 141 | 150 |
螺钉夹紧式外圆车刀SDJCR/L、SDPCN、SDPCR/L、SSDPN、STACR/L、SCGCR/L、SCFCR/L、SCLCR/L、SRDCN、SRGCR/L、SVJBR/L、SVVBN、SVHBR/L

型 号 | b | h | h1 | f | l2 | l1 | 刀尖半径 | 配用刀片 | 螺钉 | 扳 手 |
SSDPN 1010H09 | 10 | 10 | 10 | 5 | 12 | 100 | 0.4 | SCMT09T308 | M4x9 | T15 |
SSDPN 1212H09 | 12 | 12 | 12 | 6 | ||||||
SSDPN 1616H09 | 16 | 16 | 16 | 8 | 14 | 0.8 | ||||
SSDPN 2020K09 | 20 | 20 | 20 | 10 | 25 | 125 | ||||
SSDPN 2525M09 | 25 | 25 | 25 | 12.5 | 25 | 150 |

型 号 | b | h | h1 | f | l2 | l1 | 刀尖半径 | 配用刀片 | 螺钉 | 扳 手 | ||||||||||||||||||||||||||||||||||||||||||||||||
STACR/L 0808H09 | 8 | 8 | 8 | 8 | 10.5 | `100 | 0.4 | TCMT090204 | M2.5x5 | T8 | ||||||||||||||||||||||||||||||||||||||||||||||||
STACR/L 1010H09 | 10 | 10 | 10 | 10 | ||||||||||||||||||||||||||||||||||||||||||||||||||||||
STACR/L 1212H09 | 12 | 12 | 12 | 12 | ||||||||||||||||||||||||||||||||||||||||||||||||||||||
STAPR/L 1616H11 | 16 | 16 | 16 | 16 | 13 | TCMT110204 | ||||||||||||||||||||||||||||||||||||||||||||||||||||
STAPR/L 2020K11 | 20 | 20 | 20 | 25 | 18 | 125 | ||||||||||||||||||||||||||||||||||||||||||||||||||||
STAPR/L 2525M11 | 25 | 25 | 25 | 32 | 25 | 150 | ||||||||||||||||||||||||||||||||||||||||||||||||||||
| ||||||||||||||||||||||||||||||||||||||||||||||||||||||||||
| ||||||||||||||||||||||||||||||||||||||||||||||||||||||||||
螺钉夹紧式外圆车刀
型 号 | b | h | h1 | f | l2 | l1 | 刀尖半径 | 配用刀片 | 螺钉 | 扳 手 |
SCFCR/L 1212H06 | 12 | 12 | 12 | 16 | 16 | 100 | 0.4 | CCMT0602 | M2.5x5 | T8 |
SCFCR/L 1616H09 | 16 | 16 | 16 | 20 | 0.8 | CCMT09T308 | M4x9 | T15 | ||
SCFCR/L 2020K09 | 20 | 20 | 20 | 25 | 25 | 125 | ||||
SCFCR/L 2525M09 | 25 | 25 | 25 | 32 | 25 | 150 |

型 号 | b | h | h1 | f | l2 | l1 | 刀尖半径 | 配用刀片 | 螺钉 | 扳 手 |
SCLCR/L 1212H06 | 12 | 12 | 12 | 16 | 12 | 100 | 0.4 | CCMT060204 | M2.5x5 | T8 |
SCLCR/L 1616H09 | 16 | 16 | 16 | 20 | 16 | 0.8 | CCMT09T308 | M4x9 | T15 | |
SCLCR/L 2020K09 | 20 | 20 | 20 | 25 | 25 | 125 | ||||
SCLCR/L 2525M09 | 25 | 25 | 25 | 32 | 25 | 150 |

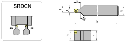
型 号 | b | h | h1 | f | l2 | l1 | A | 配用刀片 | 螺钉 | 扳 手 |
SRDCN 1616H08 | 16 | 16 | 16 | 12 | 13 | 100 | 8 | RCMT0803MO | M3x6 | T8 |
SRDCN 2020K08 | 20 | 20 | 20 | 14 | 125 | |||||
SRDCN 2525M12 | 25 | 25 | 25 | 18.5 | 150 | 12 | RCMT1204MO | M4x9 | T15 |

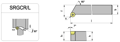
型 号 | b | h | h1 | f | l | A | 配用刀片 | 螺钉 | 扳 手 |
SRGCR/L 1616H08 | 16 | 16 | 16 | 20 | 100 | 8 | RCMT0803MO | M3x6 | T8 |
SRGCR/L 2020K08 | 20 | 20 | 20 | 25 | 125 | ||||
SRGCR/L 2525M10 | 25 | 25 | 25 | 32 | 150 | 12 | RCMT1204MO | M4x9 | T15 |
螺钉夹紧式外圆车刀

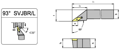
型 号 | b | h | h1 | f | l2 | l1 | 刀尖半径 | 配用刀片 | 螺钉 | 扳 手 |
SVJBR/L 1212F11 | 12 | 12 | 12 | 16 | 25 | 80 | 0.4 | VBMT110204 | M2.5x5 | T8 |
SVJBR/L 1616H11 | 16 | 16 | 16 | 20 | 25 | 100 | ||||
SVJBR/L 2020K16 | 20 | 20 | 20 | 25 | 35 | 125 | VBMT160404 | |||
SVJBR/L 2525M16 | 25 | 25 | 25 | 32 | 35 | 150 |

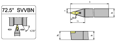
型 号 | b | h | h1 | f | l2 | l1 | 刀尖半径 | 配用刀片 | 螺钉 | 扳 手 |
SVVBN 1212F11 | 12 | 12 | 12 | 6 | 25 | 80 | 0.4 | VBMT110204 | M2.5x5 | T8 |
SVVBN 1616H11 | 16 | 16 | 16 | 8 | 25 | 100 | ||||
SVVBN2020K11 | 20 | 20 | 20 | 10 | 25 | 125 | ||||
SVVBN2525M16 | 25 | 25 | 25 | 12.5 | 40 | 150 | VBMT160404 |

型 号 | b | h | h1 | f | l2 | l1 | 刀尖半径 | 配用刀片 | 螺 钉 | 扳 手 |
SVHBR/L 2020K16 | 20 | 20 | 20 | 25 | 32 | 125 | 0.4 | VBMT160404 | M2.5x5 | T8 |
SVHBR/L 2525M16 | 25 | 25 | 25 | 32 | 32 | 150 | ||||
SVHBR/L 3225P16 | 25 | 32 | 32 | 32 | 32 | 170 |
螺钉夹紧式内孔车刀

型 号 | 最小加工直径D | d | f | l1 | l2 | H | B | α° | a | 刀尖 | 配用刀片 | 螺 钉 | 扳手 |
S08H-STFP R/L 09 | 10 | 8 | 5.5 | 100 | 16 | 7 | 8 | 8° | 8.5 | 0.4 | TCMT090204 | M2.5x5 | T8 |
S10K-STFP R/L 11 | 12 | 10 | 6.5 | 125 | 20 | 9 | 10 | 6° | 10 | TCMT110204 | |||
S12M-STFP R/L 11 | 16 | 12 | 9 | 150 | 24 | 11 | 11.5 | 4° | |||||
S16Q-STFP R/L 13 | 20 | 16 | 11 | 180 | 30 | 15 | 15.5 | 3° | 12.7 | TCMT110204 | |||
S20R-STFP R/L 13 | 24 | 20 | 13 | 200 | 40 | 18 | 19 | 2° | |||||
S25S-STFP R/L 16 | 31 | 25 | 17 | 250 | 45 | 23 | 24 | 0° | 14.5 | 0.8 | TCMT160308 | M4x9 | T15 |
S32T-STFP R/L 16 | 39 | 32 | 22 | 300 | 50 | 30 | 31 |

型 号 | 最小加工直径D | d | f | l1 | l2 | H | B | α° | a | 刀尖 | 配用刀片 | 螺 钉 | 扳手 |
S10H-STUP R/L 11 | 12 | 10 | 6.5 | 100 | 25 | 9 | 9.5 | 6° | 10 | 0.4 | TCMT110204 | M2.5x5 | T8 |
S12K-STUP R/L 11 | 16 | 12 | 9 | 125 | 11 | 11.5 | 4° | ||||||
S12F-STUP R/L 11 | 80 | ||||||||||||
S16M-STUP R/L 11 | 20 | 16 | 11 | 150 | 30 | 14 | 15 | 3° | |||||
S20Q-STUP R/L 11 | 24 | 20 | 13 | 180 | 35 | 18 | 18.5 | 2° | |||||
S25R-STUP R/L 16 | 31 | 25 | 17 | 200 | 45 | 23 | 22.5 | 0° | 14.5 | 0.8 | TCMT160308 | M4x9 | T15 |
S32S-STUP R/L 16 | 39 | 32 | 22 | 250 | 50 | 30 | 29.5 |

型 号 | 最小加工 | d | f | l1 | l2 | H | B | α° | a | 刀尖 | 配用刀片 | 螺 钉 | 扳手 |
S10K-STLP R/L 11 | 12 | 10 | 6.5 | 125 | 20 | 9 | 10 | 6° | 10 | 0.4 | TCMT110204 | M2.5x5 | T8 |
S12M-STLP R/L 11 | 16 | 12 | 9 | 150 | 24 | 11 | 11.5 | 4° | |||||
S16Q-STLP R/L 13 | 20 | 16 | 11 | 180 | 30 | 15 | 15.5 | 3° | 12.7 | TCMT110204 | |||
S20R-STLP R/L 13 | 24 | 20 | 13 | 200 | 40 | 18 | 19 | 2° | |||||
S25S-STLP R/L 16 | 31 | 25 | 17 | 250 | 45 | 23 | 24 | 0° | 14.5 | 0.8 | TCMT160308 | M4x9 | T15 |
S32T-STLP R/L 16 | 39 | 32 | 22 | 300 | 50 | 30 | 31 |
螺钉夹紧式内孔车刀S-STFPR/L、S-STUPR/L、S-STLPR/L、S-SSKPR/L、S-SCLCR/L、S-SDUCR/L

型 号 | 最小加工直径D | d | f | l1 | l2 | H | B | α° | a | 刀尖半径 | 配用刀片 | 螺 钉 | 扳手 |
S16Q-SSKPR/L 09 | 20 | 16 | 11 | 180 | 30 | 15 | 15.5 | 6° | 8.2 | 0.4 | SCMT09T304 | M4x9 | T15 |
S20R-SSKPR/L 09 | 24 | 20 | 13 | 200 | 40 | 18 | 19 | 2° | |||||
S25S-SSKPR/L 12 | 31 | 25 | 17 | 250 | 45 | 23 | 24 | 11.3 | SCMT120404 | M5x12 | T20 | ||
S32T-SSKPR/L 12 | 39 | 32 | 22 | 300 | 50 | 30 | 31 | 0° |

型 号 | 最小加工 | d | f | l1 | l2 | H | B | α° | a | 刀尖半径 | 配用刀片 | 螺 钉 | 扳手 |
S10K-SCLCR/L 06 | 13 | 10 | 7 | 125 | 25 | 9 | 9.5 | 12° | 6.0 | 0.4 | CCMT060204 | M2.5x5 | T8 |
S12M-SCLCR/L 06 | 16 | 12 | 9 | 150 | 11 | 11.5 | 10° | ||||||
S16Q-SCLCR/L 09 | 20 | 16 | 11 | 180 | 30 | 14 | 15 | 9.5 | 0.8 | CCMT09T308 | M4x9 | T15 | |
S20R-SCLCR/L 09 | 25 | 20 | 13 | 200 | 35 | 18 | 18.5 | 8° | |||||
S25S-SCLCR/L 09 | 32 | 25 | 17 | 250 | 40 | 23 | 22.5 | 6° |

型 号 | 最小加工 | d | f | l1 | l2 | H | B | α° | a | 刀尖 | 配用刀片 | 螺 钉 | 扳手 |
S12M-SDUCR/L 07 | 16 | 12 | 9 | 150 | 25 | 11 | 11.5 | 8° | 7.0 | 0.4 | DCMT070204 | M2.5x5 | T8 |
S16Q-SDUCR/L 07 | 20 | 16 | 11 | 180 | 30 | 14 | 15 | 6° | |||||
S20R-SDUCR/L 11 | 25 | 20 | 13 | 200 | 35 | 18 | 18.5 | 8° | 10.5 | 0.8 | DCMT11T308 | M4x9 | T15 |
复合上压式车刀
型 号 | b | h.h1 | l1 | f | l2 | a | 刀尖半径 | 配用刀片 |
MSBNR/L 2020K12 | 20 | 20 | 125 | 17 | 33.5 | 11 | 0.8 | SNMG120408 |
MSBNR/L 2525M12 | 25 | 25 | 150 | 22 | ||||
MSBNR/L 3225P15 | 25 | 32 | 170 | 22 | 38 | 14 | 1.2 | SNMG150612 |
MSBNR/L 4040R19 | 40 | 40 | 200 | 35 | 38 | 17 | SNMG190612 |

型 号 | b | h.h1 | l1 | f | l2 | a | 刀尖半径 | 配用刀片 |
MSDNN 2020K12 | 20 | 20 | 125 | 10.0 | 34 | 8 | 0.8 | SNMG120408 |
MSDNN 2525M12 | 25 | 25 | 150 | 12.5 | ||||
MSDNN 3225P15 | 25 | 32 | 170 | 12.5 | 42 | 10 | 1.2 | SNMG150612 |

型 号 | b | h.h1 | l1 | f | l2 | a | 配用刀片 |
MSKNR/L 2020K12 | 20 | 20 | 125 | 25 | 29 | 11 | SNMG120408 |
MSKNR/L 2525M12 | 25 | 25 | 150 | 32 | |||
MSKNR/L 3225P15 | 25 | 32 | 170 | 32 | 38 | 14 | SNMG150612 |
MSKNR/L 4040R19 | 40 | 40 | 200 | 50 | 17 | SNMG190612 |
复合上压式车刀
型 号 | b | h.h1 | l1 | f | l2 | a | 配用刀片 |
MSSNR/L 2020K12 | 20 | 20 | 125 | 25 | 34 | 8 | SNMG120408 |
MSSNR/L 2525M12 | 25 | 25 | 150 | 32 | |||
MSSNR/L 3225P15 | 25 | 32 | 170 | 32 | 38 | 10 | SNMG150612 |

型 号 | f | h1 | l2 | b | h | l1 | A | 配用刀片 |
MRGNR/L 2020K12 | 25 | 20 | 28 | 20 | 20 | 125 | ?12 | RNMG1204 |
MRGNR/L 2525M12 | 32 | 25 | 25 | 25 | 150 | |||
MRGNR/L 3225P12 | 32 | 32 | 32 | 25 | 32 | 170 |

型 号 | f | h1 | l2 | b | h | l1 | a | 刀尖半径 | 配用刀片 |
MDPNN 2020K15 | 10 | 20 | 45 | 20 | 20 | 125 | 12 | 0.8 | DNMG150608 |
MDPNN 2525M15 | 12.5 | 25 | 25 | 25 | 150 | ||||
MDPNN 3225P15 | 32 | 32 | 170 |
复合上压式车刀MSBNR/L、MSDNN、MSKNR/L、MSSNR/L、MRGNR/L、MDPNN、MTGNR/L、MCLNR/L、MTFNR/L、MWLNR/L、MDJNR/L、MDHNR/L

型 号 | f | h1 | l2 | b | h | l1 | a | 刀尖半径 | 配用刀片 |
MTGNR/L 2020K16 | 25 | 20 | 28 | 20 | 20 | 125 | 14.5 | 0.8 | TNMG160408 |
MTGNR/L 2525M16 | 32 | 25 | 25 | 25 | 150 | ||||
MTGNR/L 3225P22 | 32 | 32 | 32 | 170 | 20 | TNMG220408 | |||
MTGNR/L 4040R27 | 50 | 40 | 38 | 40 | 40 | 200 | 24.5 | 1.2 | TNMG270612 |

型 号 | F | f1 | h1 | l2 | b | h | l1 | a | 刀尖半径 | 配用刀片 |
MCLNR/L 2020K12 | 25 | 18 | 20 | 30 | 20 | 20 | 125 | 12 | 0.8 | CNMG120408 |
MCLNR/L 2525M12 | 32 | 25 | 25 | 25 | 150 | |||||
MCLNR/L 3225P16 | 22 | 32 | 35 | 32 | 170 | 14.5 | 1.2 | CNMG160612 | ||
MCLNR/L 4040R19 | 50 | 30 | 40 | 38 | 40 | 40 | 200 | 18 | CNMG190612 |

型 号 | f | f1 | h1 | l2 | b | h | l1 | a | 刀尖半径 | 配用刀片 |
MTFNR/L 2020K16 | 25 | 18 | 20 | 24.5 | 20 | 20 | 125 | 14.5 | 0.8 | TNMG160408 |
MTFNR/L 2525M16 | 32 | 25 | 25 | 25 | 150 | |||||
MTFNR/L 3225P22 | 24 | 32 | 32 | 32 | 170 | 20 | TNMG220408 | |||
MTFNR/L 4040R27 | 50 | 30 | 40 | 31 | 40 | 40 | 200 | 24.5 | 1.2 | TNMG270612 |
复合上压式车刀

型 号 | f | h1 | l2 | b | h | l1 | a | 刀尖半径 | 配用刀片 |
MWLNR/L 2020K08 | 25 | 20 | 25 | 20 | 20 | 125 | 8.5 | 0.8 | WNMM080408 |
MWLNR/L 2525M08 | 32 | 25 | 25 | 25 | 150 | ||||
MWLNR/L 3225P10 | 32 | 30 | 32 | 170 | 10.5 | 1.2 | WNMM100612 | ||
MWLNR/L 4040R10 | 50 | 40 | 40 | 40 | 200 |

型 号 | f | f1 | h1 | l2 | b | h | l1 | a | 刀尖半径 | 配用刀片 |
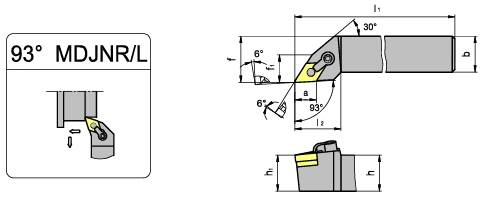
MDJNR/L 2020K15 | 25 | 19 | 20 | 38 | 20 | 20 | 125 | 14 | 0.8 | DNMG150608 |
MDJNR/L 2525M15 | 32 | 25 | 25 | 25 | 150 | |||||
MDJNR/L 3225P15 | 32 | 32 | 170 |

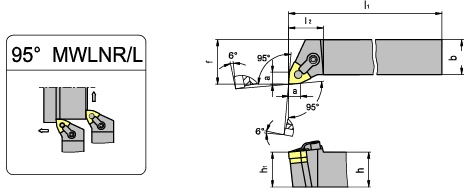
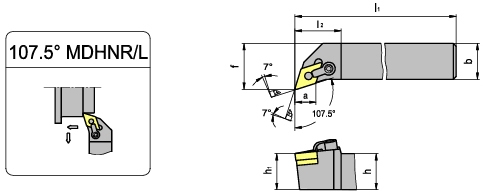
型 号 | f | h1 | l2 | b | h | l1 | a | 刀尖半径 | 配用刀片 |
MDHNR/L 2020K15 | 25 | 20 | 38 | 20 | 20 | 125 | 14 | 08 | DNMG150608 |
MDHNR/L 2525M15 | 32 | 25 | 25 | 25 | 150 | ||||
MDHNR/L 3225P15 | 32 | 32 | 170 |
杠杆式车刀PSBNR/L、PSDNN、PSSNR/L、PCFNR/L、PSKNR/L、PCBNR/L、PTGNR/L、PCLNR/L、PTFNR/L、 PDPNN、PDJNR/L、PDHNR/L、PRGNR/L

型 号 | f | h1 | l2 | b | h | l1±0.08 | a | 刀尖半径 | 配用刀片 |
PSBNR/L 1616H09 | 13 | 16 | 22 | 16 | 16 | 100 | 8 | 0.8 | SNMG090308 |
PSBNR/L 2020K12 | 17 | 20 | 28 | 20 | 20 | 125 | 11 | SNMG120408 | |
PSBNR/L 2525M12 | 22 | 25 | 24 | 25 | 25 | 150 | |||
PSBNR/L 3225P15 | 32 | 35 | 32 | 170 | 13.5 | 1.2 | SNMG150612 | ||
PSBNR/L 4040R19 | 35 | 40 | 40 | 40 | 40 | 200 | 16.5 | SNMG190612 |

型 号 | f | h1 | l2 | b | h | l±0.08 | a | 刀尖半径 | 配用刀片 |
PSDNN 1616H09 | 8.0 | 16 | 22 | 16 | 16 | 100 | 5.5 | 0.8 | SNMG090308 |
PSDNN 2020K12 | 10.3 | 20 | 30 | 20 | 20 | 125 | 8 | SNMG120408 | |
PSDNN 2525M12 | 12.8 | 25 | 25 | 25 | 150 | ||||
PSDNN 3225P12 | 32 | 32 | 170 | 1.2 | SNMG150612 |

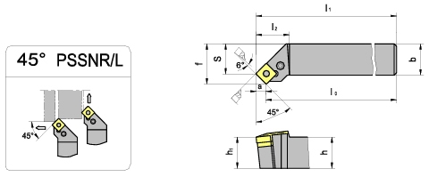
型 号 | f | S | h1 | l2 | b | h | l1±0.08 | l0 | a | 刀尖半径 | 配用刀片 |
PSSNR/L 1616H09 | 20 | 13.9 | 16 | 22 | 16 | 16 | 100 | 93.9 | 5.5 | 0.8 | SNMG090308 |
PSSNR/L 2020K12 | 25 | 16.7 | 20 | 30 | 20 | 20 | 125 | 116.7 | 8 | SNMG120408 | |
PSSNR/L 2525M12 | 32 | 23.7 | 25 | 25 | 25 | 150 | 141.7 | ||||
PSSNR/L 3225P12 | 32 | 32 | 170 | 161.7 | 1.2 | SNMG150608 | |||||
PSSNR/L 4040R19 | 50 | 32.5 | 40 | 40 | 40 | 40 | 200 | 187.5 | 12 | SNMG190612 |
杠杆式车刀
型 号 | f | f1 | h1 | l2 | b | h | l1 | a | 刀尖半径 | 配用刀片 |
PCFNR/L 2020K12 | 25 | 18 | 20 | 28 | 20 | 20 | 125 | 12 | 0.8 | CNMG120408 |
PCFNR/L 2525M12 | 32 | 25 | 25 | 25 | 150 | |||||
PCFNR/L 3225P12 | 32 | 32 | 170 |

型 号 | f | f1 | h1 | l2 | b | h | l1 | l0 | a | 刀尖半径 | 配用刀片 |
PSKNR/L 1616H09 | 20 | 15 | 16 | 17 | 16 | 16 | 100 | 102 | 8 | 0.8 | SNMG090308 |
PSKNR/L 2020K12 | 25 | 17 | 20 | 22 | 20 | 20 | 125 | 128 | 11 | SNMG120408 | |
PSKNR/L 2525M12 | 32 | 25 | 25 | 25 | 150 | 153 | |||||
PSKNR/L 3232P15 | 40 | 22 | 32 | 30 | 32 | 32 | 170 | 174 | 13.5 | 1.2 | SNMG150612 |
PSKNR/L 4040R19 | 50 | 27 | 40 | 40 | 40 | 40 | 200 | 205 | 16.5 | SNMG190612 |

型 号 | f | h1 | l2 | b | h | l1 | a | 刀尖半径 | 配用刀片 |
PCBNR/L 2020K12 | 17 | 20 | 28 | 20 | 20 | 125 | 11 | 0.8 | CNMG120408 |
PCBNR/L 2525M12 | 22 | 25 | 25 | 25 | 150 | ||||
PCBNR/L 3225P16 | 32 | 31 | 32 | 170 | 14.5 | 1.2 | CNMG160612 |
杠杆式车刀
型 号 | f | f1 | h1 | l2 | b | h | l1 | a | 刀尖半径 | 配用刀片 |
PTGNR/L 1616H16 | 20 | 16 | 16 | 22 | 16 | 16 | 100 | 14.5 | 0.8 | TNMG160408 |
PTGNR/L 2020K16 | 25 | 20 | 20 | 20 | 125 | |||||
PTGNR/L 2525M16 | 32 | 21 | 25 | 25 | 25 | 150 | ||||
PTGNR/L 3225P22 | 24 | 32 | 28 | 32 | 170 | 20 | 1.2 | TNMG220412 | ||
PTGNR/L 4040R27 | 50 | 30 | 40 | 35 | 40 | 40 | 200 | 24.5 | TNMG270612 |

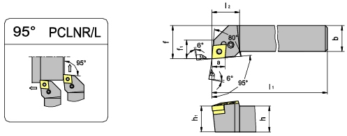
型 号 | f | f1 | h1 | l2 | b | h | l1 | a | 刀尖半径 | 配用刀片 |
PCLNR/L 1616H09 | 20 | - | 16 | 26 | 16 | 16 | 100 | 12 | 0.8 | CNMG090308 |
PCLNR/L 2020K12 | 25 | 18 | 20 | 28 | 20 | 20 | 125 | CNMG120408 | ||
PCLNR/L 2525M12 | 32 | 25 | 25 | 25 | 150 | |||||
PCLNR/L 3225P12 | 32 | 32 | 170 | |||||||
PCLNR/L 4040R12 | 50 | 25 | 40 | 40 | 40 | 40 | 200 | 18 | 1.2 | CNMG120412 |

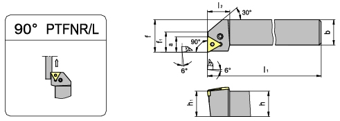
型 号 | f | f1 | h1 | l2 | b | h | l1 | a | 刀尖半径 | 配用刀片 |
PTFNR/L 1616H16 | 20 | 18 | 16 | 22 | 16 | 16 | 100 | 14.5 | 0.8 | TNMG160408 |
PTFNR/L 2020K16 | 25 | 17.5 | 20 | 20 | 20 | 125 | ||||
PTFNR/L 2525M16 | 32 | 20 | 25 | 25 | 25 | 150 | ||||
PTFNR/L 3232P22 | 24 | 32 | 28 | 32 | 170 | 20 | TNMG220412 | |||
PTFNR/L 4040R27 | 50 | 30 | 40 | 31 | 40 | 40 | 200 | 24.5 | 1.2 | TNMG270612 |
杠杆式车刀

型 号 | f | h1 | l2 | b | h | l1 | a | 刀尖半径 | 配用刀片 |
PDPNN 2525M15 | 12.5 | 25 | 36 | 25 | 25 | 150 | 12 | 0.8 | DNMG150608 |
PDPNN 3232P15 | 32 | 32 | 170 |

型 号 | f | f1 | h1 | l2 | b | h | l1 | a | 刀尖半径 | 配用刀片 |
PDJNR/L 2020K15 | 25 | 19 | 20 | 32 | 20 | 20 | 125 | 14 | 0.8 | DNMG150608 |
PDJNR/L 2525M15 | 32 | 25 | 25 | 25 | 150 | |||||
PDJNR/L 3225P15 | 32 | 32 | 170 |

型 号 | f | h1 | l2 | b | h | l1±0.08 | a | 刀尖半径 | 配用刀片 |
PDHNR/L 2020K15 | 25 | 20 | 32 | 20 | 20 | 125 | 14 | 0.8 | DNMG150608 |
PDHNR/L 2525M15 | 32 | 25 | 25 | 25 | 150 | ||||
PDHNR/L 3225P15 | 32 | 32 | 170 |

型 号 | f | h1 | l2 | b | h | l1 | a | 配用刀片 |
PRGNR/L 2020K09 | 25 | 20 | 19 | 20 | 20 | 125 | 9.52 | RNGA0903 |
PRGNR/L 2525M09 | 32 | 25 | 25 | 25 | 25 | 150 | ||
PRGNR/L 2525M12 | 12.7 | RNMG1204 | ||||||
PRGNR/L 3225P12 | 32 | 32 | 33 | 25 | 32 | 170 |
切断(槽)刀型号说明
QZQ1616RL、QZQ2020RL、QZQ2525RL、QZQ3225RL

切断(槽)刀

型号 | 尺寸 | 刀片型号 | 螺 钉 | 扳 手 | |||||
h | b(h) | L | f | B | armax | ||||
QZQ1616R/L03 | 16 | 16 | 100 | 16.4 | 3 | 16 | ZQMX3N11-1E | M5X16 | S4 |
QZQ1616R/L 04 | 4 | ZQMX4N11-1E | |||||||
QZQ2020R/L 03 | 20 | 20 | 125 | 20.4 | 3 | 20 | ZQMX3N11-1E | M6X14 | S5 |
QZQ2020R/L 04 | 4 | ZQMX4N11-1E | |||||||
QZQ2525R/L 03 | 25 | 25 | 150 | 25.4 | 3 | ZQMX3N11-1E | M6X16 | ||
QZQ2525R/L 04 | 4 | ZQMX4N11-1E | |||||||
QZQ2525R/L 05 | 5 | 25 | ZQMX5N11-1E | ||||||
QZQ2525R/L 06 | 25.7 | 6 | 32 | ZQMX6N11-1E | |||||
QZQ3225R/L 03 | 32 | 170 | 25.4 | 3 | 25 | ZQMX3N11-1E | M8X20 | S6 | |
QZQ3225R/L 04 | 4 | ZQMX4N11-1E | |||||||
QZQ3225R/L 05 | 5 | ZQMX5N11-1E | |||||||
QZQ3225R/L 06 | 25.7 | 6 | 32 | ZQMX6N11-1E | |||||
螺纹车刀型号说明

外螺纹车刀

型号 | h | h1 | b | L | f | 配用刀片 | 螺 钉 | 扳 手 |
SE R/L 1616H16 | 16 | 16 | 16 | 100 | 20 | 16ER/L | M3.5x14 | T15 |
SE R/L 2020K16 | 20 | 20 | 20 | 125 | 25 | |||
SE R/L 2525M16 | 25 | 25 | 25 | 150 | 32 | |||
SE R/L 3225P16 | 32 | 32 | 25 | 170 | ||||
SE R/L 3232P16 | 32 | 32 | 32 | 170 | 40 | |||
SE R/L 2525M22 | 25 | 25 | 25 | 150 | 32 | 22ER/L | M4x15 | T20 |
SE R/L 3225P22 | 32 | 32 | 25 | 170 | 32 | |||
SE R/L 3232P22 | 32 | 32 | 32 | 170 | 40 |
内螺纹车刀SER/L,SNR/L

型号 | d | f | L | h | D | B | l | 刀片 | 螺钉 |
SN R/L 0010H11 | 10 | 7.2 | 100 | 9 | 12 | 9.5 | 25 | 11NR/L | M3x5 |
SN R/L 0012K11 | 12 | 9 | 125 | 11 | 16 | 11.5 | 32 | ||
SN R/L 0016M16 | 16 | 12 | 150 | 15 | 20 | 15.5 | 32 | 16NR/L | M3.5x9 |
SN R/L 0020Q16 | 20 | 14 | 180 | 18 | 25 | 19 | 40 |
扩展资料:
使用技巧:
车刀种类和用途车刀是应用最广的一种单刃刀具。也是学习、分析各类刀具的基础。车刀用于各种车床上,加工外圆、内孔、端面、螺纹、车槽等。车刀按结构可分为整体车刀、焊接车刀、机夹车刀、可转位车刀和成型车刀。其中可转位车刀的应用日益广泛,在车刀中所占比例逐渐增加。
1、硬质合金焊接车刀所谓焊接式车刀,就是在碳钢刀杆上按刀具几何角度的要求开出刀槽,用焊料将硬质合金刀片焊接在刀槽内,并按所选择的几何参数刃磨后使用的车刀。
二、机夹车刀是采用普通刀片,用机械夹固的方法将刀片夹持在刀杆上使用的车刀。
此类刀具有如下特点:
(1)由于刀具耐用度提高,使用时间较长,换刀时间缩短,提高了生产效率。
(2)压紧刀片所用的压板端部,可以起断屑器作用。机械夹固式车刀特点(1)刀片不经过高温焊接,避免了因焊接而引起的刀片硬度下降、产生裂纹等缺陷,提高了刀具的耐用度。
(3)刀片重磨后,尺寸会逐渐变小,为了恢复刀片的工作位置,往往在车刀结构上设有刀片的调整机构,以增加刀片的重磨次数。
(4)压紧刀片所用的压板端部,可以起断屑器作用。 可转位车刀是使用可转位刀片的机夹车刀。一条切削刃用钝后可迅速转位换成相邻的新切削刃,即可继续工作,直到刀片上所有切削刃均已用钝,刀片才报废回收。更换新刀片后,车刀又可继续工作。
三、可转位车刀可转位车刀是使用可转位刀片的机夹车刀。
1.可转位刀具的优点与焊接车刀相比,可转位车刀具有下述优点:
(1)刀具寿命高由于刀片避免了由焊接和刃磨高温引起的缺陷。
(2)生产效率高由于机床操作工人不再磨刀,可大大减少停机换刀等辅助时间。
(3)有利于推广新技术、新工艺可转位刀有利于推广使用涂层、陶瓷等新型刀具材料。
(4)有利于降低刀具成本由于刀杆使用寿命长,大大减少了刀杆的消耗和库存量,简化了刀具的管理工作,降低了刀具成本。
2.可转位车刀刀片的夹紧特点与要求:
(1)定位精度高刀片转位或更换新刀片后,刀尖位置的变化应在工件精度允许的范围内。
(2)刀片夹紧可靠应保证刀片、刀垫、刀杆接触面紧密贴合,经得起冲击和振动,但夹紧力也不宜过大,应力分布应均匀,以免压碎刀片。
(3)排屑流畅刀片前面上无障碍,保证切屑排出流畅,并容易观察。
(4)使用方便转换刀刃和更换新刀片方便、迅速。对小尺寸刀具结构要紧凑。在满足以上要求时,尽可能使结构简单,制造和使用方便。
四、车刀刀片特点与要求
(1)定位精度高 刀片转位或更换新刀片后,刀尖位置的变化应在工件精度允许的范围内。
(2)刀片夹紧可靠 应保证刀片、刀垫、刀杆接触面紧密贴合,经得起冲击和振动,但夹紧力也不宜过大,应力分布应均匀,以免压碎刀片。
(3)排屑流畅 刀片前面上无障碍,保证切屑排出流畅,并容易观察。
(4) 使用方便 转换刀刃和更换新刀片方便、迅速。对小尺寸刀具结构要紧凑。 在满足以上要求时,尽可能使结构简单,制造和使用方便。
