国标法兰尺寸对照表【免下载】
目前在全世界范围内有主要是包括美标标准、日标标准和国内标准等多种标准的消防流量开关法兰标准尺寸表,今天为大家介绍的是常用法兰规格尺寸表,小编带领大家一起了解一下吧。


JIS 10K、16K、20K、30K、40K、63K、RF、FF 法兰尺寸表:

表14 JIS 10K、RF、FF mm
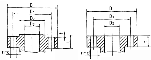
公称通径 | 外径 | 螺栓孔中心圆直径 | 连接凸出部分直径 | 内径 | 法兰厚度 | 连接部分凸出高度 | 螺栓孔数量与直径 | 螺栓直径 |
DN | D | D1 | D2 | D3 | t* | f | n-d | M |
20 | 100 | 75 | 58 | 19 | 14 18 | 1 | 4-15 | 12 |
25 | 125 | 90 | 70 | 25 | 14 18 | 1 | 4-19 | 16 |
40 | 140 | 105 | 85 | 38 | 16 20 | 2 | 4-19 | 16 |
50 | 155 | 120 | 100 | 51 | 16 20 | 2 | 4-19 | 16 |
65 | 175 | 140 | 120 | 61 | 18 22 | 2 | 4-19 | 16 |
80 | 185 | 150 | 130 | 76 | 18 22 | 2 | 8-19 | 16 |
100 | 210 | 175 | 155 | 102 | 18 24 | 2 | 8-19 | 16 |
125 | 250 | 210 | 185 | 125 | 20 24 | 2 | 8-23 | 20 |
150 | 280 | 240 | 215 | 152 | 22 26 | 2 | 8-23 | 20 |
200 | 330 | 290 | 265 | 204 | 22 26 | 2 | 8-23 | 20 |
250 | 400 | 355 | 325 | 254 | 24 30 | 2 | 12-25 | 22 |
300 | 415 | 400 | 375 | 305 | 24 32 | 3 | 16-25 | 22 |
表 15 JIS 16K、RF、FF mm
公称通径 | 外径 | 螺栓孔中心圆直径 | 连接凸出部分直径 | 内径 | 法兰厚度 | 连接部分凸出高度 | 螺栓孔数量与直径 | 螺栓直径 |
DN | D | D1 | D2 | D3 | t* | f | n-d | M |
20 | 100 | 75 | 58 | 19 | 14 18 | 1 | 4-15 | 12 |
25 | 125 | 60 | 70 | 25 | 14 18 | 1 | 4-19 | 16 |
40 | 140 | 105 | 85 | 38 | 16 20 | 2 | 4-19 | 16 |
50 | 155 | 120 | 100 | 51 | 16 20 | 2 | 8-19 | 16 |
65 | 175 | 140 | 120 | 64 | 18 22 | 2 | 8-19 | 16 |
80 | 200 | 160 | 135 | 76 | 20 24 | 2 | 8-23 | 20 |
100 | 225 | 185 | 160 | 102 | 22 26 | 2 | 8-23 | 20 |
125 | 270 | 225 | 195 | 125 | 22 26 | 2 | 12-25 | 22 |
150 | 305 | 260 | 230 | 152 | 24 28 | 2 | 12-25 | 22 |
200 | 350 | 305 | 275 | 204 | 26 30 | 2 | 12-25 | 22 |
250 | 430 | 380 | 345 | 254 | 28 34 | 2 | 12-27 | 24 |
300 | 480 | 430 | 395 | 305 | 30 36 | 3 | 16-27 | 24 |
表16 JIS 20K、RF、FF mm
公称通径 | 外径 | 螺栓孔中心圆直径 | 连接凸出部分直径 | 内径 | 法兰厚度 | 连接部分凸出高度 | 螺栓孔数量与直径 | 螺栓直径 |
DN | D | D1 | D2 | D3 | t* | f | n-d | M |
20 | 100 | 75 | 58 | 19 | 16 18 | 1 | 4-15 | 12 |
25 | 125 | 90 | 70 | 25 | 16 20 | 1 | 4-19 | 16 |
40 | 140 | 105 | 85 | 38 | 18 22 | 2 | 4-19 | 16 |
50 | 155 | 120 | 100 | 51 | 18 22 | 2 | 8-19 | 16 |
65 | 175 | 140 | 120 | 64 | 20 24 | 2 | 8-19 | 16 |
80 | 200 | 160 | 135 | 76 | 22 26 | 2 | 8-23 | 20 |
100 | 225 | 185 | 160 | 102 | 24 28 | 2 | 8-23 | 20 |
125 | 270 | 225 | 195 | 125 | 26 30 | 2 | 12-25 | 22 |
150 | 305 | 260 | 230 | 152 | 28 32 | 2 | 12-25 | 22 |
200 | 350 | 305 | 275 | 204 | 30 34 | 2 | 12-25 | 22 |
250 | 430 | 380 | 345 | 254 | 34 38 | 2 | 12-27 | 24 |
300 | 480 | 430 | 395 | 305 | 36 40 | 3 | 16-27 | 24 |
*t值中较小值为钢及可锻铸铁法兰;较大值为铸铁法兰。
5、德国DIN标准法兰尺寸

表 26 PN16(1.6MPa) mm
公称通径 | 外径 | 螺栓孔中心圆直径 | 连接凸出部分直径 | 连接凸出部分高度 | 法兰厚度 | 螺栓孔数量与直径 | 螺栓直径 |
DN | D | D1 | D2 | f | H | n-d | M |
15 | 95 | 65 | 45 | 2 | 14 | 4-14 | 12 |
20 | 105 | 75 | 58 | 2 | 16 | 4-14 | 12 |
25 | 115 | 85 | 68 | 2 | 16 | 4-14 | 12 |
32 | 140 | 100 | 78 | 2 | 18 | 4-18 | 16 |
40 | 150 | 110 | 88 | 2 | 18 | 4-18 | 16 |
50 | 165 | 125 | 102 | 3 | 20 | 4-18 | 16 |
65 | 185 | 145 | 122 | 3 | 20 | 4-18 | 16 |
80 | 200 | 160 | 138 | 3 | 22 | 8-18 | 16 |
100 | 220 | 180 | 158 | 3 | 24 | 8-18 | 16 |
125 | 250 | 210 | 188 | 3 | 26 | 8-18 | 16 |
150 | 285 | 240 | 212 | 3 | 26 | 8-22 | 20 |
200 | 340 | 295 | 268 | 3 | 30 | 8-22 | 20 |
250 | 405 | 355 | 320 | 3 | 32 | 8-26 | 24 |
6、中国JB标准法兰尺寸
- 凸面整 体铸钢管法兰(JB/T79.1-94)

图 1 凸面整体铸钢管法兰
扩展资料:
法兰PL是板式平焊法兰:
板式平焊法兰(PL):
平焊法兰适用于公称压力不超过2.5MPa的钢管道连接.平焊法兰的密封面可以制成光滑式,凹凸式和榫槽式三种.光滑式平焊法兰的应用量最大.多用于介质条件比较缓和的情况下,如低压非净化压缩空气、低压循环水。
法兰分类:
1、按化工(HG)行业标准分:整体法兰(IF)、螺纹法兰(Th)、板式平焊法兰(PL)、带颈对焊法兰(WN)、带颈平焊法兰(SO)、承插焊法兰(SW)、对焊环松套法兰(PJ/SE)、平煜环松套法兰(PJ/RJ)、衬里法兰盖(BL(S))、法兰盖(BL)。
2、按石化(SH)行业标准分∶螺纹法兰(PT)、对焊法兰(WN)、平焊法兰(SO)、承插焊法兰(SW)、松套法兰(I)、法兰盖(不表注)。
3、按机械(B)行业标准分:整体法兰、对焊法兰、板式平焊法兰、对焊环板式松套法兰、平焊环板式松套法兰、翻边环板式松套法兰、法兰盖。
4、按国家(GB)标准分:整体法兰、螺纹法兰、对焊法兰、带颈平焊法兰、带颈承插焊法兰、对焊环带颈松套法兰、板式平焊法兰、对焊环板式松套法兰、平焊环板式松套法兰、翻边环板式松套法兰、法兰盖。