外圆车刀角度测量【技术】
大家知道外圆车刀角度测量是怎样的吗,下面由小编与您一同分享,希望以上内容对各位有所帮助。
一、 回转工作台式量角台的构造
图1-1为回转工作台式量角台。圆盘形底盘1在零度线左右方向各有1000刻度,用于测量车刀的主偏角和副偏角,通过底盘指针2读出角度值;工作台3可绕底盘中心在零刻线左右1000范围内转动;定位块4可在平台上平行滑动,作为车刀的基准;测量片5,如图1-2所示,有主平面(大平面)、底平面、侧平面三个成正交的平面组成,在测量过程中,根据不同的测量要求可分别用以代表剖面、基面、切削平面等。大扇形刻度盘6上有正负450的刻度,用于测量前角、后角、刃倾角,通过测量片5的指针指出角度值;立柱7上制有螺纹,旋转升降螺母8可调整测量片相对车刀的上下位置。小扇形刻度盘用于测量法向角度。
1-底盘、2-工作台指针、3-工作台、4-定位块、
5-测量片、6-大扇形刻度盘、7-立柱、8-大螺
帽、9-旋钮、10-小指针、11-小扇形刻度盘
图1-1 量角台的构造
利用车刀量角台分别测量外圆车刀的几何角度:κr、κr'、λs、γo、αo、αo '等基本角度。记录测得的数据,并计算出刀尖角ε和楔角β。
三、 测量方法
1、根据车刀参考平面及几何参数的定义,首先确定参考辅助平面的位置,在按照几何角度的定义测出几何角度。
2、通过测量片的测量面与车刀刀刃、刀面的贴合(重合)使指针指出所测的各几何角度。
1、测量前的调整:调整量角台使平台、大扇形刻度盘和小扇形刻度盘指针全部指零,使定位块侧面与测量片的大平面垂直,这样就可以认为测量片:
主平面垂直于平台平面,且垂直于平台对称线。
底平面平行于平台平面。
侧平面垂直于平台平面,且平行于平面对称线。
2、测量前的准备:将车刀侧面紧靠在定位块的侧面上,使车刀能和定位块一起在平台平面上平行移动,并且可使车刀在定位块的侧面上滑动,这样就形成了一个平面坐标,可以使车刀置于一个比较理想的位置。
3、测量车刀的主(副)偏角
确定进给方向:由于外圆车刀进给方向与刀具轴线垂直,在量角台上即垂直于零度线,故可以把主平面上平行于平台平面的直线作为走刀方向,其与主(副)刀刃在基面的投影有一夹角,即为主(副)偏角。注意,端面车刀和切槽刀的进给方向与刀具轴线平行。
测量方法:顺(逆)时针旋转平台,使主刀刃与主平面贴合。如图1-3所示,即主(副)刀刃在基面的投影与走刀方向重合,平台在底盘上所旋转的角度,即底盘指针在底盘刻度盘上所指的刻度值为主(副)偏角κr(κr')的角度值。
4、测量车刀刃倾角(λs)
1)确定主切削平面:主切削平面是过主刀刃与主加工表面相切的平面,在测量车刀的主偏角时,主刀刃与主平面重合,就使主平面可以近似地看作主切削平面(只有当λs =0时,与主加工表面相切的平面才包含主刀刃),当测量片指针指零时底平面可作为基面。这样就形成了在主切削平面内,基面与主刀刃的夹角,即刃倾角。
2)测量方法:旋转测量片,即旋转底平面(基面)使其与主刀刃重合。如图1-4所示,测量片指针所指刻度值为刃倾角。
5、测量车刀主剖面内的前角γo 和后角αo
确定主剖面:主剖面是过主刀刃一点,垂直于主刀刃在基面的投影的平面。
在测量主偏角时,主刀刃在基面的投影与主平面重合(平行),如果使主刀刃在基面的投影相对于主平面旋转900,则主刀刃在基面的投影与主平面垂直,即可把主平面看作主剖面。当测量片指针指零时,底平面作为基面,侧平面作为主切削平面,这样就形成了在主剖面内,

图1-3 测量车刀的主偏角图 1-4 测量车刀刃倾角
基面与前刀面的夹角,即前角(γo);主切削平面与后刀面的夹角,即后角(αo)。
测量方法:使底平面旋转与前刀面重合。如图1-5所示, 测量片指针所指刻度值为前角;使侧平面(即主切削平面)旋转与后刀面重合。如图1-6所示, 测量片指针所指刻度值为后角。
6、副后角的测量与主后角的测量方法相近,所不同的是须把主平面作为副剖面。
7、法剖面前角和后角的测量,必须在测出主偏角和刃倾角之后进行。旋纽9松开,使小指针10转动一个刃倾角数值,再旋紧9,按测量主剖面前角和后角的方法测出车刀的法剖面前角和后角。

图1-5 测量车刀前角 图1-6 测量车刀后角
表1-1 主剖面参考系的基本角度
车刀编号 | 车刀名称 | 前 角 γo | 后 角 αo | 主偏角 κr | 副偏角 κr' | 刃倾角 λs | 副后角 αo ' |
1 | 外圆车刀 |
|
|
|
|
|
|
2 | 端面车刀 |
|
|
|
|
|
|
3 | 车槽刀 |
|
|
|
|
|
|
4 | 车孔刀 |
|
|
|
|
|
|
实验报告要求:1)测量原理及操作过程;2)车刀具体尺寸及立体图;3)主剖面参考系中的标注角度图。
本实验使用的测力仪是电阻应变式的测力仪。
1、电阻应变片
如图2-1所示:电阻应变片由基底1、敏感元件2和引线3组成。电阻变化率可近似看作与应变成正比。当电阻应变片贴在弹性体上时,则电阻值随弹性体应变而发生变化。

图2-1 电阻应变片
2、测力系统及其工作原理
测量切削力的测力仪种类很多,有机械式的、油压式和电测力仪,但其工作原理都是一样的。目前使用较多的是电测力仪,它的测量精度和灵敏度较高。电测力仪又有电阻应变式、电感式、电容式和电压式等。这里我们采用的是电阻应变式通用型三向测力仪(SDC-C4M),它可以同时测量Fx,Fy和Fz三个方向上力的大小。如图2-3,为用通用型三向测力的测力系统工作原理图。

图2-2 测力系统工作原理图
车削加工过程中,随着测力仪中电阻应变片的变化,电桥电路将输出相应的电信号,电信号通过应变放大器(XY-FS21)进行放大处理,安装在计算机上的数据采集卡将采集到的放大信息输入到计算机中,通过计算机软件的数据处理,将原来的电信号还原成力信号,最终的显示结果就是切削力的大小。
首先确定实验条件范围,然后准备工件、刀具,连接实验测试装置。本次切削力实验方法采用单因素法。即改变一个因素,而固定其它因素,测出该变化因子对应的Fx、Fy和Fz值,处理数据,建立切削力经验公式。
若加工同一种材料的零件,固定切削速度和刀具几何参数,可分别改变进给量大小和切削深度大小来进行切削力的测量。通过实验数据的记录,便可进行数据处理和建立切削力的经验公式。
切削力经验公式(以主切削力Fz为例)形式为:
![]()
首先建立切削力与每一单独变化因素间的关系式(如Fz-ap与Fz-f),分别求出各指数和系数,然后经过综合,求出总的系数。
1、图解法
在单因素实验时,固定其他因素不变,只改变一个因素(切深ap或进给量f),分别表示出切深ap、进给量f与切削力Fz关系的单项切削力的指数公式:
;![]()
将等号两边取对数,则有
![]()
显然Fz-ap与Fz-f的关系曲线在双对数坐标纸上是直线。
系数
为lgFz-lgap线上在ap=1mm时的Fz的值。
系数
为lgFz-lgf线上在f=1mm/r时的Fz的值。
指数
为lgFz-lgap线的斜率,指数
为lgFz-lgf线的斜率。
用实验数据可在双对数坐标纸上画出几条lgFz-lgap与lgFz-lgf的直线,分别求出
和
,对于多组数据就取平均值,以提高实验精度。
然后取任意一对lgFz-lgap与lgFz-lgf直线,便可求出系数
。计算如下:
由于
是在f=f0(改变ap实验时所固定的f的值)情况下得到,故有
=
则
;
而式
是在ap=ap0(改变f实验时所固定的ap的值)情况下得到,故又有
=
则
;
由于实验误差
与
不一定相等,因此取两者的平均值最好,即:
=
(
+
)
2、一元线性回归法
理论上lgFz-lgap与lgFz-lgf应是线性关系,但实际的实验点往往不可能全部落在一条直线上,上述图解法是用眼睛观察绘出的一条直线,使各实验点均布在该直线上下,因此所求得的指数、系数存在一定误差。一元线性回归法是运用数理统计中回归分析的方法,建立一元线性回归方程,因为它是建立在误差平方和为最小的“最小二乘法”基础上得出的一条直线,因此误差最小。
表2-1 切削力测量的实验条件
机 床 |
| 测 力 仪 |
| |
应变放大器 |
| 测力仪 标定常数 | Kz= N/µε | |
Ky= N/µε | ||||
Kx= N/µε | ||||
工 件 | 材 料 |
| 硬 度 |
|
刀 具 | 结 构 | 材 料 | 角 度 | |
|
|
| ||
表2-2 切削力实验记录
切削用量 | 工件直径dw/mm | 转速nw/r/min | 切削速度v/m/min |
|
|
| |
切削深度ap | 进给量f/mm/r | 主切削力Fz/N | |
实验报告要求:1)测量条件;2)测量数据;3)数据分析及经验公式建立。
内容二 切削加工质量的综合实验
1、通过实验加深理解《制造技术基础》课程理论知识,提高学生分析问题和解决问题的能力。
2、以保证切削加工质量为目标,展开对机床、刀具、夹具和工件所组成的工艺系统各因素的认识和分析,进行一系列的设计、试验和测量,从实验过程和实验结果中对影响加工质量的因素进行综合分析。
3、通过学生动手实验,使课程实验成为提高学生综合素质、工程设计能力,工程实践能力和创新能力的重要环节。
对给定的毛坯材料,进行合理的加工方法选择、刀具选择和加工工艺参数设计,并对自行设计的试件进行切削加工,控制加工精度和表面粗糙度,分析影响零件加工质量的各种因素,以及寻找控制零件加工质量的基本措施和方法。
CA6140型车床、三向通用测力仪、应变放大器、数据采集卡、计算机、表面粗糙度仪、车刀量角台、工件材料毛坯、不同角度和材料的车刀、游标卡尺、直尺、千分尺等。
图3-0为综合实验总体结构框图。从图中可以看出影响加工质量的各种因素,包括机床、工件、刀具和切削条件等几个方面。怎样进行实验设计,如何选用不同的加工方法和工艺参数进行独立自主的实验以完成零件图上加工质量的要求是本实验的主要内容。

图3-0 制造技术综合实验总体结构图
在实验过程中必须掌握基本的实验手段:
1、掌握使用车刀量角台测量车刀几何角度的基本方法,加深对车刀各几何角度、各参考平面及其相互关系的理解,绘出所选用车刀的标注角度图。
2、了解测力仪工作原理及测力系统的工作过程,自选切削参数和实验设计,实测切削力,了解并掌握切削参数(f、ap、κr、γ0、VC)对切削力的影响规律,并能够通过实验建立切削力的经验公式;
4、使用通用量具和表面粗糙度仪检测所加工的试件,综合分析影响零件切削加工质量的因素。
在实验前必须认真阅读实验指导书,理解综合实验的目的、要求、内容,熟悉实验使用的仪器、设备;了解实验机床结构、调整方法和操作过程;掌握仪器的测量原理、测试方法和实验数据处理方法等。实验前自拟实验设计方案、工艺路线和加工方法,经指导教师审核实验方案和相关表格,认可后方可在机床上进行实验操作。
设计或选择所要加工的零件,绘制零件图(可参考附录三所提供的综合实验典型零件),熟悉零件加工技术要求。
根据零件图的加工要求制定加工工艺,拟出实验方案、内容和步骤,准备实验。
根据实验方案,要求合理选择刀库中的刀具,并对刀具角度进行测量(刀具角度如何测量详见附录一),画出刀具标注角度图。
调试机床,安装刀具,装夹试件,然后按图纸要求对试件进行切削试验。
进行切削力测量实验方案设计并进行操作,建立车削力的经验公式。(切削力测量原理与方法详见附录二)。
测量试件加工后的尺寸精度,找出加工工艺系统中各种对试件尺寸、形状精度产生影响的因素。
测量试件加工后表面粗糙度,分析表面粗糙度与切削用量和刀具几何参数的关系。
整理和总结实验数据,提交实验报告。
实验报告要求:写出有关实验的原理、内容和步骤,仪器的使用、调试方法,实验数据分析处理的过程和结果,总结分析影响加工质量的各种因素,提出合理的改进措施等等。

图3-1 车外圆 图3-2 车端面

图3-3 车台阶 图3-4 车大锥

图3-5车窄槽 图3-6车通孔

图3-7车宽槽

图3-8车偏心

图3-9车环槽 图3-10 车不通孔

图3-11车宽环槽 图3-12 车锥面

图3-13 车长锥面
组合夹具是在夹具设计高度标准化、通用化、系列化的基础上发展起来的一种夹具。它由一套预先制造好的,具有各种形状、规格和系列尺寸的标准元件和组件所组成。通过组合夹具拆装实验,可使学生加深对夹具的组成、定位夹紧等基本概念和应用方法的理解。要求学生根据给定的零件自行设计夹具拆装方案,或利用给定的组合夹具元件改进组装方案,夹具的定位、夹紧方案正确,结构合理,满足加工要求。
组合夹具元件库、拆装、调整工具以及样件等。
1、掌握组合夹具的组成、结构及各部分的作用;
2、理解组合夹具各部分连接方法,掌握组合夹具的装配过程;
3、了解夹具与机床连接、定位方法以及加工前的对刀方法;
4、完成工件加工过程中某一道工序的组合夹具拆装或改进。
1、熟悉组合夹具的总体结构,找出夹具中的定位元件、夹紧元件、对刀元件、夹具体及导向元件,熟悉各元件之间的连接及定位关系。
2、使用工具,按顺序将把现有的夹具各连接元件拆开,注意各元件之间的连接状况,注意拆装顺序和各元件的归类摆放。
3、根据工件的加工要求选取某一道工序进行工装夹具设计,拟定工件在夹具中的定位和夹紧方案。
4、选取需要的元件,利用工具按正确的顺序装配各元件,并调整好各工作表面之间的位置。
5、将工件安装到夹具中,使工件在夹具中具有正确的定位、夹紧可靠。
6、将夹具安装到机床的工作台上,调整好刀具和工件的相对位置,注意夹具在机床上的定位,调整好夹具相对机床的位置,将夹具夹紧。
分析组合夹具的组成和适用范围。画出你所选择样件的那一道工序的加工工序图,给出定位、夹紧方案、设计夹具(草图)。写出你的设计思想和具体的实验步骤,总结实验心得和体会。
附录:组合夹具元件及其功能
组合夹具是在机床夹具通用化、标准化、系列化的基础上发展起来的新型夹具。组合夹具元件按用途不同,可分为基础件、支承件、定位件、导向件、压紧件、紧固件、合件和其他件。
一、基础件
基础件是组合夹具中最大的元件,通常用作组装夹具的基础,通过它把其他元件连接在一起,成为一套夹具。基础件按其形状特征可划分为正方形、长方形、圆形等等,其具体结构可见图4-1。

(a)正方形基础件 (b) 长方形基础件 (c)圆形基础件
图4-1
二、支承件
支承件是组合夹具中的骨架元件,它在夹具中起到上下连接的作用,即把上面的支承件、定位件、导向件等元件通过它与其下面的基础件连成一体。如图4-2所示。

(a)V形基座 (b)方形垫板 (c)正方形支承 (d)V形垫板 (e)支承角铁
图4-2
三、定位件
定位件用于保证夹具中各元件的定位精度和连接强度及整个夹具的可靠性,并用于被加工工件的正确安装和定位。定位件有定位键、定位销、定位支承、顶尖等元件。图4-3中给出了一些常用的定位元件外形结构。

(a)平键 (b)长平键 (c)平偏心键 (e)圆形定位盘 (f)直柄顶尖
图4-3
四、导向件
导向件用于保证切削刀具的正确位置,加工时起到引导刀具的作用,它主要用于钻、扩、铰。镗及攻丝等工序的夹具。有的导向件可作为工件定位,有的可作为组合夹具系统中元件的导向。图4-4所示为几种常见钻模板的样式。

(a)十字槽右弯头钻模板 (b)左弯头钻模板 (c)十字槽钻模板 (d)沉头钻模板
图4-4
五、压紧件
压紧件主要用于将工件压紧在夹具上,以保证工件定位后的正确位置切削力的作用下保持不变。压紧件有平面压紧件、回转压紧件、压块、异形压紧件等类型。具体结构可参考图4-5所示的几个例子。

(a)平压板 (b)伸长压板 (c)铰链压板

(d)偏心轮 (e)双头压板 (f)U形压板
图4-5
六、紧固件
紧固件主要用于连接组合夹具中的各种元件及紧固被加工工件。紧固件可分为螺栓、螺钉、垫圈和螺母等。如图4-6所示。

(a)双头螺栓 (b)方形槽用螺栓 (c)长方形槽用螺栓 (d)关节螺栓 (e)圆柱头螺钉 (f)带肩螺母
图4-6
七、合件
合件由若干零件装配而成,一般在使用中不再拆卸。它能提高组合夹具的万能性,扩大使用范围,加快组装速度,简化夹具结构等。图4-7表示了两种合件结构。

(a)顶尖座 (b)垂直键槽折合板
图4-7
八、其它件
其它件主要作为夹具辅助元件使用,虽然这类元件大多数结构简单,但充分利用好这些元件,可以改善夹具结构,提高夹具的工作效率。如图4-8所示的连接板、平衡块、回转板等元件。

(a)回转板 (b)连接板 (c)平衡块
图4-8
扩展资料:
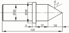
外圆车刀基面中测量的角度:
外圆车刀主要几何角度:
前角γo前面与基面间的夹角,在正交平面中测量。前角表示刀具前面的倾斜程度,它可以是正值、负值或为零。它的主要作用是影响刀具的锋利程度和强度。
主后角αo 主后面与主切削平面间的夹角,在正交平面中测量。主后角表示刀具主后面倾斜的程度。它的主要作用是:减少刀具后刀面与工件加工表面之间的摩擦磨损,并配合前角调整切削刃的锐利程度和强度。
副后角αo′副后面与副切削平面间的夹角,在副正交平面中测量。副后角表示刀具副后面倾斜的程度。副后角的主要作用是:影响车刀副后面与工件已加工表面的摩擦。
主偏角kr, 主切削刃在基面的投影与进给运动方向间的夹角,在基面中测量。主偏角的作用是:影响刀尖部分的强度和散热条件,影响切削分力的分配。
副偏角kr′: 副切削刃与进给运动反方向间的夹角,在基面中测量。副偏角可减小副切削刃与工件已加工表面之间的摩擦,并影响刀尖部分的强度和散热条件;影响工件已加工表面的粗糙度。
(6)刃倾角γs主切削刃与基面间的夹角,在主切削平面中测量。