数控折弯机怎么操作使用【操作规程】
大家知道数控折弯机操作规程是怎样的吗?下面小编与您一同分享,希望对各位有所帮助。
安全操作规程:
1、操作人员必须经过专业培训,持证上岗, 数控折弯机专人操作,在操作时,必须穿戴穿好劳保用品。
2.、 操作人员在操作之前应穿戴劳动保护用品,并对机器和工作环境进行仔细检 查,检查确认 后方可开机操作。检查的内容包括机器的设备性能,程序和模具的设置,机器 的保养和交 接班记录,发现异常应及时向领班汇报。
3、 机器的开机按以下步骤进行:
(1)启动机床总电源
(2)NC 控制 LCD 面板自动打开
(3)启动液压马达 3.4 归零完毕进入主目录状态
(4)按下控制面板启动开关,对机床进行归零。
4、 自行编制 NC 程序时, 根据工件的长度板厚等属性和折弯压力表选择上下模具, 机器的折 弯压力应小于模具的耐压,夹紧上下模具,分段模具必须逐个紧固。编程时应 考虑在折弯 过程中,避免工件,上下模具与挡规产生干涉,确保人身安全。程序的编制有 直接和角度两种模式
5、 在运行模式下读取存储的操作 NC 程序并检查,按程序要求装入指定的上下 模具。模具安装时,机床应设置在停止状态。
6、 程序编制完毕,在运行模式下至少空运行两次,检查程序是否正确后方可进行 折弯工作。
7、 折弯工件事尽量由一人操作,如需两人或多人操作时,由其中有经验的一人 发出工作指令,保持工作步骤一致。
8、 折弯细小零件或较长尺寸零件时应仔细考虑避免工件和模具与身体存在安全隐患。
9、 折弯过程中,禁止闲杂人员在折弯区域逗留,确保人身安全。
10、 折弯过程中,禁止将手或身体其他部分置于机床上下模具之间。
11、 折弯过程中,必须随时检查模具是否有松动,位移,保证其紧固。
12、 折弯过程中,如发生故障或紧急情况,应立即按下紧停按钮停机,向领班汇 报,查明原因或解除故障后方可开机。
13、 工作完毕,如暂时不再使用机床,应及时做好程序存储,将机床模具合模以 后,依次关 闭操作按钮,液压马达,机床总电源。
检验规范:
1、常用的材料有冷轧板、热轧板、不锈钢板以及镀层板
弯曲前根据图纸检查板料是否相符,然后根据料厚选择模具:料厚≤3mm的料凹模用料厚的6~8倍下模,料厚≥3mm的板料用料厚8~12倍下刀槽
2、编程时应根据工作特征根据图纸要求编程。
3、试折,量角度,尺寸,进行参数调整模具折弯校正,未注尺寸公差按IT12级;未注角度公差,短边越长角度公差越小。
(1)门板零件保证尺寸的情况下目测缝隙均匀。
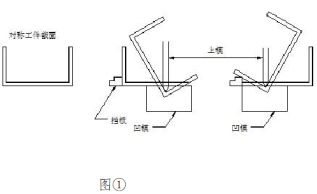
(2)对称件折弯应保证两边的高度相同不允许一顺推,如图①。 
长度大于1500mm检验时应测量3点以上如中间尺寸偏大应在上模中间加垫文库 层(垫层可为胶皮,铜皮或纸片)用来调折弯刀的受力均匀,从而保证测量三点。
保养内容如下:
1、液压油路
a. 每天按润滑要求进行各点润滑。
b.每天对滚珠丝杠、滚动导轨擦净后进行润滑。
c.每天工作前,擦净模具上的残留物。
d.定期清洗出油口过滤器的滤网。
e.定期检查液压泵油箱,第一次使用一月后调换,以后每年根据具体情况更换油液,最低油温不低于10C。
f.每周检查油箱油位,如进行液压系统维修后也应检查,油位低于油窗应加注液压油;
g.油箱内加入YB-N46号液压油,必须用10目以下的滤油器过滤五次以上,油箱清理干净后才能加油,深度在油箱标尺范围内;
2、过滤器
a.每次换油时,过滤器应更换或彻底清洗;
b.机床有相关报警或油质不干净等其它过滤器异常,应更换;
c.油箱上的空气过滤器,每3个月进行检查清洗,最好1年更换。
3、液压部件
a.每月清洁液压部件(基板、阀、电机、泵、油管等),防止脏物进入系统,不能使用清洁剂;
b.新机使用一个月后,检查各油管弯曲处有无变形,如有异常应予更换,使用两个月后,应紧固所有配件的连接处,进行此项工作时应关机,紧固后应重新开机运行检查。