cnc指令代码【大全】
给大家介绍一下cnc指令代码含义解释见下图:
代码 | 组别 | 功能 | 程序格式及说明 | ||||||||||||||||||||||||||||||||||||||||||||||||||||||||||||
G00▲ | 01 | 快速点定位 | G00 X__Z__ | ||||||||||||||||||||||||||||||||||||||||||||||||||||||||||||
G01 | 直线插补 | G01 X__Z__F__ | |||||||||||||||||||||||||||||||||||||||||||||||||||||||||||||
G01 | 倒角或倒圆角指令 | G01 X(U) Z(W) C ; G01 X(U) Z(W) R ; 其中X(U)、Z(W)的值是相邻直线AD和DE的假想交点在工件坐标系中的坐标值, X、Z为绝对坐标值,U、W为增量坐标值。C值是相对于倒角起点的距离。 R值是倒圆角的圆弧半径值。 | |||||||||||||||||||||||||||||||||||||||||||||||||||||||||||||
G02 | 顺时针方向圆弧插补 | G02X__Z__R__F__ G02X__Z__ I__K__ F__ R是圆弧半径,当圆弧所对圆心角为0°~180°时,R取正值;当圆心角为180°~360°时,R取负值。 I、K为 圆心在X、Z轴方向上相对圆弧起点的坐标增量,即圆心坐标减去起点坐标(I用半径值表示),I、K为零时可以省略。 | |||||||||||||||||||||||||||||||||||||||||||||||||||||||||||||
G03 | 逆时针方向圆弧插补 | G03 X__Z__R__F__ G03X__Z__ I__K__ F__ 与G02相同。 | |||||||||||||||||||||||||||||||||||||||||||||||||||||||||||||
G04 | 00
| 暂停 | G04 X1.5;或G04 P1500;P不带小数点 。 | ||||||||||||||||||||||||||||||||||||||||||||||||||||||||||||
G07.1 (G107) | 圆柱插补 | G07.1IPr(有效);G07.1IP0(取消); | |||||||||||||||||||||||||||||||||||||||||||||||||||||||||||||
G10▲ | 可编程数据输入 | G10 P __X__ Z__R__ Q__ | |||||||||||||||||||||||||||||||||||||||||||||||||||||||||||||
G11 | 可编程数据输入取消 | G11 | |||||||||||||||||||||||||||||||||||||||||||||||||||||||||||||
G12.1 (G112) | 21 | 极坐标指令 |
| ||||||||||||||||||||||||||||||||||||||||||||||||||||||||||||
G13.1▲ (G113) | 极坐标取消 |
| |||||||||||||||||||||||||||||||||||||||||||||||||||||||||||||
G17 | 16 | 选择XY平面 | G17 | ||||||||||||||||||||||||||||||||||||||||||||||||||||||||||||
G18▲ | 选择XZ平面 | G18 | |||||||||||||||||||||||||||||||||||||||||||||||||||||||||||||
G19 | 选择YZ平面 | G19 | |||||||||||||||||||||||||||||||||||||||||||||||||||||||||||||
G20 | 06 | 英寸输入 | G20 | ||||||||||||||||||||||||||||||||||||||||||||||||||||||||||||
G21 | 毫米输入 | G21 | |||||||||||||||||||||||||||||||||||||||||||||||||||||||||||||
G22 |
| 存储行程检测接通 |
| ||||||||||||||||||||||||||||||||||||||||||||||||||||||||||||
G23 |
| 存储行程检测断开 |
| ||||||||||||||||||||||||||||||||||||||||||||||||||||||||||||
G27 | 00 | 返回参考点检测 | G27 X(U) Z(W) ;检测刀具是否返回程序中指定的X、Z,G00指定,返回正确,指示灯亮,反之产生机床系统报警。 | ||||||||||||||||||||||||||||||||||||||||||||||||||||||||||||
G28 | 自动返回参考点 | G28 X(U) Z(W) ;X、Z为返回过程中的经过点。 | |||||||||||||||||||||||||||||||||||||||||||||||||||||||||||||
G29 | 从参考点返回 | G29 X(U) Z(W) ;从参考点经过中间点到达X、Z指定点,中间点为G28指定的点,所以这条指令只能出现在G28后面。 | |||||||||||||||||||||||||||||||||||||||||||||||||||||||||||||
G30 | 返回固定点 | G30 P2/P3/P4 X Z ;P2、P3、P4表示第2、3、4参考点,X、Z为中间点。含义:刀具经过中间点到达第2、3、4参考点位置。 | |||||||||||||||||||||||||||||||||||||||||||||||||||||||||||||
G31 | 跳转功能 |
| |||||||||||||||||||||||||||||||||||||||||||||||||||||||||||||
G32 | 01 | 等螺距螺纹 | G32X(U)_Z(W)_F_Q_ G32 Z(W) F ;(圆柱面螺纹) G32 X(U) F ;(端面螺纹) G32 X(U) Z(W) F ;(圆锥面螺纹) 说明:1、编程时应将切入、切出段加入到车螺纹程序段中。 2、对于加工圆锥面螺纹,其斜角α小于等于45度时, 螺纹导程以Z轴方向指定;其斜角α大于45度小于等于90度时, 螺纹导程以X轴方向指定。 3.Q为螺纹起始角,不带小数点,单位0.001° | ||||||||||||||||||||||||||||||||||||||||||||||||||||||||||||
G34 | 变螺距螺纹 | G34 X(U) Z(W) F K ;(圆锥面螺纹) K为每转螺距的增量(正值)或减量(负值),其余与G32相同。 | |||||||||||||||||||||||||||||||||||||||||||||||||||||||||||||
G36 |
| 自动刀具补偿X | G36 X | ||||||||||||||||||||||||||||||||||||||||||||||||||||||||||||
G37 |
| 自动刀具补偿Z | G37 Z | ||||||||||||||||||||||||||||||||||||||||||||||||||||||||||||
G40 |
| 刀尖半径补偿取消 | G41(G42)G01(G00) X Z F G40 G01(G00) X Z F 对于前置刀架,外圆G42,方位号3;镗孔G41,方位号2。下图为前置刀架方位号,后置刀架2、3颠倒,1、4颠倒,其余不变。 | ||||||||||||||||||||||||||||||||||||||||||||||||||||||||||||
G41 |
| 刀尖半径左补偿 | |||||||||||||||||||||||||||||||||||||||||||||||||||||||||||||
G42 |
| 刀尖半径右补偿 | |||||||||||||||||||||||||||||||||||||||||||||||||||||||||||||
G50 |
| 坐标系设定或最高限速 | G50 X Z 或G50 S | ||||||||||||||||||||||||||||||||||||||||||||||||||||||||||||
G50.3 |
| 工件坐标系预置 |
| ||||||||||||||||||||||||||||||||||||||||||||||||||||||||||||
G50.2 | 20 | 多边形车削取消 |
| ||||||||||||||||||||||||||||||||||||||||||||||||||||||||||||
G51. | 多边形车削 |
| |||||||||||||||||||||||||||||||||||||||||||||||||||||||||||||
G52 |
| 局部坐标系 | G52 X20 Z20;X\Z值是局部坐标系原点在原工件坐标系的位置。 若G52 X0 Z0;则取消局部坐标系,恢复原来坐标系原点。 | ||||||||||||||||||||||||||||||||||||||||||||||||||||||||||||
G53 |
| 选择机床坐标系 | 取消工件坐标系,选择机床坐标系。 ( G90 ) G53 X_ Y_ Z_;它在绝对命令 (G90) 里有效,在增量命令里 (G91) 无效。注意 (1) 刀具直径偏置、刀具长度偏置和刀具位置偏置应当在它的 G53 命令指派之前提前取消。否则,机床将依照指派的偏置值移动。 (2) 在执行G53指令之前,必须手动或者用G28 命令让机床返回原点。这是因为机床坐标系必须在G53命令发出之前设定。 | ||||||||||||||||||||||||||||||||||||||||||||||||||||||||||||
G54▲ | 14 | 选择工件坐标系1 | G54;开机默认。 | ||||||||||||||||||||||||||||||||||||||||||||||||||||||||||||
G55-59 | 选择工件坐标系2-6 | G55-59; | |||||||||||||||||||||||||||||||||||||||||||||||||||||||||||||
G65 | 00 | 宏程序非模态调用 | A类应用FANUC 0TD系统,B类FANUC 0I系统. 局部变量#1-#33,公共变量#100-#149,#500-#549,系统变量#1000- 宏程序以M99结束,调用可用M98或“G65 P程序号L次数”形式。 A类程序形式:G65 H(a)P(b)Q(c)R(d),a:H代码b:运算结果变量c、d:两个运算变量。 B类宏程序运算指令
控制指令:GOTO n------无条件转移 IF[条件表达式] GOTO n------条件转移语句 WHILE[条件表达式]DO m(m=1、2、3…)----循环指令 ….. END m; | ||||||||||||||||||||||||||||||||||||||||||||||||||||||||||||
G66 |
| 宏程序模态调用 | |||||||||||||||||||||||||||||||||||||||||||||||||||||||||||||
G67 |
| 宏程序模态调用取消 | |||||||||||||||||||||||||||||||||||||||||||||||||||||||||||||
G70 | 00 | 内、外圆精车复合固定循环 | 编程格式:G70 P(ns) Q(nf) 其中:ns:表示精加工程序段的开始程序段号; nf:表示精加工程序段的结束程序段号; 说明:(1)G70指令不能单独使用,只能配合G71、G72、G73指令使用完成精加工固定循环,即:当用G71、G72、G73指令粗车工件后,用G70来指定精车固定循环,切除粗加工留下的余量。 (2)在这里G71、G72、G73程序段中的F、S、T的指令都无效,只有在ns~nf程序段中的F、S、T才有效。当ns~nf程序段中不指令F、S、T时,粗车循环中的F、S、T才有效。 | ||||||||||||||||||||||||||||||||||||||||||||||||||||||||||||
G71 | 内、外圆粗车复合固定循环 | 编程格式:G71U (△d) R(e); G71 P(ns) Q(nf) U (△u) W(△w) F S T ; 其中:ns:表示精加工程序段的开始程序段号; nf:表示精加工程序段的结束程序段号; △u:表示径向(X轴方向)给精加工留的余量(直径值); △w:表示轴向(Z轴方向)给精加工留的余量; △d:表示每次的吃刀深度(半径值); e是回刀时的径向退刀量 F:表示粗加工时的进给速度; S:表示粗加工时的主轴转速; T: 表示粗加工时使用的刀具号; 说明:(1)当上述指令用于工件内轮廓加工时,△u应为负值。 (2)在使用G71进行粗加工时,只有含在G71程序段中的F、S、T功能才有效,而包含在ns~nf程序段中的F、S、T功能即使被指定,对粗车循环也无效。可以进行刀具补偿,可在G70之前编写刀尖半径补偿,通常在趋近起点的运动中编入。如:G42G00X55Z2; G70P10Q20 ; G40G00X100Z50; (3)该指令适用于随Z坐标的单调增加或减小,X坐标也单调变化的情况。Ns程序段必须沿X进刀,不能出现Z值。 | |||||||||||||||||||||||||||||||||||||||||||||||||||||||||||||
G72 | 端面粗车复合固定循环 | 编程格式:G72W (△d) R(e); G72 P(ns) Q(nf) U (△u) W(△w) F S T ; 2. d:Z向背吃刀量,不带符号;其余参数同G71。Ns程序段必须沿Z进刀,不能出现X值。当上述指令用于工件内轮廓加工时,△u应为负值。 举例:如上图其程序单为: O4534; N10 G50 X100.0 Z100.0; N20 M03 S1000; N30 G00 X100.0 Z5.0 M08; N35 G72W3R0.5 N40 G72 P50 Q120 U0.5 W0.2 D3.0 F300; N50 G00 Z-60.0; N60 G01 Z-55.0 F200; N70 X70.0; N80 X50.0 Z-35.0; N90 W15.0; N100 X30; N110 X20.0 W10.0; N120 Z5.0; N130 G00 X100.0 Z100.0 M09; N140 M05; N150 M30; | |||||||||||||||||||||||||||||||||||||||||||||||||||||||||||||
G73 | 仿形复合循环 | 编程格式:G73 U(△i) W(△k) R (d); G73 P(ns) Q(nf) U (△u) W(△w) F S T ; d:表示粗车循环次数(分层数); △i:粗车时, X轴方向需要切除的总余量(退刀量)和方向,半径值。即:毛坯尺寸减去工件最小尺寸除以2。内孔为负值。 △k:粗车时,Z轴方向需要切除的总余量(退刀量)和方向;△k一般情况下都是零。其余同G71指令。 | |||||||||||||||||||||||||||||||||||||||||||||||||||||||||||||
G74 |
| 端面切槽循环/钻孔循环 |
| ||||||||||||||||||||||||||||||||||||||||||||||||||||||||||||
G75 |
| 径向切槽循环 | 编程格式:G75R (e); G75 X (U) Z(W)P(△i) Q(△k) R (d)F ; e:退刀量; X (U) Z(W):切槽终点坐标; △i:X向每次切深,不带符号半径表示; △k:刀具完成一次径向切削后,Z方向偏移量,不带符号。 D:刀具切削底部时Z向退刀量,一般省略。 F:切削进给速度。 注意:1最后一次切深量和最后一次Z向偏移量由系统自行计算。 2. △i、△k为最小编程单位,如P1500表示切深1.5mm. | ||||||||||||||||||||||||||||||||||||||||||||||||||||||||||||
G76 |
| 螺纹切削复合循环 | G76 P(m)(r) (α) Q(△d min) R(d); G76 X(U) Z(W) R(i) P(k) Q(△d) F(L); m — 精加工重复次数,可以是1~99次,该值是模态值。 r — 螺纹尾部倒角量(Z向斜向退刀距离),是螺纹导程的0.0~9.9倍。单位0.1S,两位数表示00-99 α— 螺纹刀尖角度(螺纹牙型角)。可以选择80°、60°、55°、30°、29°和0°六种中的一种,由两位数规定。该值是模态的。 △d min—切削时的最小背吃刀量。半径值指定,单位为μm。不带小数。 d — 精加工余量。该值是模态的,带小数半径值。单位为mm。 i — 为螺纹起始点与螺纹终点的半径差, i为0时,是普通直螺纹切削。 k —螺纹的牙深。外螺纹按k=649.5P进行计算,内螺纹按k=541.3P 进行计算,半径值指定,单位为μm。不带小数。 △d —第一次切深,半径值指定,单位为μm。不带小数。 X、Z —绝对值编程时,为螺纹终点在工件坐标系下的坐标;增量编程时,为切削终点相对与循环起点的增量坐标值,用U、W 表示; L —为螺纹导程,单位为mm。
| ||||||||||||||||||||||||||||||||||||||||||||||||||||||||||||
G90 |
| 圆柱/圆锥面单一固定循环 | G90 X(U) Z(W) R F ; R表示圆锥面切削起点处X坐标减终点处X坐标之值的二分之一,有负值,正锥为负,倒锥为正,无R为圆柱切削。切削速度:G00—G01—G01—G00. | ||||||||||||||||||||||||||||||||||||||||||||||||||||||||||||
G92 |
| 螺纹切削循环 | G92 X(U) Z(W) F R ; R=(X起点-X终点)/2,R为非模态,每句必须有。 | ||||||||||||||||||||||||||||||||||||||||||||||||||||||||||||
G94 |
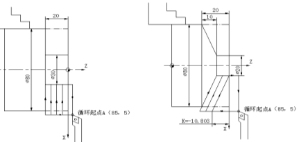
| 端面切削循环 | 指令格式:G94 X(U) Z(W) F ; 锥端面切削指令格式:G94 X(U) Z(W) K F 其中:X、Z—表示切削段的终点绝对坐标值; U、W—表示切削段的终点相对于循环起点的增量坐标值;F—表示进给速度。K—表示切削段起点相对终点的Z方向坐标值之差(通常为负值)即: K=Z起点-Z终点 如G94 X30.0 Z-5.0 F200; G94 X20.0 Z0 K-10.803 F200; | ||||||||||||||||||||||||||||||||||||||||||||||||||||||||||||
G96 | 02 | 恒线速执行 | M3S300;初始速度 G50S1000;最高限速1000 G96S100;主轴转速100m/min …… G97 S300;取消恒线速,转速为300r/min | ||||||||||||||||||||||||||||||||||||||||||||||||||||||||||||
G97▲ | 恒线速取消,取消速度。 | ||||||||||||||||||||||||||||||||||||||||||||||||||||||||||||||
G98 | 05 | 每分钟进给 | 单位:mm/min 如: G98 G01 X20 F200 | ||||||||||||||||||||||||||||||||||||||||||||||||||||||||||||
G99▲ | 每转进给 | 单位:mm/r 如: G99 G01 X20 F0.2; | |||||||||||||||||||||||||||||||||||||||||||||||||||||||||||||
M00 |
| 程序暂停 | 所有动作停止。 | ||||||||||||||||||||||||||||||||||||||||||||||||||||||||||||
M01 |
| 程序选择停止 | 必须按下:选择停止键才有效,效果同M00; | ||||||||||||||||||||||||||||||||||||||||||||||||||||||||||||
M02 |
| 程序结束 | 光标不返回。 | ||||||||||||||||||||||||||||||||||||||||||||||||||||||||||||
M03/M04 |
| 主轴正传(顺时针)/反转(逆时针) | M03 S300; | ||||||||||||||||||||||||||||||||||||||||||||||||||||||||||||
M05 |
| 主轴停止 |
| ||||||||||||||||||||||||||||||||||||||||||||||||||||||||||||
M08/09 |
| 冷却液开/关 |
| ||||||||||||||||||||||||||||||||||||||||||||||||||||||||||||
M30 |
| 程序结束 | 光标返回程序开始。 | ||||||||||||||||||||||||||||||||||||||||||||||||||||||||||||
M98 |
| 调用子程序 | 编程格式:M98 P××××L ; 或M98 P×××××××× ; M99; 其中,调用地址P后跟4位数为子程序号,调用地址L后为调用次数,调用次数为1时,可以省略,允许重复调用次数为999次。地址P后跟8位数时,前四位为调用次数,后四位为子程序号,调用次数为1时,可以省略。 若M99 P100;表示返回主程序N100程序段,若子程序执行M99 L2,则表示子程序强制执行2次,不管主程序要求几次。 | ||||||||||||||||||||||||||||||||||||||||||||||||||||||||||||
M99 |
| 返回主程序 | |||||||||||||||||||||||||||||||||||||||||||||||||||||||||||||
T×××× |
| 刀具指令 | 如T0101,前两位数表示刀号,后两位刀具补偿号。 |



