宝玛线切割说明书【厂家版】
序言
宝玛线切割说明书
本说明书为您提供了安装、参数设定、故障诊断及维护本产品的注意事项,为了保证产品的正确安装及使用,请在装机前详细阅读本说明书。
请保存好本说明书,并交给该机器的最终使用者。
连接或取下外部接插件之前请务必断开电源!等待数码管熄灭后再进行操作。
为了确保安全,必须将本产品下部端子左侧的“E”端可靠接地。
本产品可在交流150V-264V之间正常工作,千万不要将380V电压接入L、N上。
绝对不可将输入电源接至变频器输出端子U,V,W。
本变频器适用于丝筒电机为750W以下的三相交流电动机的线切割机床。
丝筒电机推荐使用三角型(220V)接法。
安装前应检查变频器下部八位压线端子螺丝是否有缺少,如有缺少请仔细检查是否遗落在变频器内部。
再次运输时请将八位压线端子的螺丝拧紧并使用完整的原包装。
目录1

目录2

第一章 到货检查:
宝玛线切割说明书
a.开箱前的检查:
外包装有无明显的破损、受潮、进水等 异 常 情况。
b.开箱后的检查:
检查包装内机器的数量、型号是否与你定购的相 同,是否在运输过程中造成损坏。查看包装箱内的物品是否与“装箱单”上的一致,有无缺少。
c.如有问题请与和您洽谈的销售人员或经销商联系。
第二章 产品外观各部分名称:
变频器整体外观图。
将变频器下部盖板两侧的螺丝松开即可取下上盖。
图中各部分名称:
7个LED指示灯。
5位数码管。
5个按键。
变频器外部预留的通讯端口。
D25针,控制信号输入输出端口。
8位压线端子,连接电源、丝筒电机、水泵。
盖板内预留的通讯端口。
SZP19控制信号端口
第三章 基本的性能介绍
“SY2A150X-H 双源”线切割专用变频器性能介绍:
一、左右行程、超程信号、加工结束信号直接送入变频器进行控制。
二、内部设计有独特的断丝检测电路,无需外部电源供电,直接将”丝+“和”丝-”引线接在钼丝接触的导电块上就能完成安全、可靠的断丝检测。也可以使用“重锤"或其他形式的断丝检测,方便灵活,适应性强。
三、根据不同的机械特性使运丝电机的加速速度在大范围内可调,使换向速度更快,效率更高。
四、内置水泵控制开关,可直接控制单相水泵的启停,使用三相水泵时需外加交流接触器。
五、左右行程、加工结束、开关高频等输入、输出信号极性可调。左右行程可以使用行程开关或接近开关,常开、常闭可选,适应不同厂家的要求。
六、使用 3 根信号线进行 8 段速控制,每一段速均能在0HZ-80HZ之间调节,使机床能适应不同工件的加工要求,显著提高切割面光洁度,扩大机床的适用范围。
七、无条纹切割。本机设有”定时换向(或称进三退二)”功能,在加工时使电机从左至右运行X秒后,自动换向从右至左运行Y秒(一般设X>Y),能显著减少切割条纹,提高切割光洁度和精确度,提高产品竞争力。具有“左右行程开关换向”与“定时换向”的切换端子,可方便地在两者之间进行切换。
八、变频器在收到加工结束信号后的停机方式根据不同用户的使用习惯可设置为立即停机、停在左边或停在右边。
九、设有运丝、水泵启停的外部按钮。使机床内部线路更简
单,大幅度缩短机床生产周期,省去了繁杂的连接线,降低成本,减少故障率。
十、在调试状态下忽略“加工结束”和“断丝检测“信号,并可切换到低速状态,轻松地完成上丝。
十一、内置掉电及低压检测,掉电允许时间可调,掉电时自动刹车,能有效防止电机困失控而造成的断丝、丝筒超程。
十二、功能控制、变频调整一体化设计。线切割机床在使用通用变频器时需要另外用电路来实现高频通断的控制,左右传感器信号的转换,而使用双源线切割专用变频器只需将关信号直接接入即可实现所有控制,与通用变频器相比省去众多不必要的参数设置,安装使用简单方便。
第4章 系统连线、
第4.1 节 控制信号内部电路结构
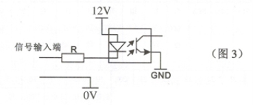
4.1.1.外部信号输入端的内部电路结构:
所有信号输入端的内部电路均可等效为图3(实际电路要稍复杂)

内部12v电源经光耦发光管的正极进入由负极出,再经一电阻外部端子连接。当外部端子悬空或电压较高时内部光耦不工作,当与0V接通时,光耦导通,信号被送入内部电路。
第4.2节 控制信号的连接
D25针引脚的定义(见表1)
在实际的D25针端口中,上一排共13针,其中左上角为(13)脚,右上脚为第(1)脚,下一排共12针,左下角为第(25)脚,右下脚为第(14)脚。
4.2.1. 左右行程开关(或称:左右换向开关)的连接,D25针的第(9)、(10)脚:
(a)左右换向开关可以使用“行程开关”或“接近开关”,相比之下接近开关为无触点形式可靠性较高。左右换向开关的常开、常闭形式可在参数设定器中调节,但左右必须为同一极性。使用常开时将极性调节界面中的“P37=00”,意为该端口与0V接通时变频器认为左行程或右行程信号有效;使用常闭时将“P37=01”,
意为该端口与0V断开时变频器认为左行程或右行程信号有效。
(详见本说明书第20页:5.3节 外部端口极性的调整)。
(表1)

b)使用行程开关时将左换向开关的常开触点(或常闭触点)接在D25针的(9)脚与0V之间,右换向开关的常开触点(或常闭触点)接在D25针的(10)脚与0V之间即可实现左右换向。
(c)使用接近开关时只能使用NPN型号,只有这样信号线才有与0V连通的可能,信号才能被送入。接近开关的电源可使用本机提供的12V。
D25针的(22)(23)脚为12V,(17)(18)(19)脚为0V,最大可提供400mA电流。出现过流时内部电源自动保护,本机的12V只用来给接近开关提供电源,请不要将其作为外部其他设备的电源!以免给变频器的工作带来干扰。
接近开关应使用三线制的,一般情况下,棕色线为电源正极,接+12V(22,23);黑色线为信号,接(9)或(10);
蓝色线为电源负极,接0V(17,18,19)。详细信息请参阅接近开关的使用说明。
4.2.2.超程信号的连接,D25针的第(8)脚:
将超程开关接在D25的(8)脚与0V之间即可实现“超程”保护。
超程开关可以使用“行程开关”或“NPN型接近开关”,超程开关只能是常闭型的。
4.2.3.加工结束信号的连接,D25针第(3)脚:
加工结束信号来自控制制柜,在控制柜内部一般是一个继电器的一组触点。加工结束可以使用常开或常闭形式,具体参数可在参数设定器中调节。
(a)使用常开触点:将D25针第(3)脚接在这组触点的常开点上,将0V接在动触点上(见图4)。使用常开触点时应将“极性调节”界面中的“p27=00”,意为该端口与0V接通时变频器认为“加工结算信号”有效。
下图中左侧为控制柜内的“加工结束继电器”,右侧接D25针。

(b)使用常闭触点:将D25针第(3)脚接在触点的常闭点上,将0V接在动触点上(见图5)。使用常闭触点时应将“极性调节”界面中的“P27=01”,意为该端口与0V断开时变频器认为“加工结束信号”有效。

(c)变频器对加工结束信号的要求:
在加工结束时“加工结束继电器”吸一下后应讯速断开(见图6)。常见的控制柜是吸合1.5秒左右断开。而不能是一直断开或一直吸合!

4.2.4.调试信号的链接,D25针第(2)脚:
调试端口的作用:
当D25针的第(2)脚与0V接通时,变频器忽略对“加工结束”和“断丝”信号的检测,这种状态称为“调试状态”。此状态主要用在变频器安装调试和上丝的时候。
当D25针的第(2)脚断开时,称为“正常状态”。
4.2.5.定时换向信号的连接,D25针第(1)脚:
当D25针的第(1)脚与0V接通时,变频器进入“定时换向模式”,变频器将根据项目“P16=XX"(正向运行时间)正向运行XX秒后,再根据项目“P26=XX”(反向运行时间)
反向运行YY秒后继续正向运行。
4.2.6.断丝检测的连接,D25针(14)、(15)脚;
本变频器内置断丝检测电路,无需外部提供电源,直接将D25针的第(14)、(15)脚接在前后(或上下)导电块上即可实现安全可靠的断丝检测(见图7)。(14)、(15)脚与其他端口在电气上完全隔离。

4.2.7开关高频的连接:
高频控制输出端的内部电路结构
高频控制输出端有2种输出形式:
继电器触点输出形式;D25针的第(24)和第(25)脚接内部“开关高频继电器”的常开触点(见图8)

如果脉冲电源的启停控制需要用继电器隔离可使用此种形式。例如有的高频电源是靠接通或断开振荡板电源来控制启停的。
当时HFP灯点亮时,继电器吸和,(24)(25)闭合;HFP灯熄灭时,继电器释放(24)(25) 断开 。
(2)三极管集电极输出形式;NPN三极管的电极接SIP插件第(10)脚,发射极接0V(见图9)。

如果脉冲电源是用电平来控制启停,可以直接将信号线接在该端子上。
当HFP灯点亮时,此三极管C-E结饱合导通,SIP第(10)脚为低电平;HFP灯熄灭时,三极管截止,(10)脚为高电平。
三极管C-E结最大承受电压24VDC,500mA,可用来控制高频启停的光藕。过高的电压,电流会造成内部电路损坏!
4.2.8. 8段速控制信号(切刀信号)的连接,SP2,SP1,SP0,D25针第(11),(13),(12)脚:
共有2种换刀方式供选择:
(1)使用3根信号线实现8段速控制,此时需将极性调整界面中项目P57=00(数据的调整见本说明书第18页)。
3根换刀信号与段速的对应关系:在表1中相应的信号线与0V接通时记作“0”,与OV断开时记作“1”。SP2、SP1、SP0下对应的二进制数转换成10进制数后就是对应的参数设定器中的“项目数”。
例如,SP2,SP1,SP0都与OV接通时记作000,此时改变当
当前段速的频率值是就应调,“项目P80”中的参数(出厂值P80=15,单位:HZ;)
如果SP2与0V断开,SP1与OV接通,SPO与OV接通,记作100,此时改变当前段速的频率值是就应调“P40”中的参数(出厂值P40=35)。
如果SP2与0V断开,SP1与OV接通,SPO与OV断开,记作111,此时改变当前段速的频率值时就应调“P10”中的参数(出厂值P10=50。所以,SP2,SP1, SP0,悬空时,电动运行在50HZ(出厂值)(表2)
SP2 | SP1 | SP0 | 对应的项目及参数(出厂值) |
0 | 0 | 0 | P80 |
0 | 0 | 1 | P70 |
0 | 1 | 0 | P60 |
0 | 1 | 1 | P50 |
1 | 0 | 0 | P40 |
1 | 0 | 1 | P30 |
1 | 1 | 0 | P20 |
1 | 1 | 1 | P10 |
项目P(1-8)0中的数据都可以在0-80之间调节,在出厂值中的P(1-8)0的数据是从小到大排列,你也可以根据需要讲数值从大到小排列,例如,“P80=80”“P70=70”,
“P60=60”,“P50=50”………..“P10=10”。
(2)当极性调整界面中项目P57=1时,分别在,SP1、SP0与0V之间接2个常开按钮即可实现在8个段速之间的循环切换。
4.2.9低速上丝功能的现实:
将3根信号线经三个二极管(1N4007)后连在一起与OV之间接一个开关(见图10),并将此开关与“调试”开关联动,在上丝时闭合此开关使运丝电机在0段速下低速运行(项目P80=15HZ)并忽略对“断丝”及“加工结束”的检测。其他7段速作为7刀切割时使用。
这个功能也可以通过控制柜上的电路来实现。

4.2.10水泵和运丝开关的连接
水泵和运丝的开关可以由2种方式来控制:
(1)像传统的机器电床那样,设有“开水泵”“关水泵”、“开运丝”、“关运丝”4个按钮,其中“开水泵”、 “开运丝”使用常开按钮,“关水泵”、“关运丝”使用常闭按钮(见图11)。
这里的“常开(常闭)按钮是指不按时断开(闭合),按下是闭合(断开),松开后再次断开(闭合)的不带锁的按钮。
使用这种控制方式时应将“外部端口极性界面”中的47P=01。

如果使用控制柜输出的高低电平来控制水泵和运丝的启停,那么可以将“开水泵”和“关水泵”连在一起,“开运丝”和“关运丝”连在一起,当此信号与“OV”接通时水泵(运丝)启动,断开时停止。(见图12)

(2)用一个按钮“点动”来控制水泵(运丝)的启停:
使“外部端口极性界面”中的“P47=00”,将“开水泵”(开运丝)与“OV”之间接一常开按钮,按下此按钮,水泵(运丝)起动,松开后继续运行,再次按下此按钮,水泵(运丝)停止。
此时“关水泵”、“关运丝”信号不起作用,可以悬空。

4. 2. 11 异常输出信号的连接,D25针第16脚:
D25针端的(16)脚内部为故障输出三极管的集电极,发射在内部接0V,最大承受电压24V,最大允许电流500mA,在ERR异常指示灯点亮时此三极管饱和导通。一般用在需要将异常信号送到上位机的场合。
第4.3.1.节功率信号的连接
下部8位压线端子引脚定义:

左侧第一脚为接地脚“E”为了确保安全,必须将此端子可靠接地。
第2.3脚为电源输入端,L接相线,N接零线,(见图14)
本产品可在交流150V-264V之间正常工作,千万不要将两根相线(380V电压)接入L、N上!
一定要在交流电源与L、N端子之间接一个10A/250V的漏电断路器或串入10A/250V的保险管!太小的规格有可能会在刹车时跳闸。如果不装漏电器或保险管,一旦变频器几个内部出现故障可能会因为外部电源不能及时切断而使故障扩大,给检修带来很大困难。

通电之前请再次输入电压在交流150V-264V之间。
第4、5、6脚为变频器功率输出端,接丝筒电机。
K1与K2为内部继电器的常开触点,容量是10A/250V,可以直接作为单相水泵的启停开关,请在回路中串入10A/250V的保险管,以免在水泵出现故障(例如严重短路)时烧毁变频器内部继电器的触点。
需要控制三相水泵时需外加继电器或交流接触器,绕组的工作电压最高可使用交流220V的。避免使用380V的绕组。