步进驱动器接线图说明【解析】
很多人对步进驱动器接线可能有些不清楚,德科智控小编下面将从步进电机驱动器原理,步进电机工作原理方面来详细说明驱动器接线图。
步进电机是一种将电脉冲转化为角位移的执行机构。当步进电机驱动器接收到一个脉冲信号,它就驱动步进电机按设定的方向转动一个固定的角度(即步进角)。您可以通过控制脉冲个数来控制角位移量,从而达到准确定位的目的;同时您可以通过控制脉冲频率来控制电机转动的速度和加速度,从而达到调速的目的。

步进电机的原理:
步进电机是一种感应电机,它的工作原理是利用电子电路,将直流电变成分时供电的,多相时序控制电流,用这种电流为步进电机供电,步进电机才能正常工作,步进电机驱动器就是为步进电机分时供电的,多相时序控制器。
虽然步进电机已被广泛地应用,但步进电机并不能像普通的直流电机,交流电机在常规下使用。它必须由双环形脉冲信号、功率驱动电路等组成控制系统方可使用。因此用好步进电机却非易事,它涉及到机械、电机、电子及计算机等许多专业知识。
步进驱动器接口功能说明
1、控制信号接口

2、功率端口

3、状态指示
绿色 LED 为电源指示灯,当驱动器接通电源时,该 LED 常亮;当驱动器切断电源时,该LED 熄灭。红色 LED 为故障指示灯,当出现故障时,该指示灯根据故障类型,以0.2秒循环闪烁设定的次数.然后以1秒间隔继续重复以0.2秒循环闪烁设定的次数。直到故障被用户清除,红色 LED常灭。
故障类型对应的闪烁次数如下表:

控制信号接线:
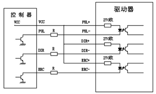
1. 控制信号采用单端接线方式时,接线图如下图所示:

注意:VCC为5V时,R短路;
VCC为12V时,R为1K,大于0.125W电阻;
VCC为24V时,R为2K,大于0.125W电阻;
电阻必须接在控制信号端。
2.控制信号采用差分接线方式时,接线图如下图所示:

差分接线方式(控制器差分输出)
控制信号时序图

注释
1)T0: ENA(使能信号)应提前 DIR 至少 5mS,确定为高。通常ENA+和 ENA-悬空。
2)T1:DIR 至少提前PUL 下降沿 3μs。
3)T2:脉冲宽度至少不小于 1.0μs。
4)T3:低电平宽度不小于于 1.0μs。
3、步进电机驱动器接线要求
1)为了防止驱动器受干扰,建议控制信号采用屏蔽电缆线,并且屏蔽层与地线短接,除特殊要求外,控制信号电缆的屏蔽线单端接地:屏蔽线的上位机一端接地,屏蔽线的驱动器一端悬空。同一机器内只允许在同一点接地,如果不是真实接地线,可能干扰严重,此时屏蔽层不接。
2)脉冲和方向信号线与电机线不允许并排包扎在一起,最好分开至少 10cm 以上,否则电机噪声容易干扰脉冲方向信号引起电机定位不准,系统不稳定等故障。
3)如果一个电源供多台驱动器,应在电源处采取并联连接,不允许先到一台再到另一台链状式连接。
4)严禁带电拔插驱动器强电端子,带电的电机停止时仍有大电流流过线圈,拔插端子将导致巨大的瞬间感生电动势将烧坏驱动器。
5)严禁将导线头加锡后接入接线端子,否则可能因接触电阻变大而过热损坏端子。
6)接线线头不能裸露在端子外,以防意外短路而损坏驱动器。

步进电机的主要参数与技术指标:
额定电压、额定电流、相数、步距角;步距角误差、最大静转矩、空载起动频率、最高运行频率等。
1、 相数:是指电机内部的线圈组数,目前常用的有两相、三相、五相步进电机。
2、 拍数:完成一个磁场周期性变化缩需脉冲数或导电状态,用m表示,或指电机转过一个齿距角所需脉冲数。
3、保持转矩:是指步进电机通电但没有转动时,定子锁住转子的力矩。 (注:通常步进电机在低速时的力矩接近保持转矩。人们常说的2N*M的步进电机,在没有特殊说明的情况下是指保持转矩为2N*M的步进电机)
4、 定位转矩:电机在不通电状态下,电机转子自身的锁定力矩。
5、 步距角:对应一个脉冲信号,电机转子转过的角位移。
6、 失步:电机运转时运转的步数,不等与理论上的步数。
7、 失调角:转子齿轴线偏移定子齿轴线的角度,电机运转必存在失调角,由失调角产生的误差,采用细分驱动是不能解决的。
8、 运行矩频特性:电机在某种测试条件下测得运行中输出力矩与频率关系的曲线。