日标法兰规格尺寸表大全
国际上管法兰标准主要有两个体系,即以德国DIN(包括原苏联)为代表的欧洲管法兰体系和以美国ANSI管法兰为代表的美洲管法兰体系,尤其是美国ANSI管法兰体系应用广泛,但是本次先介绍下日表法兰规格尺寸。
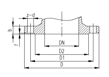
JIS 5K |
|
|
|
|
|
| ||
|
|
|
|
| 单位:mm | |||
法兰规格 DN | 法兰内径 | 法兰外径 D | 孔数 z | 孔距 D1 | 孔径 d | 螺栓尺寸 | 法兰厚度 b | |
灰铸铁 | 非灰铸铁 | |||||||
15 | 21.7 | 80 | 4 | 60 | 12 | M10 | 12 | 9 |
20 | 27.2 | 85 | 4 | 65 | 12 | M10 | 14 | 10 |
25 | 34 | 95 | 4 | 75 | 12 | M10 | 14 | 10 |
32 | 42.7 | 115 | 4 | 90 | 15 | M12 | 16 | 12 |
40 | 48.6 | 120 | 4 | 95 | 15 | M12 | 16 | 12 |
50 | 60.5 | 130 | 4 | 105 | 15 | M12 | 16 | 14 |
65 | 76.3 | 155 | 4 | 130 | 15 | M12 | 18 | 14 |
80 | 89.1 | 180 | 4 | 145 | 19 | M16 | 18 | 14 |
100 | 114.3 | 200 | 8 | 165 | 19 | M16 | 20 | 16 |
125 | 139.8 | 235 | 8 | 200 | 19 | M16 | 20 | 16 |
150 | 165.2 | 265 | 8 | 230 | 19 | M16 | 22 | 18 |
200 | 213.6 | 320 | 8 | 280 | 23 | M20 | 24 | 20 |
250 | 267.4 | 385 | 12 | 345 | 23 | M20 | 26 | 22 |
300 | 318.5 | 430 | 12 | 390 | 23 | M20 | 28 | 22 |
350 | 355.6 | 480 | 12 | 435 | 25 | M22 | 30 | 24 |
400 | 406.4 | 540 | 16 | 495 | 25 | M22 | 30 | 24 |
|
|
|
|
|
|
|
|
|
| ![]()
|
|
| |||||
|
|
| ||||||
|
|
| ||||||
|
|
| ||||||
|
|
| ||||||
|
|
| ||||||
|
|
| ||||||
|
|
| ||||||
|
|
| ||||||
|
|
| ||||||
|
|
| ||||||
|
|
|
|
|
|
|
|
|
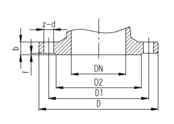
| JIS 10K |
|
|
|
|
|
| |
|
|
|
|
| 单位:mm | |||
法兰规格 DN | 法兰内径 | 法兰外径 D | 孔数 z | 孔距 D1 | 孔径 d | 螺栓尺寸 | 法兰厚度 b | |
灰铸铁 | 非灰铸铁 | |||||||
15 | 21.7 | 95 | 4 | 70 | 15 | M12 | 16 | 12 |
20 | 27.2 | 100 | 4 | 75 | 15 | M12 | 18 | 14 |
25 | 34 | 125 | 4 | 90 | 19 | M16 | 18 | 14 |
32 | 42.7 | 135 | 4 | 100 | 19 | M16 | 20 | 16 |
40 | 48.6 | 140 | 4 | 105 | 19 | M16 | 20 | 16 |
50 | 60.5 | 155 | 4 | 120 | 19 | M16 | 20 | 16 |
65 | 76.3 | 175 | 4 | 140 | 19 | M16 | 22 | 18 |
80 | 89.1 | 185 | 8 | 150 | 19 | M16 | 22 | 18 |
100 | 114.3 | 210 | 8 | 175 | 19 | M16 | 24 | 18 |
125 | 139.8 | 250 | 8 | 210 | 23 | M20 | 24 | 20 |
150 | 165.2 | 280 | 8 | 240 | 23 | M20 | 26 | 22 |
200 | 213.6 | 330 | 12 | 290 | 23 | M20 | 26 | 22 |
250 | 267.4 | 400 | 12 | 355 | 25 | M22 | 30 | 24 |
300 | 318.5 | 445 | 16 | 400 | 25 | M22 | 32 | 24 |
350 | 355.6 | 490 | 16 | 445 | 25 | M22 | 32 | 26 |
400 | 406.4 | 560 | 16 | 510 | 27 | M24 | 36 | 28 |
|
|
|
|
|
|
|
|
|
|
|
|
|
|
|
|
|
|
| ![]()
|
|
| |||||
|
|
| ||||||
|
|
| ||||||
|
|
| ||||||
|
|
| ||||||
|
|
| ||||||
|
|
| ||||||
|
|
| ||||||
|
|
| ||||||
|
|
| ||||||
|
|
|
|
|
|
|
|
|

