数控车床编程步骤和用法【技巧】
数控机床编程课,是数控专业的一门综合性较强的专业课,它要求学生不仅会读懂程序,还要会手工编写简单零件的加工程序。编程的入门较难,入门以后就显得简单一点。下面就先给大家介绍一下数控车床编程步骤和用法。
数控车床编程方法与步骤:
数控机床编程课,是数控专业的一门综合性较强的专业课,它要求学生不仅会读懂程序,还要会手工编写简单零件的加工程序。编程的入门较难,入门以后就显得简单一点。现把编程方法总结如下:
一、分析零件图样、确定加工工艺过程
分析零件的材料、形状、尺寸、精度及毛坯形状和热处理要求等,确定正确的加工方法、定位夹紧以及加工顺序、所用刀具和切削用量等,即制定加工工艺。这一个环节是数控编程的一个重要环节。其主要目的是确定数控加工的工艺路线、切削用量以及工件的定位、夹紧等。首先是数控加工工艺的划分,如加工端面、车外圆、切槽、切断等等;其次是刀具的选择,应该合理选择加工刀具;然后是工序顺序的安排,要求在确定工艺过程中,要做到加工路线短,进给、换刀次数少,充分发挥数控机床的功能,使加工安全、可靠,效率高。
走刀路线是指在加工过程中,刀具刀位点相对于工件的运动轨迹和方向,它不仅包括了工步内容,还反映了工步顺序。在安排可以一刀或多刀进行的精加工工序时,其零件的最终轮廓应由最后一刀连续加工而成。这时,加工刀具的进退刀位置要考虑妥当,尽量不要在连续的轮廓中安排切人和切出或换刀及停顿,以免因切削力突然变化而造成弹性变形,致使光滑连接轮廓上产生表面划伤、形状突变或滞留刀痕等疵病。

二、数值计算
根据零件的尺寸要求、加工路线及设定的坐标系,进行运动轨迹坐标值的计算。对于由圆弧和直线组成的简单零件,只要求计算零件轮廓上各几何元素的交点或切点的坐标,得出各几何元素的起点、终点、圆弧圆心的坐标值。如果数控系统无刀具补偿功能,还应该计算刀具刀位点的运动轨迹。对于由非圆曲线组成的复杂零件,由于数控机床通常只具有直线和平面圆弧插补功能,因而只能采用支线段或圆弧段逼近的方法进行加工,这时就要计算逼近线段和被加工曲线的交点(即节点)的坐标值。
对于简单的平面运动轨迹,各几何元素坐标值的计算常由人工完成。对于运动轨迹十分复杂,或者是三维立体的,则坐标值的计算常借助于计算机来完成。对数控加工的零件,为了便于编程和尺寸间协调,尺寸最好从一个基准引注,有关坐标尺寸直接给出,用绝对编程方式就可以直接从图上看出坐标值。如果不是这样,最好改注过来。

三、编写程序单
根据计算出的运动轨迹坐标值和已确定的加工顺序、刀具号、切削参数以及辅助动作等,按照规定的指令代码及程序格式,逐段编写加工程序单。在编写程序时应注意使程序简单,方便和直观。我们在建立工件坐标系时数控车床一般将程序原点设立在工件的右端面上。数控加工程序由一系列程序段构成,程序段又由指令字组成。
编程之前,首先要弄清程序段的基本格式,常用指令的格式、功能及用途,实际上基本的加工指令不多,比如G00、G01、G02、G03等等;其次是加工路线要确定,尽量把路线上点的坐标值标示出来,这样在编程时才不容易出差;然后在编写程序单。程序编写的一般步骤总结如下:程序号---程序的内容---程序结束。
程序的内容通常由三个部分组成:
(一) 准备阶段:工件坐标系的建立(绝对编程时必写)---选择刀具---主轴转动---快速定位(定位到靠近工件的几个毫米的位置);
(二) 加工阶段:根据具体加工要求编写;
(三)结束阶段:刀具快速退回(一般回到起刀点位置)---取消刀数据补偿。如果是多把刀加工,每一把刀的加工过程重复上述三个阶段。必须要学生熟悉编程的这几个步骤,然后以不变应万变。对形状复杂的工件(棒料),通常需要多把刀才能加工完成,编程时先分析工艺、确定夹具、刀具及其加工路线,写程序时把一把刀加工的内容写完以后,再考虑另外的刀具加工,这样编程就要容易一些。
加工程序是按程序段的输入顺序执行的,而不是按程序段号的顺序执行的,但书写程序时,一般按升序书写程序段号。

下面以华中数控为例 编写外圆精加工程序
O5566
G92 X60 Z20
M03 S450
M06 T0101
G00 X20 Z2
G01 X20 Z-11 F120
G02 X28 Z-15 R4
G01 X30 Z-15
X30 Z-32
X34 Z-32
X40 Z-35
X40 Z-42
G00 X60
Z20
M05
M30
以上就是程序编制的方法,分析工艺---划出走刀路线--建立坐标系并适当标注坐标---按格式写程序。对于初学程序的人,先用此方法多练习,到熟悉以后再写粗加工。当然,程序熟悉以后,走刀路线、坐标可以不标注出来,但思路一定要清楚,这样写的程序才不会出错。
编程的入门较难,入门以后就显得简单一点。只要你独立理清路线,写出一个完整的程序,那么再复杂的零件也用一样的方法编写程序。举一反三,数控编程就容易了。当然,要熟悉数控机床的功能与结构,有一定的机床操作经验,还要熟悉零件的加工工艺,这样编制的程序才简单、实用。
三、控车床变频器主要特点:
1、低频力矩大、输出平稳
2、高性能矢量控制
3、转矩动态响应快、稳速精度高
4、减速停车速度快
5、抗干扰能力强
举例:FANUC-0i数控系统的数控车床重点讨论数控车床基本编程方法。
一、坐标系设定
编程格式G50 X~ Z~
式中X、Z的值是起刀点相对于加工原点的位置。G50使用方法与G92类似。
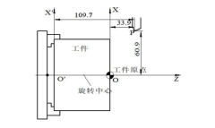
在数控车床编程时,所有X坐标值均使用直径值,如图2.1.5所示。
例:按图2.1.5设置加工坐标的程序段如下:
G50 X 121.8 Z 33.9

工件坐标系的选择指令G54~G59

例如,用G54指令设定如图所示的工件坐标系。
首先设置G54原点偏置寄存器:
G54 X0 Z85.0;
然后再在程序中调用:
N010 G54;
说明:
1、G54~G59是系统预置的六个坐标系,可根据需要选用。
2、G54~G59建立的工件坐标原点是相对于机床原点而言的,在程序运行前已设定好,在程序运行中是无法重置的。
3、G54~G59预置建立的工件坐标原点在机床坐标系中的坐标值可用 MDI 方式输入,系统自动记忆。
4、使用该组指令前,必须先回参考点。
5、G54~G59为模态指令,可相互注销。
二、基本指令G00、G01、G02、G03、G04、G28
1.快速点位移动G00
格式:G00X(U)_Z(W)_;
其中,X(U)_、Z(W)_为目标点坐标值。
2.直线插补G01
格式:G01 X(U)_Z(W)_ F_;
其中,X(U)、Z(W)为目标点坐标,F为进给速度。
机床执行G01指令时,如果之前的程序段中无F指令,在该程序段中必须含有F指令。G01和F都是模态指令。
3.圆弧插补G02、G03
顺时针圆弧插补用G02指令,逆时针圆弧插补用G03指令。
1) 用圆弧半径R和终点坐标进行圆弧插补
格式:G18 G02(G03)X(U)_Z(W)_ R _ F_;
其中:X(U)和Z(W)为圆弧的终点坐标值,
绝对值编程方式下用X和Z,增量值编程方式下用U和W。规定圆弧对应的圆心角小于等于180°时,用“+R”表示;反之,用“-R”表示。
F为加工圆弧时的进给量。
2) 用分矢量和终点坐标进行圆弧插补
格式:G18 G02(G03)X(U)_Z(W)_I _K _F_;
其中:
X(U)和Z(W)为圆弧的终点坐标值,绝对值编程方式下用X和Z,增量值编程方式下用U和W。
I、K分别为圆弧的方向矢量在X轴和Z轴上的投影(I为半径值)。当分矢量的方向与坐标轴的方向不一致时取负号。如图2.1.7所示,图中所示I和K均为负值。

4.暂停指令G04
格式:G04 X(P)_;
其中,X(P)为暂停时间。
X后用小数表示,单位为秒;
P后用整数表示,单位为毫秒。
如 :
G04 X2.0表示暂停2秒;
G04 P1000表示暂停1000毫秒。
5.返回参考点指令G28
G28指令可以使刀具从任何位置以快速点定位方式经过中间点返回参考点。
格式:G28 X _Z _;
其中,X、Z是中间点的坐标值。
三、有关单位设定
1、尺寸单位选择:
格式:G 20 英制输入制式 英寸输入
G 21 公制输入制式 毫米输入 (默认)
2、进给速度单位的设定
每转进给量 编程格式 G95 F~
F后面的数字表示的是主轴每转进给量,单位为mm/r。
例:G95 F0.2 表示进给量为0.2 mm/r。
每分钟进给量 编程格式G94 F~
F后面的数字表示的是每分钟进给量,单位为 mm/min。
例:G94 F100 表示进给量为100mm/min。