拖链长度计算公式【秘籍】
如果电缆拖链固定端位于行程中央,则拖链长度等于行程一半加上K值(K值可在样本的表格中查询)。固定端位于行程中央也是最经济的一种安装方法,拖链,电缆及管线的长度可以最节省。

Lk = S/2 + K
此拖链计算公式适用于所有固定端位于行程中央的应用,但旋转运动及长行程运动除外。
Lk = S/2 + △M + K
此拖链计算公式适用于所有固定端不在于行程中央的应用。
Lk=拖链长度
S=行程
R=弯曲半径;拖链弯曲半径=(弯曲后拖链总高度-拖链厚度)
△M=偏移中心点的距离
K= π*R + (2*T)
T=节距
扩展资料:
如何选择拖链型号?【拖链选型方法】
一、确定拖链内部尺寸
电缆、气管和液压管等负载的数量、类型及直径决定了拖链的内部尺寸和分配状况 。
首先,要保证负载的拖链内部合理均匀的分布:包括重量均匀分布,空间合理分布。
若为单一负载且只有一条,空间足够即可(见图一);
若为液压管、水管、气管、油管和电缆等不同的负载最好用竖隔片分隔开来(见图二);
若为同种负载数量较多且直径差异比较大,也最好用竖隔片隔开(见图二);
若有多层排布,可用横隔片在高度方向进行分隔(见图三)。
其次,要保证负载能够在拖链内部能够自由移动,防止排布时产生相互缠绕的现象;
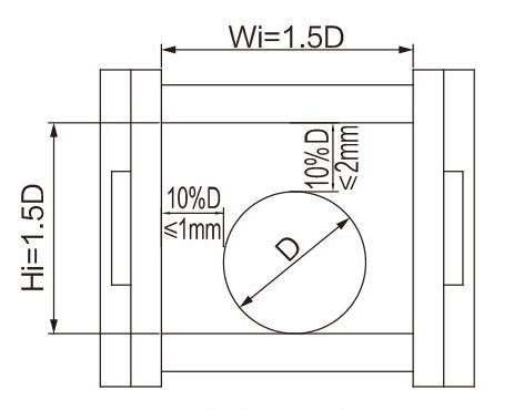
然后,根据负载的排布,计算出内高和内宽:通常情况下所选用的拖链的内宽和内高为负载排布的最大高度和最大宽的1.5倍;
最后,根据拖链的使用环境决定是否需要选用全封闭拖链(一般情况下在有粉尘颗粒较大或者环境较为恶劣的情况下,为了更好的保护负载, 可选用全封闭型的拖链)。

图一

图二

图三

图四
二、计算拖链弯曲半径
弯曲半径的计算取决于以下两个要素:通常情况下,最大的直径或厚度及最硬的电缆决定了最大允许的最小弯曲半径;可获取的安装空间决定了允许的弯曲半径(在拖链安装空间有限的情况下);弯曲半径的计算方法:电缆:国产电缆的弯曲半径是其最大外径的8~10倍左右;进口电缆的弯曲半径是其最大外径的6倍左右;油管:油管的弯曲半径是其最大外径的12倍左右;水管和气管:水管和气管的弯曲半径是其最大外径的10~12倍左右;实际安装高度HL:弯曲半径R≤(HL-H)/2,H为拖链外高尺寸(见图四)。
注:实际选用拖链型号以闵彬现有的拖链标准择优而定。