万能铣床说明书【免费下载】
万能铣床说明书:1.摘要
2.万能铣床简介
3.万能铣床的基本组成
4. 万能铣床工作原理
5.万能铣床原理图
6. 机床分析
7. 万能铣床电气线路的故障与维修
8.万能铣床模拟装置的安装与试运行操作
9. 万能铣床电气控制线路故障排除训练指导
10. 教学演示、故障图及设置说明
一.摘要
铣床是用铣刀对工件进行铣床前加工的机床。铣床除了能铣前平面、沟槽、齿轮、螺纹和花键轴外,还能加工比较复杂的平面;效率较刨床高,在机械制造和修理部门得到广泛应用。最早的铣床是美国人惠特尼于1818年创造的卧式铣床,为了铣削麻花钻头的螺旋槽,美国人布朗于1862年创立了第一台万能铣床,这是升降的邹形;1884年又出现了龙门铣床;二十世纪20年代出现了半自动铣床,工作台利用挡块可完成“进给-快速”或“快速-进给”的自动转换,1950年以后,铣床在控制系统方面发展很快,数字控制的应用大大提升了铣床的自动化程度。尤其是70年代后,微处理机的数字控制系统和自动换刀系统在铣床上得到了应用,扩大了铣床的加工范围,提高了加工精度和效率。
二、 万能铣床简介
卧式万能升降台铣床简称万能铣床,它是铣床中应用最多的一种。图8-55所示为X6132型卧式万能铣床。其主要组成部分:
1.床身床身用来固定和支承铣床各部件。顶面上有供横梁移动用的水平导轨。前壁有燕尾形的垂直导轨,供升降台上下移动。内部装有主电动机,主轴变速机构,主轴,电器设备及润滑油泵等部件。
2.横梁横梁一端装有吊架,用以支承刀杆,以减少刀杆的弯曲与振动。横梁可沿床身的水平导轨移动,其伸出长度由刀杆长度来进行调整。
3.主轴是用来安装刀杆并带动铣刀旋转的。主轴是一空心轴,前端有7:24的精密锥孔,其作用是安装铣刀刀杆锥柄。
4.纵向工作台纵向工作台由纵向丝杠带动在转台的导轨上作纵向移动, 以带动台面上的工件作纵向进给。台面上的 T形槽用以安装夹具或工件。
5.横向工作台横向工作台位于升降台上面的水平导轨上,可带动纵向工作台一起作横向进给。
6.转台转台可将纵向工作台在水平面内扳转一定的角度(正、反均为0~45o),以便铣削螺旋槽等。具有转台的卧式铣床称为卧式万能铣床。
7.升降台 升降台可以带动整个工作台沿床身的垂直导轨上下移动, 以调整工件与铣刀的距离和垂直进给。
8.底座底座用以支承床身和升降台,内盛切削液。 车载式液压升降台 单叉固定式升降台 固定式液压升降台 固定式油压升降台 豪华式液压升降台
三、 万能铣床的基本组成
1、面板1
面板上安装有机床的所有主令电器及动作指示灯、机床的所有操作都在这块面板上进行,指示灯可以指示机床的相应动作。
2、面板2
面板上装有断路器、熔断器、接触器、热继电器、变压器等元器件,这些元器件直接安装在面板表面,可以很直观的看它们的动作情况。
3、电动机
三个380V三相鼠笼异步电动机,分别用作主轴电动机、进给电动机和冷却泵电动机。
4、故障开关箱
设有32个开关,其中K1到K29用于故障设置;K30到K31四个开关保留;K32用作指示灯开关,可以用来设置机床动作指示与不指示。
四、 万能铣床工作原理
机械部分是由机架、工作台、卧铣主轴、可拆装立铣头、工作台传动变速箱、主轴传动变速箱组成。 电路由控制线路、主轴电机(约7.5KW)、工作台电机(2.4KW)、冷却水泵电机(0.12KW)、离合线圈、24V照明线路组成。 原理:由三相380V供电,电机带动变速箱传动到主轴及工作台。用装在主轴上的刀具对装在工作台的工件进行切削。冷却水泵泵出冷却液对切削部分进行冷却。变速箱可选择合理的转速和线速。 其基本工作原理是利用连续移动的细金属丝(称为线切割的电极丝)作电极,对工件进行脉冲火花放电蚀除金属、 切割 成型。 线切割主要用于加工各种形状复杂和精密细小的工件,例如线切割可以加工冲裁模的凸模、凹模、凸凹模、固定板、卸料板等,成形刀具、样板、线切割还可以加工各种微细孔槽、窄缝、任意曲线等.线切割有许多无可比拟的优点,比如: 线切割 具有加工余量小、 线切割 具有加工精度高、 线切割具有生产周期短、线切割具有制造成本低等突出优点,线切割已在生产中获得广泛的应用
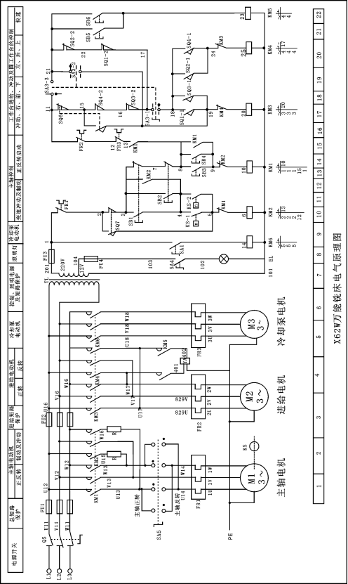
五、 万能铣床原理图


六、 万能铣床机床分析
1、机床的主要结构及运动形式
(1)主要结构 由床身、主轴、刀杆、
横梁、工作台、回转盘、横溜板和升降台等
几部分组成,如右图所示。
(2)运动形式
1)主轴转动是由主轴电动机通过弹性
联轴器来驱动传动机构,当机构中的一个双
联滑动齿轮块啮合时,主轴即可旋转。
1) 工作台面的移动是由进给电动机驱动,它通过机械机构使工作台能进行三种形式六个方向的移动,即:工作台面能直接在溜板上部可转动部分的导轨上作纵向(左、右)移动;工作台面借助横溜板作横向(前、后)移动;工作台面还能借助升降台作垂直(上、下)移动。
2、机床对电气线路的主要要求
(1)机床要求有三台电动机,分别称为主轴电动机、进给电动机和冷却泵电动机。
(2)由于加工时有顺铣和逆铣两种,所以要求主轴电动机能正反转及在变速时能瞬时冲动一下,以利于齿轮的啮合,并要求还能制动停车和实现两地控制。
(3)工作台的三种运动形式、六个方向的移动是依靠机械的方法来达到的,对进给电动机要求能正反转,且要求纵向、横向、垂直三种运动形式相互间应有联锁,以确保操作安全。同时要求工作台进给变速时,电动机也能瞬间冲动、快速进给及两地控制等要求。
(4)冷却泵电动机只要求正转。
(5)进给电动机与主轴电动机需实现两台电动的联锁控制,即主轴工作后才能进行进给。
3.电气控制线路分析
机床电气控制线路见图。电气原理图是由主电路 、控制电路和照明电路三部分组成。
(1)主电路 有三台电动机。M1是主轴电动机;M2是进给电动机;M3是冷却泵电动机。
1)主轴电动机M1通过换相开关SA5与接触器KM1配合,能进行正反转控制,而与接触器KM2﹑制动电阻器R及速度继电器的配合,能实现串电阻瞬时冲动和正反转反接制动控制,并能通过机械进行变速。
2)进给电动机M2能进行正反转控制,通过接触器KM3、KM4与行程开关及KM5、牵引电磁铁YA配合,能实现进给变速时的瞬时冲动、六个方向的常速进给和快速进给控制。
3)冷却泵电动机M3只能正转。
4)熔断器FU1作机床总短路保护,也兼作M1的短路保护;FU2作为M2、M3及控制变压器TC、照明灯EL的短路保护;热继电器FR1、FR2、FR3分别作为M1、M2、M3的过载保护。
(2)控制电路
1)主轴电动机的控制(电路见图1)
①SB1、SB3与SB2、SB4是分别装在机床两边的停止(制动)和启动按钮,实现两地控制,方便操作。
②KM1是主轴电动机启动接触器,KM2是反接制动和主轴变速冲动接触器。
③SQ7是与主轴变速手柄联动的瞬时动作行程开关。
④主轴电动机需启动时,要先将SA5扳到主轴电动机所需要的旋转方向,然后再按启动按钮SB3或SB4来启动电动机M1。
⑤M1启动后,速度继电器KS的一副常开触点闭合,为主轴电动机的停转制动作好准备。
⑥停车时,按停止按钮SB1或SB2切断KM1电路,接通KM2电路,改变M1的电源相序进行串电阻反接制动。当M1的转速低于120转/分时,速度继电器KS的一副常开触点恢复断开,切断KM2电路,M1停转,制动结束。

据以上分析可写出主轴电机转动(即按SB3或SB4)时控制线路的通路:1-2-3-7-8-9-10-KM1线圈-O ;主轴停止与反接制动(即按SB1或SB2)时的通路:1-2-3-4-5-6-KM2线圈-O
⑦主轴电动机变速时的瞬动(冲动)控制,是利用变速手柄与冲动行程开关SQ7通过机械上联动机构进行控制的。
变速时,先下压变速手柄,然后拉到前面,当快要落到第二道槽时,转动变速盘,选择需要的转速。此时凸轮压下弹簧杆,使冲动行程SQ7的常闭触点先断开,
切断KM1线圈的电路,电动机M1断电;同时SQ7的常开触点后接通,KM2线圈得
电动作,M1被反接制动。当手柄拉到第二
道槽时,SQ7不受凸轮控制而复位,M1停转。
接着把手柄从第二道槽推回原始位置时, (2 主轴变速冲动控制示意图)
凸轮又瞬时压动行程开关SQ7,使M1
反向瞬时冲动一下,以利于变速后的齿轮啮合。(图2是主轴变速冲动控制示意图)
但要注意,不论是开车还是停车时,都应以较快的速度把手柄推回原始位置,以免通电时间过长,引起M1转速过高而打坏齿轮。
2)工作台进给电动机的控制,工作台的纵向、横向和垂直运动都由进给电动机M2驱动,接触器KM3和KM4使M2实现正反转,用以改变进给运动方向。它的控制电路采用了与纵向运动机械操作手柄联动的行程开关SQ1、SQ2和横向及垂直运动机械操作手柄联动的行程开关SQ3、SQ4、组成复合联锁控制。即在选择三种运动形式的六个方向移动时,只能进行其中一个方向的移动,以确保操作安全,当这两个机械操作手柄都在中间位置时,各行程开关都处于未压的原始状态,如书中附图所示。
由原理图可知:M2电机在主轴电机M1起动后才能进行工作。在机床接通电源后,将控制圆工作台的组合开关SA3-2(21-19)扳到断开状态,使触点SA3-1(17-18)和SA3-3(11-21)闭合,然后按下SB3或SB4,这时接触器KM1吸合,使KM1(8-12)闭合,就可进行工作台的进给控制。
①工作台纵向(左右)运动的控制,工作台的纵向运动是由进给电动机M2驱动,由纵向操纵手柄来控制。此手柄是复式的,一个安装在工作台底座的顶面中央部位,另一个安装在工作台底座的左下方。手柄有三个:向左、向右、零位。当手柄扳到向右或向左运动方向时,手柄的联动机构压下行程SQ2或SQ1,使接触器KM4或KM3动作,控制进给电动机M2的转向。工作台左右运动的行程,可通过调整安装在工作台两端的撞铁位置来实现。当工作台纵向运动到极限位置时,撞铁撞动纵向操纵手柄,使它回到零位,M2停转,工作台停止运动,从而实现了纵向终端保护。
工作台向左运动:在M1启动后,将纵向操作手柄扳至向右位置,一方面机械接通纵向离合器,同时在电气上压下SQ2,使SQ2-2断,SQ2-1通,而其他控制进给运动的行程开关都处于原始位置,此时使KM4吸合,M2反转,工作台向右进给运动。其控制电路的通路为 :11-15-16-17-18-24-25-KM4线圈-O,工作台向右运动:当纵向操纵手柄扳至向左位置时,机械上仍然接通纵向进给离合器,但却压动了行程开关SQ1,使SQ1-2断,SQ1-1通,使KM3吸合,M2正转,工作台向右进给运动,其通路为:11-15-16-17-18-19-20-KM3线圈-O 。
②工作台垂直(上下)和横向(前后)运动的控制:工作台的垂直和横向运动,由垂直和横向进给手柄操纵。此手柄也是复式的,有两个完全相同的手柄分别装在工作台左侧的前、后方。手柄的联动机械一方面压下行程开关SQ3或SQ4,同时能接通垂直或横向进给离合器。操纵手柄有五个位置(上、下、前、后、中间),五个位置是联锁的,工作台的上下和前后的终端保护是利用装在床身导轨旁与工作台座上的撞铁,将操纵十字手柄撞到中间位置,使M2断电停转。
工作台向后(或者向上)运动的控制:将十字操纵手柄扳至向后(或者向上)位置时,机械上接通横向进给(或者垂直进给)离合器,同时压下SQ3,使SQ3-2断,SQ3-1通,使KM3吸合,M2正转,工作台向后(或者向上)运动。
其通路为:11-21-22-17-18-19-20-KM3线圈-O;工作台向后(或者向上)运动的控制:将十字操纵手柄扳至向前(或者向下)位置时,机械上接通横向进给(或者垂直进给)离合器,同时压下SQ4,使SQ4-2断,SQ4-1通,使KM4吸合,M2反转,工作台向前(或者向下)运动。其通路为:11-21-22-17-18-24-25-KM4线圈-O。
③进给电动机变速时的瞬动(冲动)控制:变速时,为使齿轮易于啮合,进给变速与主轴变速一样,设有变速冲动环节。当需要进行进给变速时,应将转速盘的蘑菇形手轮向外拉出并转动转速盘,把所需进给量的标尺数字对准箭头,然后再把蘑菇形手轮用力向外拉到极限位置并随即推向原位,就在一次操纵手轮的同时,其连杆机构二次瞬时压下行程开关SQ6,使KM3瞬时吸合,M2作正向瞬动。
其通路为:11-21-22-17-16-15-19-20-KM3线圈O,由于进给变速瞬时冲动的通电回路要经过SQ1-SQ4四个行程开关的常闭触点,因此只有当进给运动的操作手柄都在中间(停止)位置时,才能实现进给变速冲动控制,以保证操作时的安全。同时,与主轴变速时冲动控制一样,电动机的通电时间不能太长,以防止转速过高,在变速时打坏齿轮。
④工作台的快速进给控制:为提高劳动生产率,要求铣床在不作铣切加工时,工作台能快速移动。
工作台快速进给也是由进给电动机M2来驱动,在纵向、横向和垂直三种运动形式六个方向上都可以实现快速进给控制。
主轴电动机启动后,将进给操纵手柄扳到所需位置,工作台按照选定的速度和方向作常速进给移动时,再按下快速进给按钮SB5(或SB6),使接触器KM5通电吸合,接通牵引电磁铁YA,电磁铁通过杠杆使摩擦离合器合上,减少中间传动装置,使工作台按运动方向作快速进给运动。当松开快速进给按钮时,电磁铁YA断电,摩擦离合器断开,快速进给运动停止,工作台仍按原常速进给时的速度继续运动。
3)圆工作台运动的控制:铣床如需铣切螺旋槽、弧形槽等曲线时,可在工作台上安装圆形工作台及其传动机械,圆形工作台的回转运动也是由进给电动机M2传动机构驱动的。
圆工作台工作时,应先将进给操作手柄都扳到中间(停止)位置,然后将圆工作台组合开关SA3扳到圆工作台接通位置。此时SA3-1断,SA3-3断,SA3-2通。准备就绪后,按下主轴启动按钮SB3或SB4,则接触器KM1与KM3相继吸合。主轴电机M1与进给电机M2相继启动并运转,而进给电动机仅以正转方向带动圆工作台作定向回转运动。其通路为:11-15-16-17-22-21-19-20-KM3线圈-O,由上可知,圆工作台与工作台进给有互锁,即当圆工作台工作时,不允许工作台在纵向、横向、垂直方向上有任何运动。若误操作而扳动进给运动操纵手柄(即压下SQ1-SQ4、SQ6中任一个),M2即停转。
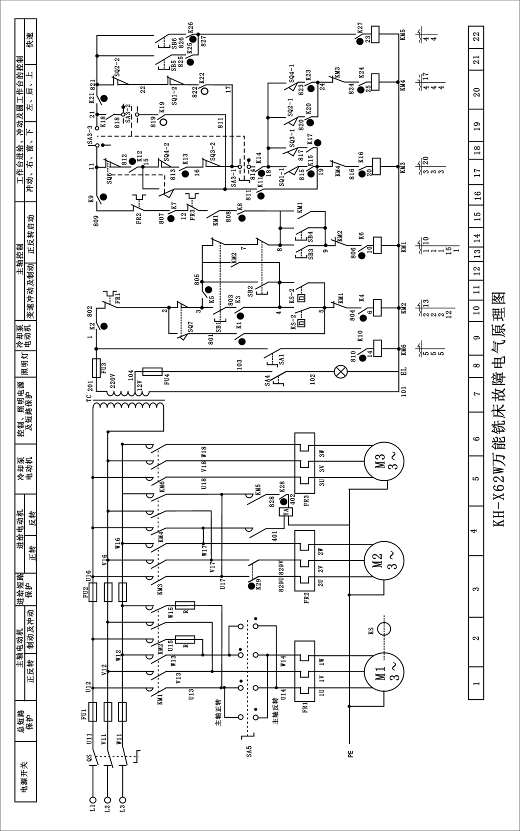
七、 万能铣床电气线路的故障与维修
铣床电气控制线路与机械系统的配合十分密切,其电气线路的正常工作往往与机械系统的正常工作是分不开的,这就是铣床电气控制线路的特点。正确判断是电气还是机械故障和熟悉机电部分配合情况,是迅速排除电气故障的关键。这就要求维修电工不仅要熟悉电气控制线路的工作原理,而且还要熟悉有关机械系统的工作原理及机床操作方法。下面通过几个实例来叙述 铣床的常见故障及其排除方法。
(1)主轴停车时无制动 主轴无制动时要首先检查按下停止按钮SB1或SB2后,反接制动接触器KM2是否吸合,KM2不吸合,则故障原因一定在控制电路部分,检查时可先操作主轴变速冲动手柄,若有冲动,故障范围就缩小到速度继电器和按钮支路上。若KM2吸合,则故障原因就较复杂一些,其故障原因之一,是主电路的KM2、R制动支路中,至少有缺一相的故障存在;其二是,速度继电器的常开触点过早断开,但在检查时,只要仔细观察故障现象,这两种故障原因是能够区别的,前者的故障现象是完全没有制动作用,而后者则是制动效果不明显。
以上分析可知,主轴停车时无制动的故障原因,较多是由于速度继电器KS发生故障引起的。如KS常开触点不能正常闭合,其原因有推动触点的胶木摆杆断裂;KS轴伸端圆销扭弯、磨损或弹性连接元件损坏;螺丝销钉松动或打滑等。若KS常开触点过早断开,其原因有KS动触点的反力弹簧调节过紧;KS的永久磁铁转子的磁性衰减等。
应该说明,机床电气的故障不是千篇一律的,所以在维修中,不可生搬硬套,而应该采用理论与实践相结合的灵活处理方法。
(2)主轴停车后产生短时反向旋转 这一故障一般是由于速度继电器KS动触点弹簧调整得过松,使触点分断过迟引起,只要重新调整反力弹簧便可消除。
(3)按下停止按钮后主轴电机不停转:产生故障的原因有:接触器KM1主触点熔焊;反接制动时两相运行;SB3或SB4在启动M1后绝缘被击穿。这三种故障原因,在故障的现象上是能够加以区别的:如按下停止按钮后,KM1不释放,则故障可断定是由熔焊引起;如按下停止按钮后,接触器的动作顺序正确,即KM1能释放,KM2能吸合,同时伴有嗡嗡声或转速过低,则可断定是制动时主电路有缺相故障存在;若制动时接触器动作顺序正确,电动机也能进行反接制动,但放开停止按钮后,电动机又再次自启动,则可断定故障是由启动按钮绝缘击穿引起。
(4)工作台不能作向上进给运动 由于铣床电气线路与机械系统的配合密切和工作台向上进给运动的控制是处于多回路线路之中,因此,不宜采用按部就班地逐步检查的方法。在检查时,可先依次进行快速进给、进给变速冲动或圆工作台向前进给,向左进给及向后进给的控制,来逐步缩小故障的范围(一般可从中间环节的控制开始),然后再逐个检查故障范围内的元器件、触点、导线及接点,来查出故障点。在实际检查时,还必须考虑到由于机械磨损或移位使操纵失灵等因素,若发现此类故障原因,应与机修钳工互相配合进行修理。
下面假设故障点在图区20上行程开关SQ4-1由于安装螺钉松动而移动位置,造成操纵手柄虽然到位,但触点SQ4-1(18-24)仍不能闭合,在检查时,若进行进给变速冲动控制正常后,也就说明向上进给回路中,线路11-21-22-17是完好的,再通过向左进给控制正常,又能排除线路17-18和24-25-O存在故障的可能性。这样就将故障的范围缩小到18-SQ4-1-24的范围内。再经过仔细检查或测量,就能很快找出故障点。
(5)工作台不能作纵向进给运动 应先检查横向或垂直进给是否正常,如果正常,说明进给电动机M2、主电路、接触器KM3、KM4及纵向进给相关的公共支路都正常,此时应重点检查图区17上的行程开关SQ6(11-15)、SQ4-2及SQ3-2,即线号为11-15-16-17支路,因为只要三对常闭触点中有一对不能闭合有一根线头脱落就会使纵向不能进给。然后再检查进给变速冲动是否正常,如果也正常,则故障的范围已缩小到在SQ6(11-15)及SQ1-1、SQ2-1上,但一般SQ1-1、SQ2-1两副常开触点同时发生故障的可能性甚小,而SQ6(11-15)由于进给变速时,常因用力过猛而容易损坏,所以可先检查SQ6(11-15)触点,直至找到故障点并予以排除。
(6)工作台各个方面都不能进给 可先进行进给变速冲动或圆工作台控制,如果正常,则故障可能在开关SA3-1及引接线17、18号上,若进给变速也不能工作,要注意接触器KM3是否吸合,如果KM3不能吸合,则故障可能发生在控制电路的电源部分,即11-15-16-18-20号线路及0号线上,若KM3能吸合,则应着重检查主电路,包括电动机的接线及绕组是否存在故障。
(7)工作台不能快速进给 常见的故障原因是牵引电磁铁电路不通,多数是由线头脱落、线圈损坏或机械卡死引起。如果按下SB5或SB6后接触器KM5不吸合,则故障在控制电路部分,若KM5能吸合,且牵引电磁铁YA也吸合正常,则故障大多是由于杠杆卡死或离合器摩擦片间隙调整不当引起,应与机修钳工配合进行修理。需强调的是在检查中11-15-16-17支路和11-21-22-17支路时,一定要把SA3开关扳到中间空档位置,否则,由于这两条支路是并联的,将检查不出故障点。
八、 万能铣床模拟装置的安装与试运行操作
1.准备工作
(1)查看各电器元件上的接线是否紧固,各熔断器是否安装良好。
(2)独立安装好接地线,设备下方垫好绝缘垫,将各开关置分断位置。
(3)插上三相电源
2.操作试运行
插上电源后,各开关均应置分断位置。参看电路原理图,按下列步骤进行机床电气模拟操作运行:
(1)先按下主控电源板的启动按钮,合上低压断路器开关QS。
(2)SA5置左位(或右位),电机M1“正转”或“反转”指示灯亮,说明主轴电机可能运转的转向。
(3)旋转SA4开关,“照明”灯亮。转动SA1开关,“冷却泵电机”工作,指示灯亮。
(4)按下SB3按钮(或SB1按钮),电机M1起动(或反接制动);按下SB4按钮(或SB2按钮),M1起动(或反接制动)。注意:不要频繁操作“起动”与“停止”,以免电器过热而损坏。
(5)主轴电机M1变速冲动操作
实际机床的变速是通过变速手柄的操作,瞬间压动SQ7行程开关,使电机产生微转,从而能使齿轮较好实现换档啮合。
本模板要用手动操作SQ7,模仿机械的瞬间压动效果:采用迅速的“点动”操作,使电机M1通电后,立即停转,形成微动或抖动。操作要迅速,以免出现“连续”运转现象。当出现“连续”运转时间较长,会使R发烫。此时应拉下闸刀后,重新送电操作。
(6)主轴电机M1停转后,可转动SA5转换开关,按“起动”按钮SB3或SB4,使电机换向。
(7)进给电机控制操作(SA3开关状态:SA3-1、SA3-3闭合,SA3-2断开)
实际机床中的进给电机M2用于驱动工作台横向(前、后)、升降和纵向(左、右)移动的动力源,均通过机械离合器来实现控制“状态”的选择,电机只作正、反转控制,机械“状态”手柄与电气开关的动作对应关系如下:
工作台横向、升降控制(机床由“十字”复式操作手柄控制,既控制离合器又控制相应开关)。
工作台向后、向上运动—电机M2反转—SQ4压下
工作台向前、向下运动―电机M2正转―SQ3压下
模板操作:按动SQ4,M2反转。按动SQ3,M2正转。
(8)工作台纵向(左、右)进给运动控制:(SA3开关状态同上)
实际机床专用一“纵向”操作手柄,既控制相应离合器,又压动对应的开关SQ1和SQ2,使工作台实现了纵向的左和右运动。
模板操作:将十字开关SA3扳到左边,M2正转。将十字开关SA3扳到右边, M2反转。
(9)工作台快速移动操作。
在实际机床中,按动SB5或SB6按钮,电磁铁YA动作,改变机械传动链中间传动装置,实现各方向的快速移动。
模板操作:在按动SB5或SB6按钮,KM5吸合,相应指示灯亮。
(10)进给变速冲动(功能与主轴冲动相同,便于换档时,齿轮的啮合)
实际机床中变速冲动的实现:在变速手柄操作中,通过联动机构瞬时带动“冲动行程开关SQ6”,使电机产生瞬动。
模拟“冲动”操作,按SQ6,电机M2转动,操作此开关时应迅速压与放,以模仿瞬动压下效果。
(11)圆工作台回转运动控制:将圆工作台转换开关SA3扳到所需位置,此时,SA3-1、SA3-3触点分断,SA3-2触点接通。在起动主轴电机后,M2电机正转,实际中即为圆工作台转动(此时工作台全部操作手柄扳在零位,即SQ1-SQ4均不压下)。
九、 万能铣床电气控制线路故障排除训练指导
1.实训内容
(1) 用通电试验方法发现故障现象,进行故障分析,并在电气原理图中用虚线标出最小故障范围。
(2) 按图排除 万能铣床主电路或控制电路中,人为设置的两个电气自然故障点。
2.电气故障的设置原则
(1) 人为设置的故障点,必须是模拟机床在使用过程中,由于受到振动、受潮、高温、异物侵入、电动机负载及线路长期过载运行、启动频繁、安装质量低劣和调整不当等原因造成的“自然”故障。
(2)切忌设置改动线路、换线、更换电器元件等由于人为原因造成的非“自然”的故障点。
(3)故障点的设置,应做到隐蔽且设置方便,除简单控制线路外,两处故障一般不宜设置在单独支路或单一回路中。
(4)对于设置一个以上故障点的线路,其故障现象应尽可能不要相互掩盖。否则学生在检修时,若检查思路尚清楚,但检修到定额时间的2/3还不能查出一个故障点时,可作适当的提示。
(5)应尽量不设置容易造成人身或设备事故的故障点,如有必要时,教师必须在现场密切注意学生的检修动态,随时作好采取应急措施的准备。
(6)设置的故障点,必须与学生应该具有的修复能力相适应。
3.实训步骤
(1)先熟悉原理,再进行正确的通电试车操作。
(2)熟悉电器元件的安装位置,明确各电器元件作用。
(3)教师示范故障分析检修过程(故障可人为设置)。
(4)教师设置让学生知道的故障点,指导学生如何从故障现象着手进行分
析,逐步引导到采用正确的检查步骤和检修方法。
(5)教师设置人为的自然故障点,由学生检修。
4.实训要求
(1)学生应根据故障现象,先在原理图中正确标出最小故障范围的线段,然后采用正确的检查和排故方法并在定额时间内排除故障。
(2)排除故障时,必须修复故障点,不得采用更换电器元件、借用触点及改动线路的方法,否则,作不能排除故障点扣分。
(3)检修时,严禁扩大故障范围或产生新的故障,并不得损坏电器元件。
5.操作注意事项
(1) 设备应在指导教师指导下操作,安全第一。设备通电后,严禁在电器侧随意扳动电器件。进行排故训练,尽量采用不带电检修。若带电检修,则必须有指导教师在现场监护。
(2) 必须安装好各电机、支架接地线、设备下方垫好绝缘橡胶垫,厚度不小于8mm,操作前要仔细查看各接线端,有无松动或脱落,以免通电后发生意外或损坏电器。
(3) 在操作中若发出不正常声响,应立即断电,查明故障原因待修。故障噪声主要来自电机缺相运行,接触器、继电器吸合不正常等。
(4)发现熔芯熔断,应找出故障后,方可更换同规格熔芯。
(5)在维修设置故障中不要随便互换线端处号码管。
(6)操作时用力不要过大,速度不宜过快;操作频率不宜过于频繁。
(7)实训结束后,应拔出电源插头,将各开关置分断位。
(8)作好实训记录。
十、教学演示、故障图及设置说明

故障设置一览表
故障 开关 | 故障现象 | 备 注 |
K1 | 主轴无变速冲动 | 主电机的正.反转及停止制动均正常 |
K2 | 正反转.进给均不能动作 | 照明指示灯.冷却泵电机均能工作 |
K3 | 按SB1停止时无制动 | SB2制动正常。 |
K4 | 主轴电机无制动 | 按SB1、SB2停止时主轴均无制动。 |
K5 | 主轴电机不能启动 | 主轴不能启动,按下SQ7主轴可以冲动。 |
K6 | 主轴不能启动 | 主轴不能启动,按下SQ7主轴可以冲动。 |
K7 | 进给电机不能启动 | 主轴能启动,进给电机不能启动。 |
K8 | 进给电机不能启动 | 主轴能启动,进给电机不能启动。 |
K9 | 进给电机不能启动 | 主轴能启动,进给电机不能启动。 |
K10 | 冷却泵电机不能启动 |
|
K11 | 进给变速无冲动,圆形工作台不能工作 | 非圆工作台工作正常 |
K12 | 工作台不能左右进给 | 向上(或向后)、向下(或向前)进给正常,进给变速无冲动。 |
K13 | 工作台不能左右进给不能冲动.非圆不能工作 | 向上(或向后)、向下(或向前)进给正常, |
K14 | 各方向进给不工作 | 圆工作台工作正常.冲动正常工作。 |
K15 | 工作台不能向左进给 | 非圆工作台工作时,不能向左进给,其他方向进给正常。 |
K16 | 进给电机不能正转 | 圆工作台不能工作;非圆工作台工作时,不能向左、向上或向后进给.无冲动。 |
K17 | 工作台不能向上或向后进给 | 非圆工作台工作时,不能向上或向后进给,其他方向进给正常 |
K18 | 圆形工作台不能工作 | 非圆工作台工作正常,能进给冲动。 |
K19 | 圆形工作台不能工作 | 非圆工作台工作正常,能进给冲动。 |
K20 | 工作台不能向右进给 | 非圆工作台工作时,不能向右进给,其它工作正常。 |
K21 | 不能上下(或前后)进给,不能快进.无冲动。 | 圆工作台不能工作,非圆工作台工作时,能左右进给,不能快进,不能上下(或前后)进给。 |
K22 | 不能上下(或前后)进给.不能冲动.圆工作台不工作 | ,非圆工作台工作时,能左右进给,左右进给时能快进;不能上下(或前后)进给。 |
K23 | 不能向下(或前)进给 | 非圆工作台工作时,不能向下或向前进给,其它工作正常 |
K24 | 进给电机不能反转 | 圆工作台工作正常;有冲动.非圆工作台工作时,不能向右、向下或向前进给。 |
K25 | 只能一地快进操作 | 进给电机启动后,按SB5不能快进,按SB6能快进。 |
K26 | 只能一地快进操作 | 进给电机启动后,按SB5能快进,按SB6不能快进。 |
K27 | 不能快进 | 进给电机启动后,不能快进。 |
K28 | 电磁阀不动作 | 进给电机启动后,按下SB5(或SB6),KM5吸合,电磁阀YA不动作。 |
K29 | 进给电机不转 | 进给操作时,KM3或KM4能动作,但进给电机不转。 |