液压电磁阀工作原理图及维修【附图】
液压电磁阀是用来控制流体的一种自动化基础元件,属于执行器。液压电磁阀用于控制液压流动方向,工厂的机械装置一般都由液压缸控制,所以就会用到液压电磁阀。那么液压电磁阀工作原理是什么?
液压电磁阀工作原理:
液压电磁阀里有密闭的腔,在不同位置开有通孔,每个孔连接不同的油管,腔中间是活塞,两面是两块电磁铁,哪面的磁铁线圈通电阀体就会被吸引到哪边,通过控制阀体的移动来开启或关闭不同的排油孔,而进油孔是常开的,液压油就会进入不同的排油管,然后通过油的压力来推动油缸的活塞,活塞又带动活塞杆,活塞杆带动机械装置,这样通过控制电磁铁的电流通断就控制了机械运动。
液压电磁阀工作原理图:

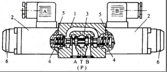
电磁换向阀结构原理
1)WE型电磁换向阀 图1、图2、图3和图4分别是不同通径的WE型电磁换向阀的结构原理图。
电磁换向阀的基本工作原理是相同的,通过电磁铁控制滑阀阀芯的不同位置,以改变形油液的流动方向。当电磁铁断电时,滑阀由弹簧保持在中间位置或初始位置(脉冲式阀除外)。若推动故障检查按钮可使滑阀阀芯移动。
图1 WE5型电磁换向阀结构原理图
1—阀体;2—电磁铁(左为交流电磁铁,右为直流电磁铁);3—滑阀;4—复位弹簧;5—推杆;6—故障检查按钮;7—橡胶保护罩
图2 WE6型电磁换向阀结构原理图
1—阀体;2—电磁铁;3—滑阀;4—复位弹簧;5—推杆;6—故障检查按钮
图3 4WE10E10/A型湿式电磁换向阀结构原理图

1—阀体;2—湿示电磁铁;3—滑阀;4—复位弹簧;5—推杆;6—故障检查按钮
图4 4WE10E10/L…型干式交流电磁换向阀结构原理图
1—阀体;2—干式电磁铁;3—滑阀;4—复位弹簧;5—推杆;6—故障检查按钮
液压电磁阀型号含义:
关于液压电磁阀型号,不同的厂家对型号的编排有所不同,这里小编举个例子说明液压电磁阀型号含义,例如34BYM-L20H-T,其中34表示的是3位4通,B为交流型,Y为液动,M是滑阀机能,L表示螺纹连接形式,20为公称直径,H为公称压力,H表示为高压31.5MPA,T表示弹簧对中型代号。想要更多具体型号含义,可咨询相关厂商。
液压电磁阀特点:
1、液压电磁阀外漏堵绝,内漏易控,使用安全。
2、液压电磁阀系统简单,便于维护,价格低廉。
3、液压电磁阀动作快速,功率微小,外形轻巧。
液压电磁阀分类:
液压电磁阀是指液压传动中用来控制液体压力﹑流量和方向的一种元件。在液压电磁阀中,控制压力的称为压力控制阀,控制流量的称为流量控制阀,而控制通﹑断和流向的则称为方向控制阀。而这些控制阀下又有新的分类,下面我们一起来看看其他分类。
1、方向控制阀按用途分为单向阀和换向阀。
(1)单向阀:只允许流体在管道中单向接通,反向即切断。
(2)换向阀:改变不同管路间的通断关系,根据阀芯在阀体中的工作位置数分两位﹑三位等;根据所控制的通道数分两通﹑三通﹑四通﹑五通等;根据阀芯驱动方式分手动﹑机动﹑电动﹑液动等。
2、压力控制阀按用途可以分为溢流阀﹑减压阀和顺序阀。
(1)溢流阀:能控制液压系统在达到调定压力时保持恒定状态。用于过载保护的溢流阀称为安全阀,当系统发生故障,压力升高到可能造成破坏的限定值时,阀口会打开溢流,以保证系统安全。
(2)减压阀:能控制分支回路得到比主回路油压低的稳定压力。减压阀按它所控制的压力功能不同,又可分为定值减压阀﹑定差减压阀和定比减压阀。
(3)顺序阀:能使一个执行元件动作以后,再按顺序使其他执行元件动作。
3、流量控制阀是利用调节阀芯和阀体间的节流口面积和它所产生的局部阻力对流量进行调节,从而控制执行元件的运动速度。流量控制阀按用途分为5种。
(1)调速阀:在载荷压力变化时能保持节流阀的进出口压差为定值。
(2)分流阀:不论载荷大小都能使同一油源的两个执行元件得到相等流量的为等量分流阀或同步阀;而得到按比例分配流量的为比例分流阀。
(3)分流集流阀:兼具分流阀和集流阀的功能。
(4)集流阀:它是使流入集流阀的流量按比例分配,作用与分流阀相反。
(5)节流阀:在调定节流口面积后,节流阀能使载荷压力变化不大和运动均匀性要求不高的执行元件的运动速度基本上保持稳定。