液压电磁阀型号【大全】
关于液压电磁阀型号,不同的厂家对型号的编排有所不同,这里小编举个例子说明液压电磁阀型号含义。
例如:34BYM-L20H-T。其中34表示的是3位4通,B为交流型,Y为液动,M是滑阀机能,L表示螺纹连接形式,20为公称直径,H为公称压力,H表示为高压31.5MPA,T表示弹簧对中型代号。
WMM型手动换向阀
手动换向阀是利用手动杠杆来操纵的方向控制阀。该阀根据定位方式不同,有弹簧复位式和钢球定位式两种。弹簧复位式手动换向阀,当操纵手柄的外力取消后,复位弹簧把阀芯推回到初始位置。钢球定位式是当操纵手柄的外力取消后,阀芯依靠钢球定位保持在换向位置。
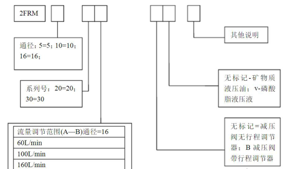
2FRM型调速阀
2FRM型调速阀是二通的流量控制阀,该元件是由减压阀和节流阀串联构成的,由于减压阀对节流阀进行了压力补偿,所以调速阀的流量不受负载变化的影响,保持稳定。同时节流窗口设计成薄刃状,流量受温度变化很小。调速阀与单向阀并联时,油流能反向回流。
直动式溢流阀
DBD型直动式溢流阀用于防止系统过载和保持系统压力恒定。
结构原理:进油口的压力油通过阻尼活塞作用在其底部,形成一个与弹簧力相抗衡的页压力。当次液压力小于调压弹簧的弹簧力时,
锥阀关闭,此阀不起调压作用。随着进油口压力的不断提高。当液压力大于弹簧力时,锥阀开启,多余的油液溢回油箱,使进油口压力稳定在调定值上。
顺序阀
DZ-3X型先导式顺序阀:
该阀利用油路本身压力来控制液压缸或马达的先后动作顺序,以实现油路系统的自动控制。改变控制油和泄油的联接方法,该阀还可作为卸荷阀和背压阀使用。
SV/SL型液控单向阀
液控单向阀的应用很广,如利用液控单向阀的锁紧回路、防止自重下降的回路、充液阀回路、旁通放油阀回路、蓄能器供油回路等。
扩展资料:
性能特色:
1)滑阀的中位性能
各种把持方法的三位四通和三位五通式换向滑阀,阀芯在两头位置时,各油口的连通情形称替换向阀的中位性能。其罕用的有“O”型、“H”型、“P”型、K”型、“M”型等。
剖析和抉择三位换向阀的中位性能时,平常斟酌:
(1) 体系保压 P心阻塞时,体系保压,液压泵用于多缸解统。
(2) 解统卸荷 P口通顺地和T口相通,体系卸荷。(H K X M型)
(3) 换向稳当取精度 A、B二口阻塞,换向进程西难发生冲击,换向不安稳,但精度高;A、B口皆通T口,换向仄稳,但精度矮。
(4) 开动安稳性 阀在外位时,液压油缸某腔通油箱,封动时有充足的油液伏慢冲,承动不稳当。
(5) 液压油缸浮动和在免意位置下结束
2)涩阀的液能源
由液流的动质定律否知,油液通功换向阀时作用在阀芯上的液动力有稳态液动力和瞬态液动力两种。
(1)稳态液能源:阀芯挪动结束,启齿固定前,液流淌功阀心时果动质变更而息用在阀芯下无使阀口闭大的趋势的力,和阀的源质无关。
(2)瞬态液能源:滑阀在移动进程中,阀腔液源因减速或加速而作用在阀芯上的力,取移动快度无关。
3)液压卡松景象
卡松本果:脏物入进缝隙;暖度降低,阀芯收缩;但宾要起因非滑阀副多少何外形和共口度变更引伏的径向不均衡力的作用,其重要包含:
a阀芯和阀体间有多少何外形误差,轴口线仄言但不沉离
b 阀芯果减工误差而带无倒锥,轴口线仄言但不沉分
c 阀芯名义无部分崛起
加大径向不均衡力办法:
1) 进步制作和拆卸精度
2) 阀芯下合环形均压槽




