平垫圈规格尺寸表【免费在线阅读】
今天小编为大家整理平垫圈的规格型号尺寸表。平垫圈可以根据结构分为小系列、标准系列、大系列和特大系列。根据产品精度又可以分为A级和C级。因此,平垫圈的规格型号表,也需要根据不同系列、精度分为对应的表。

1、平垫圈C级(GB/T 95-2002)
C级垫圈配合C级螺栓和螺母使用。



平垫圈 C级尺寸
2、大垫圈 A级(GB/T 95.1-2002)和大垫圈 C级(GB/T 96.2-2002)
大垫圈是指外径d2和厚度h都比普通垫圈要大一些,主要用于木质或铝制等有色金属零件的连接场合。A级大垫圈配合A级或适当精度的螺栓和螺母使用。


大垫圈 A级尺寸

大垫圈 C级尺寸
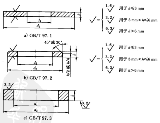
3、平垫圈A级(GB/T 97.1-2002)、平垫圈倒角型A级(GB/T 97.2-2002)和销轴用平垫圈(GB/T 97.3-2000)
此三种垫圈对被连接表面起保护作用,降低螺栓头部对被连接件的表面压力。
该类产品均为A级,GB/T 97.1为不倒角,主要用于M1.6~M36的A级和B级的螺栓、螺钉、螺母配套,GB/T 97.2为倒角,主要用于M5~M36A和B级螺栓、螺钉、螺母配套。


平垫圈 A级尺寸(GB/T 97.1-2002)

平垫圈 倒角型 A级尺寸(GB/T 97.2)

销轴用平垫圈尺寸(GB/T 97.3-2000)
4、小垫圈A级(GB/T 848-2002)
A级小系列的平垫圈主要用于螺纹规格为M1.6~M36的带圆柱头的螺钉。


小垫圈 A级尺寸
以上就是小编为大家整理的几种平垫圈的规格型号尺寸表。
扩展资料:
定义:
平垫圈通常是各种形状的薄件,用于减少摩擦、防止泄漏、隔离、防止松脱或分散压力。 许多材料和结构中都有这种部件,用于履行各类相似的功效。受螺纹紧固件的材料与工艺限制,螺栓等紧固件的支承面不大,因此为减小承压面的压应力保护被连接件的表面,其采用垫圈。 为防止连接副的松动采用防松的弹簧垫圈和多齿形锁紧垫圈、圆螺母止动垫圈以及鞍形、波形、锥形弹性垫圈。
平垫圈主要用于减小压强,当有的部位拧紧轴向力很大时,易使垫圈压成碟形,这时可改用材料和提高硬度来解决。
弹簧垫圈的锁紧效果一般,重要部位尽量少用或不用,而采用自锁结构。对于用于高速拧紧(气动或电动)的弹簧垫圈,最好采用表面磷化处理的垫圈,提高其减磨性能,否则易摩擦发热而烧坏或张口,甚至损坏被连接件表面。对于薄板连接处,不应采用弹簧垫圈结构。据统计,弹簧垫圈在汽车上使用得越来越少了。
齿形弹性垫圈中的连接齿形由于锁紧力大而且均匀,在汽车行业中使用较多,而间隔齿型的则少一些。
对于弹簧垫圈、弹性垫圈,根据国标,一般可选择 GB699-1999 《优质碳素结构钢》中的60 、 70钢和65Mn钢。