三相电力变压器怎么判断好坏
怎样判断电力三相变压器的好坏?
答;电力三相变压器好坏判别,需要具有资质等级的电气工程师来判断,或者亲临现场技术指导。
对于电力变压器来说,它是一种静止电器。虽然在机械结构、绝缘处理等等方面与一般电器有相同之处,但是由于变压器的额定电压往往很高,尤其使用时受到线路负载电流、雷击过电压冲击的可能性很大,若设计结构或制造上存在缺陷时往往会造成烧毁的危险。一台变压器是配电线路上的总枢纽,一旦发生故障,将会产生严重的后果。再者变压器投入运行后是长期工作的,所以配电变压器使用之前一定要检测它的一些关键参数。
下面本人给大家分享一下,变压器试验项目及标准。
1、电压比试验; 电压比测定需要在绕组的所有分接头上作同样方法的试验。采用0.1级电压比电桥测量电压比,准确度和灵敏度均高,操作方便。如果没有这种专用仪器,也可以采用双电压表法。 测量出电压比与检测的变压器铭牌数据无明显差别,并且符合电压比的规律。绕组电压等级为10KV的变压器,其电压比的允许误差在额定分接头位置时为±0.5%。
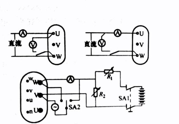
2、绕组连接组标号的测定 测定三相变压器的连接组标号可采用下图1的接线方式。
将被测试的三相变压器的输出端U和u接在一起,将交流电源接在低压侧(0.4KV),并且依次测量Uuv、Uvv、Uww和Uvw,尽量使电压比K=Uuv/Uuv为整数。如果Uvv=Uww>Uvw,并且Uvv=Uuv(K-1),可以判定三相变压器的连接组标号为Y.y0(或Y.yn0);如果Uvv=Uww=Uvw,并且Uvv=Uuv√K²-√3K+1,则可以判定三相变压器的连接组标号为Y.d11接线。
3、绕组的直流电阻测定 测量应该在变压器的分接头所有位置上进行。常用电桥法和电压降法。电桥法准确、灵敏,并且能够直接读出数字。电阻为10Ω以上时,可以用单臂电桥;电阻为10Ω以下,可以用双臂电桥。
下面图2是电压降法检测的方法图。
上图中测量绕组的电阻应该符合欧姆定律R=U/I。测量时可以采用常用的2~12V蓄电池作为电源。通过的电流不要超过变压器额定电流的20%,只需要保证有足够的灵敏度即可,以免变压器绕组线圈发热而引起测量的误差。同时读数时应该等到电流表中的电流值稳定时,再接入电压表。断开电源时,应该首先断开电压表,以防止反电动势的冲击而损坏电压表。 凡是接出中性点的绕组线圈,要测量其相间电阻值,各分接头的电阻都应该测量。对于功率比较大的变压器,由于它的电感大、电阻值小,通入的电流需要经过比较长的时间才能够趋于稳定。为了提高试验效率,可以考虑临时接入阻力电阻等方法来缩短稳定时间。测量的结果需要换算到绕组绝缘耐热等级的参数温度(A、B、E级75℃,F、H及C级为115℃)。
4、绕组连同套管的绝缘电阻和吸收比的测量 对于准备投入前的绝缘电阻值出厂试验值的70%或变压器没有原始数据资料的绝缘电阻,可以参照下表图3
绝缘电阻测量通常采用2500V,120mm刻度盘,量程10000MΩ,精确度为1.5级,在指示量程处仪表误差不大于±2.5%并且带有水平检查装置的晶体管电阻表(兆欧表)接线测量。测量时,应该测量每绕组对地,每对绕组之间的绝缘电阻,此时其他未被测试绕组及变压器外壳必须接地。 吸收比是用绝缘电阻表测量每个绕组的绝缘电阻,从测摇开始时起算,经过15s时的绝缘电阻数值为R15(MΩ),经过60s时的绝缘电阻值即为R60(MΩ),两者的比值即R60/R15的数值称为吸收比。通过计算吸收比可以了解变压器内部线圈绕组的绝缘是否受潮。绕组的对地和绕组之间的绝缘电阻都需要测量。
5、变压器的短路试验短路试验其目的是测量额定电流下的短路损耗(又称为负荷损耗)和短路电压(又称为阻抗电压)。 短路试验就是变压器二次侧低压绕组短路,在高压绕组线圈中加一个较低的电压,使线圈绕组中电流达到额定值。外加试验电压称为短路电压,测量的损耗称为短路损耗。短路试验电流也可以低于额定电流,但是不能低于额定电流的25%。这是测量的结果需要进行计算,这里就省略了。
6、外加高压试验 外加高压试验是对要检测的变压器施加50Hz的交流电压,慢慢地升高电压,直到额定输入电压,持续1min,其试验的目的是考核变压器的主绝缘程度的好坏。一般都是需要专业从事这方面工作多年的老电气技师来做。这一项工作要特别注意人生安全或检测设备的安全。
以上为个人观点,希望提问者阅读后,对怎样判断三相电力变压器有一定的了解和认识。