钣金展开计算方法
钣金展开计算方法适用范围:
公折弯次数小于8次的常规钣金件适用本方法,精密钣金件、折弯次数较多或折弯内圆弧半径R有特殊要求的钣金件需进行试折弯。
钣金展开计算原理:
板料在弯曲过程中外层受到拉应力,內层受到压应力,从拉到压之间有一既不受拉力又不受压力的过度层为中性层;中性层在弯曲过程中的长度和弯曲前一样,保持不变,所以中性层是计算弯曲件展开长度的基准。
中性层的位置与变形程度有关,当弯曲半径较大,折弯角度较小时,变形程度较小,中性层位置 靠近板料厚度的中心处;当弯曲半径较小,折弯角度增大时,变形程度随之增大,中性层位置逐渐向弯曲中心的內侧移动。中性层到板料內侧的距离用λ表示(见图一)。

折弯模具:
我们使用的小松数控折弯机所配套的普通折弯模具V型槽宽度通常为适用该折弯模的板厚的5-6倍。板厚与适用V型槽宽(见表1)。
表1 板厚与适用V型槽宽参数

钣金展开计算方法:
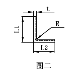
90°折弯(一般折弯)

(如图二),由于我们常用的折弯上模的尖角通常小于0.5,所以折弯内圆弧R可以视为定值,因此折弯拉伸系数的影响因素主要取决于折弯下模槽宽V和材料厚度t。展开长度的计算公式为(1):
L=L1 + L2- 2t + 系数a ;……………………………………………………… (1)
折弯系数a的计算公式为(2):
a = -0.075V+ 0.72t - 0.01 ……………………………………………………………(2)
其中:V—下模槽宽;t—材料厚度
为方便计算将展开长度的计算公式简化为(3):
L=L1+L2-系数C ……………………………………………………………………(3)
注:简化系数C = (2t - 系数a)见表2。
多次折弯展开长度的计算公式为(4):
L=L1+L2+Ln-(n-1)C ………………………………………………………………(4)
其中:n—折弯次数
表2 90O折弯系数C
90O折弯系数C | 材料厚度t | ||||||||
1.0 | 1.2 | 1.5 | 2.0 | 2.5 | 3.0 | 4.0 | 5.0 | ||
下 模 槽 宽 V | 8 | 1.89 | 2.15 | 2.53 | —— | —— | —— | —— | —— |
12 | —— | —— | 2.83 | 3.47 | —— | —— | —— | —— | |
16 | —— | —— | —— | —— | 4.41 | 5.05 | —— | —— | |
25 | —— | —— | —— | —— | —— | 5.73 | 7.01 | 8.29 | |
反折压平(双折边)

如图三,双折边是两层钢板重叠在一起的折弯形状,通常用来起加强作用,因此2.0mm以上的板很少见压死边。它需要用特殊折弯模具成形,而且要分为两道以上的工序才能成形。
双折边的展开长度计算公式为(5):
L=L1 + L2- 系数C ………………………………………………………………(5)
系数C的经验值见表3。
表3 系数C经验值(一)
材料厚度t | 1.0 | 1.2 | 1.5 | 2.0 |
折弯系数C | 0.4 | 0.5 | 0.8 | 1.0 |
钝角折弯

(如图四)我们常用的钝角折边通常为135o、150o,展开长度计算公式为(6):
L=L1 + L2- 系数C ………………………………………………………………(6)
系数C的经验值(二)见表4。
表4 系数C经验值(二)
材料厚度t | 1.0 | 1.2 | 1.5 | 2.0 | 2.5 | 3.0 | 4.0 | 5.0 |
135o系数C | 0.49 | 0.59 | 0.74 | 1.0 | 1.24 | 1.5 | 1.98 | 2.47 |
150o系数C | 0.35 | 0.36 | 0.45 | 0.59 | 0.74 | 0.89 | 1.19 | 1.48 |
折边工艺
最小折边尺寸

(如图五)最小折边尺寸为公式(7):
Lmin =(V/2)+ 2 + t ………………………………………………………………(7)
不同材料厚度的最小折边尺寸Lmin(见表5)。
表5 最小折边尺寸Lmin
Lmin | 材料厚度t | ||
1.0 | 1.2 | 1.5 | |