折弯计算公式
折弯计算公式
在网上看到一个折弯计算公式分享给大家,还有一些关于折弯计算图。
先说一个名词:折弯余量
一个已成形的钣金折弯,它有三个尺寸:两个轮廓尺寸和一个厚度尺寸,定义两个轮廓尺寸为L1、L2,厚度尺寸为T,我们都已知道,L1+L2是要大于展开长度L的,它们的差值就是折弯余量,定义为K,那么一个弯的展开尺寸L=L1+L2-K。 一般冷轧钢板的K值(条件:90度弯,标准折弯刀具)

实例一:

实例二:

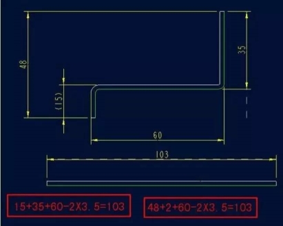
实例三:

不规则折弯按K因子=0.5,直接用AUTOCAD画中性层测量。如有偏差再根据具体情况调整。一般也差不了多少。折弯时调整下模槽宽也可将偏差的展开尺寸调整成合格的折弯外形(当然在一定的范围内)。还有一外钣金件总有一些壁外形偏差允许大一些,可将偏差累积到那些壁去。
服务机械行业22年 - 专业权威积淀,品牌优势传承