等离子切割机起弧方式及不起弧的解决办法
等离子切割机不起弧是什么原因及怎么办
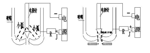
等离子切割机弧切割起弧方式
1、接触式:即把与极针绝缘的喷嘴贴在工件(联接切割电源正端)上,然后把高频高压电流加到联接电源负端的电极针(钨针),使极针喷出电弧,电弧在电压、气压、磁场作用下形成等离子弧,通过大电流维持等离子弧稳定燃烧,然后稍抬高喷嘴(避免炽热的工件损坏喷嘴),开始切割。其过程简图如图:

2、转移弧式(维弧式):即把电源正端通过一定的电阻和继电器开关联接到喷嘴上,使得极针与喷嘴间形成电弧(由于有电阻限流,电弧较小),然后把喷嘴靠近直接联接电源正端的工件上,极针与工件间便形成能量更大的电弧,电弧被压缩后形成等离子弧,而喷嘴与电源正端的联接被断开,开始切割。如下图程简图:

等离子切割机的原因及解决办法
1、输入气压过高:
如果输入空气压力大于0.45MPa,那么在形成等离子弧后压力过大的气流会吹散集中的弧柱,使弧柱能量分散,削弱了等离子弧的切割强度。出现气压过高的原因主要有:空气压缩机的调节不当、空气过滤减压阀调节过高或空气过滤器减压阀故障失效等。
解决办法:
检查空气压缩机的压力调节是否调整合适,确定空压机的压力和空气过滤减压阀的压力是否一致。空压机运转中调节空气过滤减压阀的调节开关,如果气压表无变化就说明空气过滤减压阀失灵应该及时换。
2、输入气压过低:
数控等离子切割机在工作时,如果输入的气压远远低于设备所要求的气压,这就使等离子弧的喷出速度减弱,输入空气的流量小于规定值就无法形成高能量、高速度的等离子弧,从而造成切口质量差、切不透、熔渣堆积的问题。导致气压不足的原因大致空气压缩机输入的空气不足、空气调节阀调压过低,电磁阀内堵塞、气路不通畅等。
解决方法:
进行切割前应注意查看空压机的输出压力显示,如果不符合要求应该调整空压机的压力设置或检修。如果输入的气压要求此时应检查空气过滤减压阀的压力调节是否正确,气压表的压力显示能否满足切割要求,否则应对空气过滤减压阀进行维护,确保输入空气干燥、无油污。输入空气质量差会造成电磁阀内产生油污导致阀芯开启困难和阀口不能完全打开。
3、地线接触不良:
接地是数控切割机工作的一项必不可少的准备工作。未使用专门的接地工具、工件表面有绝缘物或者地线老化等,都会导致地线接触不良。
解决办法
使用专门的接地工具并检查地线与工件接触是否良好,不要使用老化的地线。
4、割嘴和电极损坏:
如果割嘴安装不当、未拧紧、水冷割炬未接入冷却系统都会增加割嘴的损耗。 解决方法:
按照切割工件的相关参数调整设备正确的档位,检查割炬和割嘴是否安装牢固;水冷型割炬应应提前使冷却水循环起来。
5、火花发生器不能自动断弧:
等离子切割机工作时需要引燃等离子弧,由高频振荡器激发电极与割嘴内壁之间的气体,产生高频放电使气体局部电离而形成小电弧,此时小电弧受压缩空气的作用从割嘴喷出,这是火花发生器的主要作用。火花发生器的工作时间一般只有0.5~1S,火花发生器不能自动断弧的原因一般是控制线路板的相关元件失调、火花发生器的放电电极间隙不合适。
解决办法:
应经常检查火花发生器放电极,使其表面保持平整,适时调整火花发生器的放电电极间隙,一般0.8-1.2mm合适。
6、输入电压过低:
等离子切割机的使用场地周边有大型用电设施或者切割机内部主回路元件故障等,会使输入电压过低。
解决方法:
检查等离子切割机所接入的电网是否有足够的承载能力,电压是否稳定,电源线规格是否符合要求。等离子切割机的工作场地应远离大型用电设备和经常有电气干扰的地方。使用过程中,要定期清理切割机内灰尘和元件上的污垢,检查电线是否有老化现象等。