UCFB带座轴承尺寸规格表【免下载】
UCFB带座轴承尺寸规格表【免下载】
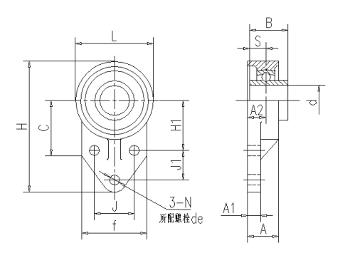
UCFB带座轴承是机械工业中使用并不是很多,只因很多设计者对此轴承不了解,甚至设计参数都难以查到。为方便广大设者的查阅特此编制UCFB带座轴承尺寸规格表,表中最大型号为UCFB209。
注意:
1、表中UCWFB201-UCWFB203中的外形尺寸是一样的;
2、UCWFB201直径为12,UCWFB202直径为15,UCWFB203直径为17。UCFB204以上直径均以最后两位数字乘以5,比如UCFB204直径就为20mm,UCFB205直径为25mm.

型号 | 外型尺寸(mm) | 重量 | |||||||||||||||
d | D | B | S | L | J | J1 | H | H1 | C | f | A | A1 | A2 | N | de | kg | |
UCWFB201 | 12 | 40 | 27.4 | 11.5 | 62 | 32 | 27 | 110 | 42 | 52 | 52 | 25.5 | 13 | 15 | 10 | M8 | 0.7 |
UCWFB202 | 15 | 40 | 27.4 | 11.5 | 62 | 32 | 27 | 110 | 42 | 52 | 52 | 25.5 | 13 | 15 | 10 | M8 | 0.7 |
UCWFB203 | 17 | 40 | 27.4 | 11.5 | 62 | 32 | 27 | 110 | 42 | 52 | 52 | 25.5 | 13 | 15 | 10 | M8 | 0.7 |
UCFB204 | 20 | 47 | 31 | 12.7 | 62 | 32 | 27 | 110 | 42 | 52 | 52 | 25.5 | 13 | 15 | 10 | M8 | 0.7 |
UCFB205 | 25 | 52 | 34.1 | 14.3 | 68 | 34 | 27 | 116 | 45 | 52 | 56 | 27 | 13 | 16 | 10 | M8 | 0.8 |
UCFB206 | 30 | 62 | 38.1 | 15.9 | 78 | 40 | 29 | 130 | 50 | 55 | 65 | 31 | 13 | 18 | 10 | M8 | 1 |
UCFB207 | 35 | 72 | 42.9 | 17.5 | 90 | 46 | 32 | 144 | 55 | 62 | 70 | 34 | 15 | 19 | 10 | M8 | 1.3 |
UCFB208 | 40 | 80 | 49.2 | 19 | 100 | 50 | 41 | 164 | 60 | 72 | 78 | 36 | 16 | 21 | 12 | M10 | 1.4 |
UCFB209 | 45 | 85 | 49.2 | 19 | 106 | 54 | 43 | 174 | 65 | 76 | 80 | 38 | 18 | 22 | 12 | M10 | 2.2 |
服务机械行业22年 - 专业权威积淀,品牌优势传承