UCP带座轴承尺寸规格表【一览表】
UCP轴承又名带立式座顶丝外球面轴承,些类轴承为带座外球面轴承中最经典最常用的一种形式,适用于所有的传动装置和轴与安装面平行的机械上。国标号:《GB/T7810》
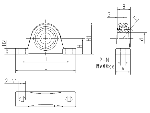
注意:
1、表中UCP201-UCP203中的外形尺寸是一样的;
2、UCP201直径为12,UCP202直径为15,UCP203直径为17。UCP204以上直径均以最后两位数字乘以5,比如UCP204直径就为20mm,UCP205直径为25mm.
3、UCP后的第一位数字为轴承系列号,2为轻系列,3为重系列。

型号 | 外型尺寸(mm) | 重量 | ||||||||||||
d | D | B | S | L | J | H | H1 | H2 | A | N | N1 | de | kg | |
UCP201 | 12 | 47 | 31 | 12.7 | 127 | 95 | 30.2 | 62 | 14 | 38 | 13 | 19 | M10 | 0.7 |
UCP202 | 15 | 47 | 31 | 12.7 | 127 | 95 | 30.2 | 62 | 14 | 38 | 13 | 19 | M10 | 0.7 |
UCP203 | 17 | 47 | 31 | 12.7 | 127 | 95 | 30.2 | 62 | 14 | 38 | 13 | 19 | M10 | 0.7 |
UCP204 | 20 | 47 | 31 | 12.7 | 127 | 95 | 33.3 | 65 | 14 | 38 | 13 | 19 | M10 | 0.7 |
UCP205 | 25 | 52 | 34.1 | 14.3 | 140 | 105 | 36.5 | 71 | 15 | 38 | 13 | 19 | M10 | 0.8 |
UCP206 | 30 | 62 | 38.1 | 15.9 | 165 | 121 | 42.9 | 83 | 17 | 48 | 17 | 23 | M14 | 1.3 |
UCP207 | 35 | 72 | 42.9 | 17.5 | 167 | 127 | 47.9 | 93 | 18 | 48 | 17 | 23 | M14 | 1.6 |
UCP208 | 40 | 80 | 49.2 | 19 | 184 | 137 | 49.2 | 100 | 18 | 54 | 17 | 23 | M14 | 1.9 |
UCP209 | 45 | 85 | 49.2 | 19 | 190 | 146 | 54 | 106 | 20 | 54 | 17 | 23 | M14 | 2.2 |
UCP210 | 50 | 90 | 51.6 | 19 | 206 | 159 | 57.2 | 114 | 21 | 60 | 20 | 26 | M16 | 2.6 |
UCP211 | 55 | 100 | 55.6 | 22.2 | 219 | 171 | 63.5 | 126 | 23 | 60 | 20 | 26 | M16 | 3.3 |
UCP212 | 60 | 110 | 65.1 | 25.4 | 241 | 184 | 69.8 | 138 | 25 | 70 | 20 | 26 | M16 | 4.6 |
UCP213 | 65 | 120 | 65.1 | 25.4 | 265 | 203 | 76.2 | 151 | 27 | 70 | 25 | 31 | M20 | 5.9 |
UCP214 | 70 | 125 | 74.6 | 30.2 | 266 | 210 | 79.4 | 157 | 27 | 72 | 25 | 31 | M20 | 6.6 |
UCP215 | 75 | 130 | 77.8 | 33.3 | 275 | 217 | 82.6 | 163 | 25 | 74 | 25 | 31 | M20 | 7.4 |
UCP216 | 80 | 140 | 82.6 | 33.3 | 292 | 232 | 88.9 | 175 | 30 | 78 | 25 | 31 | M20 | 9 |
UCP217 | 85 | 150 | 85.7 | 34.1 | 310 | 247 | 95.2 | 187 | 32 | 83 | 25 | 31 | M20 | 11 |
UCP218 | 90 | 160 | 96 | 39.7 | 327 | 262 | 101.6 | 200 | 33 | 88 | 27 | 33 | M22 | 13 |
UCP220 | 100 | 180 | 108 | 42 | 380 | 308 | 115 | 225 | 40 | 95 | 30 | 38 | M24 | 16 |
UCP305 | 25 | 62 | 38 | 15 | 175 | 132 | 45 | 85 | 15 | 45 | 17 | 20 | M14 | 1.4 |
UCP306 | 30 | 72 | 43 | 17 | 180 | 140 | 50 | 95 | 18 | 50 | 17 | 20 | M14 | 1.8 |
UCP307 | 35 | 80 | 48 | 19 | 210 | 160 | 56 | 106 | 20 | 56 | 17 | 25 | M14 | 2.8 |
UCP308 | 40 | 90 | 52 | 19 | 220 | 170 | 60 | 116 | 22 | 60 | 17 | 27 | M14 | 3 |
UCP309 | 45 | 100 | 57 | 22 | 245 | 190 | 67 | 129 | 24 | 67 | 20 | 30 | M16 | 4.1 |
UCP310 | 50 | 110 | 61 | 22 | 275 | 212 | 75 | 143 | 27 | 75 | 20 | 35 | M16 | 5.8 |
UCP311 | 55 | 120 | 66 | 25 | 310 | 236 | 80 | 154 | 30 | 80 | 20 | 38 | M16 | 7.4 |
UCP312 | 60 | 130 | 71 | 26 | 330 | 250 | 85 | 165 | 32 | 85 | 25 | 38 | M20 | 9.4 |
UCP313 | 65 | 140 | 75 | 30 | 340 | 260 | 90 | 176 | 33 | 90 | 25 | 38 | M20 | 10 |
UCP314 | 70 | 150 | 78 | 33 | 360 | 280 | 95 | 187 | 35 | 90 | 27 | 40 | M22 | 12 |
UCP315 | 75 | 160 | 82 | 32 | 380 | 290 | 100 | 198 | 35 | 100 | 27 | 40 | M22 | 14 |
UCP316 | 80 | 170 | 86 | 34 | 400 | 300 | 106 | 210 | 40 | 110 | 27 | 40 | M22 | 18 |
UCP317 | 85 | 180 | 96 | 40 | 420 | 320 | 112 | 220 | 40 | 110 | 33 | 45 | M27 | 20 |
UCP318 | 90 | 190 | 96 | 40 | 430 | 330 | 118 | 235 | 45 | 110 | 33 | 45 | M27 | 24 |
UCP319 | 95 | 200 | 103 | 41 | 470 | 360 | 125 | 250 | 45 | 120 | 36 | 50 | M30 | 29 |
UCP320 | 100 | 215 | 108 | 42 | 490 | 380 | 140 | 275 | 50 | 120 | 36 | 50 | M30 | 35 |
UCP321 | 105 | 225 | 112 | 44 | 490 | 380 | 140 | 280 | 50 | 120 | 36 | 50 | M30 | 35 |
UCP322 | 110 | 240 | 117 | 46 | 520 | 400 | 150 | 300 | 55 | 140 | 40 | 55 | M33 | 45 |
UCP324 | 120 | 260 | 126 | 51 | 570 | 450 | 160 | 320 | 65 | 140 | 40 | 55 | M33 | 55 |
UCP326 | 130 | 280 | 135 | 54 | 600 | 480 | 180 | 355 | 75 | 140 | 40 | 55 | M33 | 72 |
UCP328 | 140 | 300 | 145 | 59 | 620 | 500 | 200 | 390 | 75 | 140 | 40 | 55 | M33 | 89 |