UCT带座轴承尺寸规格表【大全】
UCT带座轴承原名UCT型带滑块式座顶丝外球面轴承。使用功能:1、座的上下有两条滑槽,在机架上可以往返移动,因此最适合于需要调整轴间距离的场合,机械在运转中心变可移动。多用于皮带、链条等传动轴上。UCT带座轴承分为200系列和300系列,UCT300系列所承受的负荷较UCT200型的大,本表格所列参数为UCT300型。
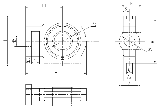
D为uc球面轴承外径,在图中没标出,d为轴承内径,表中未列出,计算方式为型号最后两位数乘以5就是d的值,如:UCT305轴承孔直径为5X5=25。紧固螺丝和轴承座加油嘴在图中未绘制。

带座轴承代号 | 外形尺寸(mm) | 带座轴承重量(kg) | 配用轴承代号 | 配用轴承座代号 | |||||||||||||
D | B | S | L | L1 | L2 | H | H1 | A | A1 | A2 | N | N1 | N2 | ||||
UCT305 | 62 | 38 | 15 | 122 | 76 | 12 | 89 | 80 | 36 | 12 | 26 | 26 | 16 | 36 | 1.4 | UC305 | T305 |
UCT306 | 72 | 43 | 17 | 137 | 85 | 14 | 100 | 90 | 41 | 16 | 28 | 28 | 18 | 41 | 1.8 | UC306 | T306 |
UCT307 | 80 | 48 | 19 | 150 | 94 | 15 | 110 | 100 | 45 | 16 | 32 | 30 | 20 | 45 | 2.4 | UC307 | T307 |
UCT308 | 90 | 52 | 19 | 162 | 100 | 17 | 124 | 110 | 50 | 18 | 34 | 32 | 22 | 50 | 3.0 | UC308 | T308 |
UCT309 | 100 | 57 | 22 | 178 | 110 | 18 | 138 | 120 | 55 | 18 | 38 | 34 | 24 | 55 | 4.0 | UC309 | T309 |
UCT310 | 110 | 61 | 22 | 191 | 117 | 20 | 151 | 125 | 61 | 20 | 40 | 37 | 27 | 61 | 5.0 | UC310 | T310 |
UCT311 | 120 | 66 | 25 | 207 | 127 | 21 | 163 | 140 | 66 | 22 | 44 | 39 | 29 | 66 | 6.4 | UC311 | T311 |
UCT312 | 130 | 71 | 26 | 220 | 135 | 23 | 178 | 150 | 71 | 26 | 46 | 41 | 31 | 71 | 7.6 | UC312 | T312 |
UCT313 | 140 | 75 | 30 | 238 | 146 | 25 | 190 | 170 | 80 | 26 | 50 | 43 | 32 | 70 | 9.7 | UC313 | T313 |
UCT314 | 150 | 78 | 33 | 252 | 155 | 25 | 202 | 180 | 90 | 26 | 52 | 46 | 36 | 85 | 11.0 | UC314 | T314 |
UCT315 | 160 | 82 | 32 | 262 | 160 | 25 | 216 | 192 | 90 | 30 | 55 | 46 | 36 | 85 | 14.0 | UC315 | T315 |
UCT316 | 170 | 86 | 34 | 282 | 174 | 28 | 230 | 204 | 102 | 32 | 60 | 53 | 42 | 98 | 16.0 | UC316 | T316 |
UCT317 | 180 | 96 | 40 | 298 | 183 | 30 | 240 | 214 | 102 | 35 | 64 | 53 | 46 | 98 | 20.0 | UC317 | T317 |
UCT318 | 190 | 96 | 40 | 312 | 192 | 30 | 250 | 228 | 110 | 35 | 66 | 57 | 46 | 106 | 22.0 | UC318 | T318 |
UCT319 | 200 | 103 | 41 | 322 | 197 | 31 | 270 | 240 | 120 | 35 | 72 | 57 | 48 | 106 | 25.0 | UC319 | T319 |
UCT320 | 215 | 108 | 42 | 345 | 210 | 32 | 290 | 260 | 120 | 38 | 75 | 59 | 48 | 115 | 32.0 | UC320 | T320 |
UCT321 | 225 | 112 | 44 | 345 | 210 | 32 | 290 | 260 | 130 | 45 | 75 | 59 | 52 | 115 | 32.0 | UC321 | T321 |
UCT322 | 240 | 117 | 46 | 385 | 235 | 38 | 320 | 285 | 140 | 50 | 80 | 65 | 60 | 125 | 40.0 | UC322 | T322 |
UCT324 | 260 | 126 | 51 | 432 | 267 | 42 | 355 | 320 | 150 | 50 | 90 | 70 | 65 | 140 | 55.0 | UC324 | T324 |
UCT326 | 280 | 135 | 54 | 465 | 285 | 45 | 385 | 350 | 155 | 22 | 100 | 75 | 70 | 150 | 69.0 | UC326 | T326 |
UCT328 | 300 | 145 | 59 | 515 | 315 | 50 | 415 | 380 | 155 | 24 | 100 | 80 | 75 | 160 | 84.0 | UC328 | T328 |