U型螺栓规格尺寸标准表【详细】
U型螺栓规格尺寸标准表【详细】
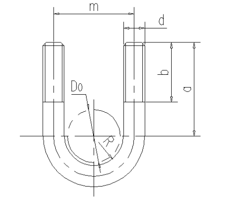
U型螺栓(摘自JB/ZQ4321-86),即固伦特骑马螺栓,英文名称为U-bolt,是非标准件。形状为u形所以也称为固伦特u型螺丝、固伦特u型管卡、固伦特u型卡、固伦特u型丝或固伦特卡子。固伦特u型螺栓规格如下图

标记示例:
管子外径D0=25mm使用的U型螺栓,U型螺栓这样标:JB/ZQ4321-86 25
如果管子外径D0=25mm使用的表面镀锌U型螺栓,U型螺栓这样标:JB/ZQ4321-86 25-Zn
D0 | R | d | l | a | b | m | c |
14 | 8 | M6 | 98 | 33 | 22 | 22 | 1 |
18 | 10 | 108 | 35 | 26 | |||
22 | 12 | M10 | 135 | 42 | 28 | 34 | 1.5 |
25 | 14 | 143 | 44 | 38 | |||
33 | 18 | 160 | 48 | 46 | |||
38 | 20 | M12 | 192 | 55 | 32 | 52 | 2 |
42 | 22 | 202 | 57 | 56 | |||
45 | 24 | 210 | 59 | 60 | |||
48 | 25 | 220 | 60 | 62 | |||
51 | 27 | 225 | 62 | 66 | |||
57 | 31 | 240 | 66 | 74 | |||
60 | 32 | 250 | 67 | 76 | |||
76 | 40 | 289 | 75 | 92 | |||
83 | 43 | 310 | 78 | 98 | |||
89 | 46 | 325 | 81 | 104 | |||
102 | 53 | M16 | 365 | 93 | 38 | 122 | |
108 | 56 | 390 | 96 | 128 | |||
114 | 59 | 405 | 99 | 134 | |||
133 | 69 | 450 | 109 | 154 | |||
140 | 72 | 470 | 112 | 160 | |||
159 | 82 | 520 | 122 | 180 | |||
165 | 85 | 538 | 125 | 186 | |||
219 | 112 | 680 | 152 | 240 |
注:
1、l为毛坏长,D0为管子外径。
2、技术要求:
a.螺栓的螺纹长度允差为:+2P;
b.螺纹基本尺寸按GB196-81规定的粗牙普通螺纹,其公差按GB197-81的6g级制造;
c.材料:Q235-A.F。
d.产品等级按GB3103.1-82规定的B级。
服务机械行业22年 - 专业权威积淀,品牌优势传承