槽钢用方斜垫圈标准尺寸规格表
槽钢用方斜垫圈标准尺寸规格表
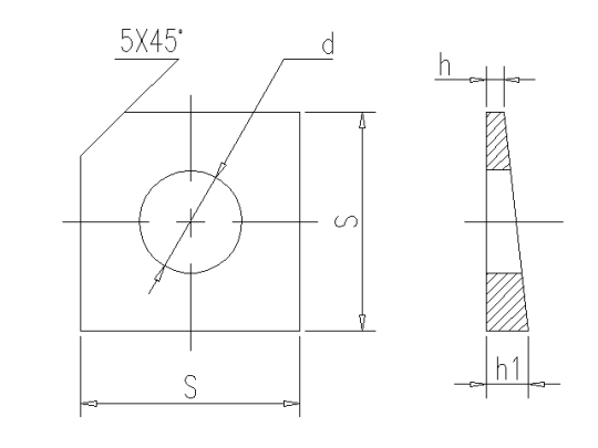
槽钢用方斜垫圈尺寸规格为6~36,即配套螺栓外径为M6~M36之间。
国标号为GB853-88
材质为A3(GB700)
标注按GB1237规定,如16,材质为A3的槽钢用方斜垫圈标注方法:GB 853 16。
下面是6~36槽钢用方斜垫圈尺寸规格表,(单位:mm)

规格型号 | d | s | h | h1 | 每1000件 | |
max | min | |||||
6 | 6.96 | 6.6 | 16 | 2 | 3.6 | 4.75 |
8 | 9.36 | 9 | 18 | 3.8 | 5.79 | |
10 | 11.43 | 11 | 22 | 4.2 | 9.34 | |
12 | 13.93 | 13.5 | 28 | 4.8 | 16.9 | |
16 | 17.93 | 17.5 | 35 | 5.4 | 28.22 | |
18 | 20.52 | 20 | 40 | 3 | 7 | 50 |
20 | 22.52 | 22 | 47.43 | |||
22 | 24.52 | 24 | 44.61 | |||
24 | 26.52 | 26 | 50 | 8 | 84.33 | |
27 | 30.52 | 30 | 76.78 | |||
30 | 33.62 | 33 | 60 | 9 | 128.3 | |
36 | 39.62 | 39 | 70 | 10 | 187.7 | |
服务机械行业22年 - 专业权威积淀,品牌优势传承