电磁阀字母代号什么意思
电磁阀字母代号什么意思
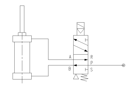
我们使用电磁阀时看到上面有个型号符号,电磁阀上的字母ABRPS代表什么意思?
电磁阀接口处的字母是代表接口的代号。不同厂家使用的代号不尽相同。一般可以理解为:
“P”:压力介质的入口,一般接压缩空气气源。
“A”、“B”:电磁阀的输出口,接下游的设备,比如接气缸,就是说接气缸的进出气接头,接进气还是出气按需求工作定。
“R”、“S”:电磁阀的泄放口,如果介质是空气,泄放口一般不接管子。介质空气可以直接排入大气,我们习惯接上一个消声器,排气声音没那么大。
有些厂家的产品不用字母标注,而是采用数字标注,其标注的意义与此相似,可查阅电磁阀的说明书。
下面是一张带有五位二通电磁阀的气路图:

服务机械行业22年 - 专业权威积淀,品牌优势传承