常用标准件安装公差配合及应用
常用标准件安装公差配合及应用
常用标准件安装公差配合及应用参考:

如下图 B6703ZZ 轴承轴颈和外壳孔的标注:


三、端面推力球轴承公差配合参考

按装配的实际配合要求选择,通常参考上述公差配合,精 度到丝级,小数点后两位,第三位小数点通常结合经验一般 按四舍五入取,特殊机构除外。
四.定位销/轴公差配合参考(优先采用基孔制,孔 IT7,轴 IT6)

五、联轴器与轴的配合公差参考


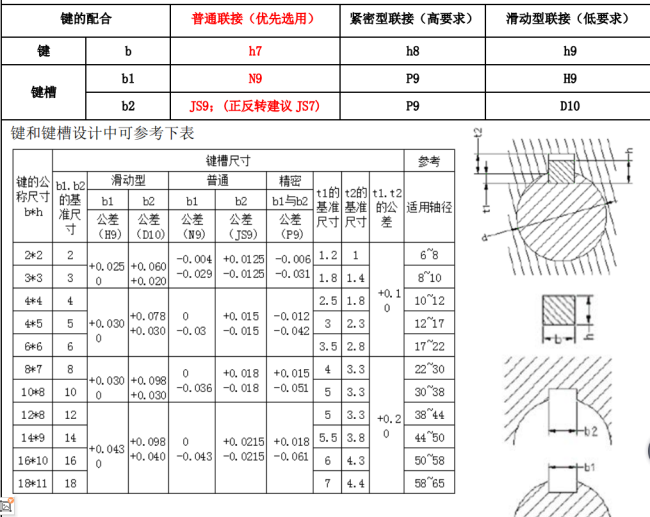
六.键公差配合参考(普通平键的公差 b1 b2)

一般情况参考上述设计,特殊要求时按实际需 要设计。
七.卡簧的公差配合参考 (单位 mm)



八.电机安装卡位的配合公差参考

九.同步轮安装配合公差参考

十.气缸联接安装的配合公差参考


十一.常用线性导轨配置公差配合参考
十二.交叉滚子导轨安装公差配合参考

一般情况参考上述设计,特殊要求时按实际需要设计。
服务机械行业22年 - 专业权威积淀,品牌优势传承