异步电动机正反转PLC控制的编程步骤及方法

异步电动机正反转PLC控制的编程步骤及方法

电动机启动与停止控制电路主要有点动控制、全压启动控制(单向连续运转控制)、正反转控制、星-三角降压启动控制等。

 

下面就以三相异步电动机正反转控制电路为实例来说明PLC的编程方法及步骤。

总的步骤主要有三步:一、根据电路图选择电器元件及PLC的型号,其中包括确定PLC的输入输出点位、确定PLC的输出类型,也需考虑某些功能是否能扩展、价格等;二、设计好PLC控制的外围元器件的原理图。这里面包括有PLC与按钮、行程开关等输入设备的连接,PLC与输出负载的连接。还有就是与电源的连接。三、设计控制程序(梯形图)。当然后面还有一些工作(步骤)要做,比如程序调试、安装面板设计现场接线联机、编制技术文件等就不一一叙述。

异步电动机正反转控制电路原理图见图1。

https://t12.baidu.com/it/u=485010476,1790532471&fm=173&app=25&f=JPEG?w=288&h=238&s=1C8A7433E9966CCA445505DA000080B3图一

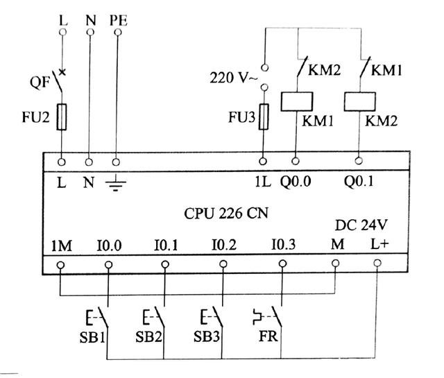
1、确定电器元件及PLC型号

输入信号:正向起动按钮SB1、反向起动按钮SB2、停止按钮SB3、热继电器SB4;SB1接I0.0,SB2接I0.1,SB3接I0.2,SB4接I0.3。

输出信号:正转接触器KM1、反转KM2。KM1接Q0.0,KM2接Q0.1。

差PLC 手册可知,CPU226主机输入6点,输出4点,能满足此电路的实际需求。因为是控制电动机,选择继电器输出型的即可。

2、PLC硬件原理图

根据PLC的选择及I/O分配情况。绘制了电动机正反转运行PLC控制的硬件原理图,如图2所示。这里为了节省篇幅,主电路就没有绘出,可见图所示。

https://t11.baidu.com/it/u=1266970279,641325765&fm=173&app=25&f=JPEG?w=640&h=545&s=5AA83C6241EEC0E81AFCB0CA0000A0B1图二

1、编制PLC程序(绘梯形图)

先用触点线圈指令来编,其梯形图见图3所示。

梯形图控制原理分析:按钮开关SB1接输入端口I0.0,为正转启动按钮;SB2接输入端口I0.1,为反转启动按钮;SB3接输入端口I0.2,为停止按钮。输出端口Q0.0接正转接触器KM1,输出端口O0.1接反转接触器KM2。梯形图上I0.0常开触点到输出继电器Q0.0中间分别串联了I0.1常闭触点、I0.2常闭触点和Q0.1常闭触点。这三个常闭触点一个是停止按钮I0.2的常闭触点,其他两个都是起互锁作用的触点,相当于复合联锁电路。按下SB1线路接通,输出线圈O0.0得电状态为1,有输出,接触器KM1线圈得电主触点闭合,电动机得电正转启动。

https://t12.baidu.com/it/u=755379005,1816766817&fm=173&app=25&f=JPEG?w=544&h=307&s=219A6C320917C4CA0A75A4DB0000C0B3图三

同时并联在I0.0下面的Q0.0常开触点闭合,其自锁作用。按下停止按钮SB3,则输入继电器I0.2得电,其触点改变状态,这里用的是I0.2的常闭触点,改变状态就变成断开状态了,这样就切断了整个电路,输出继电器Q0.0线圈失电状态变为0,没有输出,接触器KM1线圈失电主触点复位,电动机失电停转。反转电路与正转电路相同,动作过程大家自行分析。

正转正常启动后,在反转线路上加上了正转线圈和正转启动按钮的常闭触点,这时,即使误操作,在没有按下停止按钮的情况下,按下了反转启动按钮,因为I0.0常闭触点和Q0.0常闭触点都处在断开状态,所以反转是启动不了的。反之亦然。这就是所谓互锁的作用。

这种正反转控制电路,也可以用置位复位指令来设计,其梯形图见图4所示。

https://t11.baidu.com/it/u=1023670285,1108806126&fm=173&app=25&f=JPEG?w=484&h=300&s=659AEC325917C9CA0E75A0DA000090B2图四

梯形图原理分析:所谓置位指令就是把被置位的输出状态一直保持为1(即一直有输出),只有复位指令到来后,该状态才能改变为0。我们把SB3接出入端口I0.3,置位输出正转接KM1,就置位Q0.0一个输出端口。把SB4接输入端口I0.4,置位输出反转转接KM2,也就置位Q0.1一个输出端口。I0.2 为停止按钮,起复位作用,复位从输出端口Q0.0向下两个端口一起复位。

按下SB3,输入继电器I0.3常开触点闭合,其输出Q0.0这一个端口被置位,即状态一直为1,则所接的接触器KM1线圈始终处以得电状态,即保持连续正转。同理,按下SB4,输入继电器I0.4常开触点闭合,其输出Q0.1这一个端口被置位,即状态一直为1,则所接的接触器KM2线圈始终处以得电状态,即保持连续反转,(这样都省下了触点线圈指令中的自锁触点了)。同时,两条电路上都分别串联了对方输出继电器的常闭触点,这样正转工作时,反转就不能启动,反转工作时正转也不能启动,就是利用两个输出继电器的触点来进行的互锁。

按下SB2,则I0.2闭合,接通了复位电路,从输出继电器Q0.0以下两个输出端口也就是Q0.1都被复位,状态变为0 都没有输出,所以电动机不管正转反转都失电停止旋转。

 

服务机械行业22年 - 专业权威积淀,品牌优势传承