PLC定时器指令及如何应用【实例演示】

PLC定时器指令及如何应用【实例演示】

定时器是PLC中重要的编程元件之一,是累计时间增量的内部器件。一般用符号T表示。定时器的工作过程与继电器控制系统中的时间继电器的原理基本相同,但它没有瞬动触点。使用时要先输入时间设定值,当定时器的条件满足是开始计时,当前值从0开始按一定的时间单位增加,达到定时器预设值时,定时器的触点动作。

 

S7-200系列PLC为用户提供了3种类型的定时器:通电延时型(TON),有记忆的通电延时型又叫又叫保持型(TONR),断电延时型(TOF),共计256个定时器(T0-T55)。定时器的定时精度即分辨率(S)可分为3个等级:1ms、10ms和100ms,定时器的工作方式及类型见图1。

https://t10.baidu.com/it/u=2641461303,1967474747&fm=173&app=25&f=JPEG?w=588&h=181&s=80B07C3285A05D01125594CB0000A0B1图一

定时器的编号从T0可排至T225,不同类型的定时器编号是不一样的,比如TON或TOF型定时器,分辨率为10ms的话,其编号只能是T33-T36,T97-T100。

定时器的定时时间为T=0.1PT×S(秒)。式中:T为实际时间,PT为需要定时的设定值,S为分辨率。如TON指令使用T97(分辨率为s=10ms),设定值(PT)为100,则实际定时时间为T=0.1×100×10ms=100ms=1s。定时器指令格式见图2所示。

https://t10.baidu.com/it/u=408757842,2878013993&fm=173&app=25&f=JPEG?w=580&h=303&s=1AAA74239B0A51495AD145C30000D0B2图二

图中指令快IN代表输入端,PT为定时时间设定值,TON或TOF等为定时器类型符号。

1)通电延时定时器TON

定时器元件快输入端IN有输入时(即IN前面接的触点动作),定时器开始计时,当前值从0开始递增,大于或等于预设值(PT)时,定时器输出状态置1(即输出触点有效),所带触点动作改变状态,即常开闭合,常闭断开;IN端输入断开时,定时器复位(当前值清零,输出状态为0)。也就是说,定时器有输入时开始计时,达到预设值时其触点动作,输入断开时,定时器清零其触点恢复常态。触点动作后的状态不能保持。图3为例图。即网络1中I0.2闭合,定时器它T33开始计时,在到达设定值0.3s(T=0.1PT×S=0.1×30×0.1=0.3s),则定时器输出状态为1,其网络2中常开触点T33闭合,输出继电器Q0.0状态为1。

https://t11.baidu.com/it/u=3236413765,3870544365&fm=173&app=25&f=JPEG?w=415&h=227&s=01306C3211967DCA5CFD01DE000050B2图三

2)断电延时型TOF

定时器元件块输入端IN有输入时(即IN前面接的触点动作),定时器输出状态为1,当前值复位为0。IN端输入断开时,开始计时,当前值从0递增,当前值达到预设值时,定时器状态复位置0,并停止计时,当前值保持(即输出为一直0)。例图见图4。即网络1中I0.0闭合,定时器它T37状态为1,网络2中T37常开触点闭合,输出继电器Q0.0为1;IN端(I0.0)输入断开时,开始计时,当前值从0递增,在到达设定值3s(T=0.1PT×S=0.1×30×1=3s),则定时器复位为0,其网络2中常开触点T33复位,输出继电器Q0.0状态为0。也即延时分断。

https://t10.baidu.com/it/u=2295678894,2506821645&fm=173&app=25&f=JPEG?w=401&h=232&s=05B0683211D2F9CA007D00DA0000C0B2图四

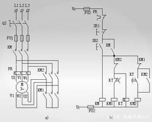
应用实例:用PLC控制异步电动机星三角降压起动。传统的星-三角降压启动控制的电气原理图见图5所示。图中左边是主电路,右边是控制电路。主电路主要是通过三个接触器来实现星形和三角形联结的转换。

https://t11.baidu.com/it/u=1057299787,3724866009&fm=173&app=25&f=JPEG?w=299&h=240&s=BFAA782351065D4D4A75F5CA0100C0B1图五

输入元件分别为起动按钮、停止按钮和热继电器的常开触点,输出接三个接触器。I/O端子分配:起动按钮SB2接I0.0端口,停止按钮SB1接I0.1端口,热继电器常开触点FR接I0.2端口;接触器KM接Q0.0输出端口,星形连接的接触器KM1接Q0.1输出端口;三角形连接的接触器KM2接Q0.2输出端口。

在程序里面,因为电动机起动过程有一定的时间。这个时间的控制我们用定时器来实现,即启动过程中电动机绕组接为星形连接,起动完成应立即转换为正常工作的三角形连接,我们把起动过程的时间定为6秒。另外,在星三角转换的过程中,根据现场经验,两者转换之间要有很短的时间差,若是同步的话,会引起短路事故。故在程序里设计了两个定时器,就是用来实现两者转换的时差,这个时差定为1秒。其梯形图见图6所示。

https://t12.baidu.com/it/u=3155351120,3756609510&fm=173&app=25&f=JPEG?w=535&h=316&s=059AEC32119B45CA5E5DB0CA000050B2图六

梯形图原理分析:星形启动,在网络1中,按下启动按钮SB2,则输入继电器I0.0状态为1,其常开触点闭合,使输出继电器Q0.0置位(即状态为1始终有输出),使接触器KM接通主电路;同时在网络2中Q0.0常开触点闭合,接通定时器开始计时;在网络3中,Q0.0常开触点也闭合,是输出继电器Q0.1状态为1,接通KM1,电动机绕组做星形连接,起动。

星形接法和三角形接法之间转换:定时器设定的时间为6秒,这是电动机的起动时间,时间到达6秒后,定时器T37线圈得电其触点动作,在网络3中(即星形启动支路)串联有定时器T37的常闭触点,此时即断开,切断了星形接法的电路(即解除星形接法,为转换成三角形作准备)。时间多过去1秒即7秒后,定时器T38线圈得电其触点动作,在网络4中,其常开触点闭合,使输出继电器Q0.2状态为1,接通KM2,是电动机作三角形连接正常运转。

在网络5中,停止按钮和热继电器常开触点并联接复位指令,只要按下停止按钮,则使输出继电器Q0.0复位,状态变为0,输出继电器Q0.0线圈失电,接触器主触点复位切断主电路,在网络2中,其常开触点复位断开定时电路;在网络3中,Q0.0常开触点复位,切断星形电路;在网络4中,因定时器T38线圈失电,则其常开触点复位,切断三角形连接电路,整个电路都被切断,电动机停转。

若发生过载,则热继电器常开触点闭合,使输入继电器I0.2状态为1,其常开触点闭合,因这个常开触点与停止按钮I0.1并联,后面作用的效果与停止按钮按下一样,大家可以自行分析。

https://t12.baidu.com/it/u=2679992981,2614524565&fm=173&app=25&f=JPEG?w=586&h=404&s=253668325987C8CA4CDDB4CF0000D0B2图七

这里介绍的是其中一种设计方法,前面我们说过的,每一种控制要求,设计出的梯形图程序不是唯一的,还有一种星三角转换梯形图(见图7),大家可以分析比较,找出设计梯形图的功率,多积累一些经验。

 

服务机械行业22年 - 专业权威积淀,品牌优势传承