电动机调速控制的方法
在电力拖动自动控制系统中,电动机是各种生产机械的动力源,也就是说各种生产机械都由异步电动机来拖动的。生产机械有不同的种类还有各种运行状态,对电动机的控制要求也就有所不同,归纳起来主要有三大部分:一是启动与停止控制;二是调速控制;三是制动控制。
前面我们简单介绍了一些启动与停止控制电路及相应的控制原理,下面介绍一下电动机调速控制的方法。
在负载不变的情况下,我们根据生产机械的一些工作要求,人为地改变电动机的转速,这就是调速。调速的方法很多,可以采用机械调速,也可以采用电气调速。采用电气调速可大大简化机械变速机构,也能获得很好的调速效果。(下面主要介绍电气调速)
笼形三相异步电动机有很多优点,被广泛应用到各种生产机械上面。但它也有两个非常致命的弱点,即启动性能差、调速性能差。根据电动机的转速公式N=(1-s)N0=(1-s)60f1/p可知,其转速与电源频率f1成正比,与电动机磁极对数p成反比,还与转差率有关。
电源频率f=50HZ是一定的,不容易改变。电动机磁极对数p在电动机设计和制造时也是确定下来的,都不容易改变。所以说异步电动机调速困难。
要想改变电动机的转速,只有改变上述三个参数就可实现电动机的调速。与电动机转速有关的三个参数虽说改变有些困难,但也不是不能改变。目前常见的电气调速方法又有下面三种:
1. 变频调速
变频调速主要是依靠变频器来实现的。其原理是通过改变异步电动机供电电源频率f1来改变同步转速N来调速的。图1所示为变频调速的方框图。变频调速装置(变频器)主要由整流器和逆变器组成。通过整流器先将50Hz的交流电变换成电压可调的直流电,直流电再通过逆变器变成频率连续可调的三相交流电。在变频装置(变频器)的支持下,即可实现三相异步电动机的无极调速。

1. 变转差率调速
调速过程中保持电动机同步转速No不变,改变转差率s来进行调速。在电动机转子绕组电路中接人一个调速电阻,通过改变电阻即可实现调速。(实质是改变了转子绕组中的电流)。变转差率调速方法只适用于绕线转子电动机。
2. 变极调速
改变电动机每相绕组的连接方法可以改变磁极对数。磁极对数的改变可使电动机的同步转速发生改变,从而达到改变电动机转速的目的。由于磁极对数p只能成倍变化,所以这种不能实现无极调速。目前已生产的变极调速电动机有双速、三速、四速等多速电动机。
变极调速虽不能平滑无级调速,但比较经济简单。在机床中常用减速齿轮箱来扩大调速范围,下面介绍双速电动机的电气控制。
双数电动机是通过改变定子绕组接线的方法,改变磁极对数P,以获得两个同步转速。图2所示为4/2极双速电动机定子绕组接线示意图。双速电动机每相绕组都有两组线圈,图中分别用①、②来表示。我们把每组线圈串联的接头定义为整个绕组的尾端即U2、V2、W2;三相绕组的收尾连线接头定义为整个绕组的首端即U1、V1、W1。把绕组的首端U1、V1、W1接电源,尾端U2、V2、W2悬空。这种接法叫三角形接法,见图2(a)所示。这是旋转磁场具有四个磁极(即两对极),也即P=2,这样电动机是一个转速(低速)。
图二
我们改变一下接法,把绕组首端U1、V1、W1连在一起,而把尾端U2、V2、W2接电源,(我们俗话说把三个尾端提起来一拉),即每相绕组的两个线圈并联,就变成了双星形接法了。见图2(b)所示。这时的旋转磁场的磁极数变为两个(即一对磁极p=1),电动机又是另一个转速,变为高速了。
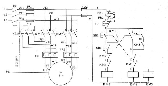
知道了变极原理,我们还是利用低压电器来进行接法上的改变。图3为双速电动机控制线路。这是一个手动控制的电路图。在主电路上,把电动机的6个线头从接线盒中抽出,按图示连接好。控制电路部分因为是手动控制两个速度的转换,采用的是复合联锁的高、低速直接转换的控制线路。按下低速启动按钮SB2,接触器KMI通电吸合,电动机定子绕组接成三角形(三个尾端悬空),电动机以低速运转。若按下高速启动按钮SB3,断开KM1这趟控制线路,则KM1断电释放,同时接通KM2和KM3,电动机定子绕组接成双星形,电动机以高速运转。
图三
这是手动控制的电路图。手动控制有个好处,就是电动机转速的转换可以随时进行。
还有一种自动控制实现转速变换的电路。见图4所示,主要是用在低速启动,高速运转的生产机械上面。受篇幅影响就不分析动作过程,大家自行分析。
图四