电动机控制电路分类
电动机应与生产机械运行状态相匹配。其运行状态归纳起来主要有三大类:起动与停止控制、调速控制、制动控制。它们都是使用继电器-接触器即低压电器按一定的控制原理及方法连线而形成的控制电路。
电动机启动与停止电路主要有点动控制、全压起动控制(单向连续运转控制)、正反转控制、降压起动控制等电路。(降压起动又包括星三角转换、串自耦变压器、串电阻等控制电路,后面介绍)
1. 电动机点动控制电路
电动机点动控制是电动机控制电路里面最简单、最基本的控制电路,其作用是能用一个按钮开关控制电动机启动与停止两个运行状态。原理图见图1。
图一
当按下按钮开关SB时,其常开触点闭合,接通控制电路,KM线圈得电。KM线圈得电后使KM主触点闭合,接通电动机主电路,电动机得电运转。手松开后,因为按钮开关没有自锁性,故常开触点复位断开,从而切断控制电路,使KM线圈失电。KM线圈失电后,其KM主触点释放断开,切断主电路使电动机失电停转。这样就实现了用一个开关控制电动机两种运行状态。
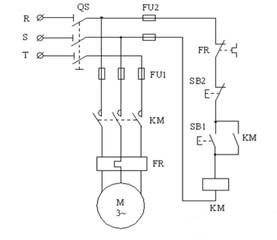
2. 电动机全压启动控制电路
电动机全压起动(也叫直接起动)控制电路是电动机控制电路里面应用最广,也最基本的控制电路。什么是全压启动?全压启动就是把电动机的额定电压通过开关或接触器的主触点直接加在电动机定子绕组上使之启动的一种控制方式。(与之相对应的有降压启动控制电路,对电动机进行启动控制时,是用全压启动还是用降压启动方式,这要取决被控电动机的功率和供电变压器的容量。一般小功率电动机都采用直接启动的方式,功率大于5千瓦的电动机就要采用降压启动的方式了,这些内容后面专题介绍)。其控制原理图见图2所示。
图二
在全压启动电路里,我们使用的控制电器有低压断路器QS、接触器KM、按钮开关SB;保护电器有熔断器FU和热继电器FR。电路图中左边是主电路,右边是控制电路。接触器的主触点设计在主电路里,主电路用接触器(KM)主触点控制电路的通断,KM主触点闭合,电动机得电运转。KM主触点断开,电动机失电停转。接触器线圈设计在控制电路里,根据接触器工作原理知道,KM主触点状态的改变由其线圈控制,右边控制电路里面接触器KM线圈是用电器,它把电能变为磁能,所产生的磁力使接触器触点动作。也就是说我们通过控制接触器KM的线圈,就可控制接触器KM主触点的分合,从而实现控制主电路的通断。
右边的控制电路原理是非常典型的“起、保、停”电路。按下按钮SB2,电路接通,KM线圈励磁,其主触点闭合接通主电路,电动机得电运转。同时KM辅助触点闭合,起自锁作用(自保持),电动机即可维持长时间运转。停止时,按下SB1,控制电路被切断,KM线圈失电,其触点复位,主触点断开,切断主电路,电动机失电停转,辅助触点断开,解除自锁。

3. 点动与全压启动组合控制电路
前面介绍的两个例子都是相当于单独的控制电路,在教学过程中一般把这类电路都称为单元电路,这样分开讲解主要是便于理解。在实际工作当中,各种控制电路都是互相融合在一起的,某个机械设备可能即有点动控制,也有连续运转控制,或改变方向(正反转)的控制等,这就需要把这些单元电路组合在一起。怎样把几种电路融合在一起呢?下面我们就试着设计一种把点动和全压启动控制电路融合在一起的电路。
既然要把两种电路组合在一起就要充分了解其控制特点,点动的特点是启动按钮没有自锁,按下后电路接通,电动机运转;松开后按钮自动复位断开,切断了电路,电动机失电停转。全压启动的特点是启动按钮旁并联了一个自锁触点。要设计具有这两种控制要求的电路,从电路上分析可知,只要想办法控制其自锁触点就能实现两种电路的转换。比如,在全压启动电路里的自锁触点这条线路上,加上一个SA类的转换开关,与自锁触点串联。点动时,断开SA开关,就相当于把自锁触点甩掉不用,那整个电路就没有自锁性了,就是点动;若要连续运转,就把SA开关闭合,等于把自锁触点接上,就成了全压启动控制电路。原理图见图3所示。
图三
这个电路给我们提供了一种思路,只不过电路多用了一个转换开关。我们还可以想多种办法,比如我们电动机控制电路多用按钮开关来控制,也就是说按钮开关我们使用起来很方便,看看能不能用按钮开关控制来设计这种电路。也就是不用SA类开关,改用SB类的开关来设计。原理图见图4所示。
图四
这个电路多用了一个按钮开关SB3,其两对触点(常开、常闭)都使用上了,这种触点我们又称为复合触点。(前面电路里使用的按钮开关都是单个的,不是用其常开就是用其常闭触点,没有一起使用的,一起都是要就称为复合按钮)。
电路分析:按下按钮SB2线路接通,KM辅助触点闭合,但与之串联的是SB3的常闭触点,KM辅助触点起到了自锁作用,停止的话就按下SB1线路切断,这是全压启动控制;按下SB3,其为复合按钮,即常开触点闭合,接通线路,与KM辅助触点串联的常闭触点断开,即使KM辅助触点闭合,也不能起到自锁的作用,手一松开,SB3常开触点先断开,KM线圈失电,其辅助触点也自动复位断开。这就是点动控制。
还有一种电路,就是利用中间继电器来设计的,具体控制方式见图5所示。因为篇幅的关系,这个电路就不分析讲解了,大家自行分析体会。