伺服电机驱动器抗干扰的接口方法

伺服电机驱动器抗干扰的接口方法

由于交流伺服电机驱动器内部对脉冲指令和方向控制输入采用了高速光耦。为增强其抗干扰及提高工作可靠性,建议对脉冲指令和方向控制输入采用如下接线方式。

 

(1)采用差分信号输入方式

https://www.forrun.cn/Public/upload/article/2019/11-06/5dc29dfa083f7.jpg

该方式具有最好的抗干扰能力,适合于较高工作频率。

 

(2)控制器为集电极开路输出形式时的推荐接法

https://www.forrun.cn/Public/upload/article/2019/11-06/5dc29e2ce2a4e.jpg

 

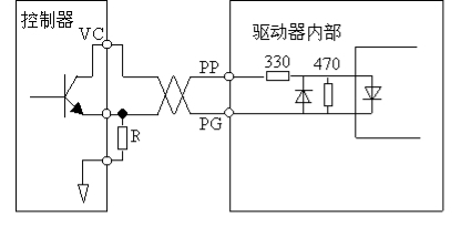
(3)控制器为射极跟随输出形式时的推荐接法

https://www.forrun.cn/Public/upload/article/2019/11-06/5dc29e37d0707.jpg

注: 当VC=24V时,R=1.2K~1.8K。当VC=12V时,R=510。

 

服务机械行业22年 - 专业权威积淀,品牌优势传承