滚珠丝杠的预紧方式和预紧力测定
滚珠丝杠的预紧方式和预紧力测定
提高滚珠丝杠传送精度、提高刚性的手段有「预紧」。滚珠丝杠螺纹槽与滚珠之间的微小间隙的状态会对滚珠丝杠的特性有很大变化。
所谓预紧就是,为了减小滚珠丝杠的间隙,提高刚性,使用一组滚珠,或者一对丝母沿轴向相互位移而施加在滚珠丝杠上的力。
定位预紧:用螺纹轴和滚珠之间的位置关系进行预紧的方法
大号滚珠预紧方式:插入比螺纹沟槽形状稍大的滚珠(弹性形变程度),通常在受力较大的状态下进行预紧的方法

导程改变方式:在加工丝母的中央螺纹沟槽时候通过改变导程,偏离出预紧量大小进行预紧式
垫片方式:在两个丝母构造之间加入预紧量的垫圈(垫片)进行预紧的方法

定压预紧:使用弹簧力的预紧方法

高精度高刚性的滚珠丝杠,换向时为达到零间隙的目的来选择「预紧滚珠丝杠」。
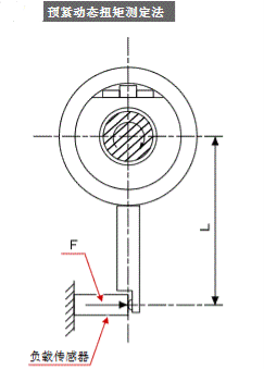
预紧动态扭矩测定法:

预加载荷动态扭矩是在不施加外部载荷的情况下,旋转滚珠丝杠的丝母时的实际扭矩。
在实际测量中,用测力传感器测量当螺旋轴旋转时停止丝母所需的力,该力F乘以从螺纹轴的中心到测量点的距离(力臂L)计算。
实际测定数据和管理办法:
超精密定位的滚珠丝杠和用于机械的高刚性滚珠丝杠在出货检验时候都要用预紧扭矩测定作为出货检查数据进行确认。测量两个方向上的预加载扭矩,预紧动态扭矩的标准值可以保证出货品质。
滚珠丝杠经过长时间使用的结果,因为滚珠丝杠的磨损等,预紧低下时候测定的预紧动态扭矩数据,与出货时的初始值相比降低了30至40%。这种状态被称为「无预紧」,产生初期没有的间隙,造成精度下降,刚性下降,伺服不稳定等主要原因。
服务机械行业22年 - 专业权威积淀,品牌优势传承