机械手控制操作方法【教程】
机械手的全部动作由气缸驱动,而气缸又由相应的电磁阀控制。其中,上升/下降和左转/右转分别由双线圈两位电磁阀控制。例如:当下降电磁阀通电时,机械手下降;当下降电磁阀断电时,机械手下降停止。只有当上升电磁阀通电时,机械手才上升;当上升电磁阀断电时,机械手上升停止。同样,左转/右转分别由左转电磁阀和右转电磁阀控制。机械手的放松/夹紧由一个单线圈两位电磁阀(称为夹紧电磁阀)来控制气缸的运动。当该线圈通电时,机械手夹紧;当该线圈断电时,机械手放松。
当机械手右移到位并准备下降时,为了确保安全,必须在右工作台无工件时才允许机械手下降。也就是说,若上一次搬运到右工作台上的工件尚未搬走时,机械手应自动停止下降,用光电开关I0.5进行无工件检测。
机械手的动作过程如图2所示。从原点开始,按下启动按钮,下降电磁阀通电,机械手下降。下降到底时,碰到下限位开关,下降电磁阀断电,下降停止;同时接通夹紧电磁阀,机械手夹紧。夹紧后,上升电磁阀通电,机械手上升。上升到顶时,碰到上限位开关,上升电磁阀断电,上升停止;同时接通右移电磁阀,机械手右移。右移到位时,碰到右限位开关,右移电磁阀断电,右移停止。若此时右工作台上无工件,则光电开关接通,下降电磁阀通电,机械手下降。下降到底时,碰到下限位开关,下降电磁阀断电,下降停止; 同时夹紧电磁阀断电,机械手放松。放松后,上升电磁阀通电,机械手上升。上升到顶时, 碰到上限位开关,上升电磁阀断电,上升停止;同时接通左移电磁阀,机械手左移。左移到原点时,碰到左限位开关,左移电磁阀断电,左移停止。至此,机械手经过八步动作完成了一个周期的动作。
图 2
机械手的操作方式分为手动操作方式和自动操作方式。自动操作方式又分为步进、单周期和连续操作三种方式。
(1)手动操作:就是用按钮操作对机械手的每步运动单独进行控制。例如,当选择上/下运动时,按下启动按钮,机械手下降;按下停止按钮,机械手上升。当选择左/右运动时,按下启动按钮,机械手右移;按下停止按钮,机械手左移。当选择夹紧/放松运动时,按下启动按钮,机械手夹紧;按下停止按钮,机械手放松。
(2)步进操作:每按一次启动按钮,机械手完成一步动作后自动停止。
(3)单周期操作:机械手从原点开始,按一下启动按钮,机械手自动完成一个周期的动作后停止。
(4)连续操作:机械手从原点开始,按一下启动按钮,机械手的动作将自动地、连续不断地周期性循环。在工作中若按下停止按钮,则机械手将继续完成一个周期的动作后,回到原点自动停止。
2、操作面板布置
图3位操作面板布置图。
接通I0.7是单操作方式。按加载选择开关的位置,用启动/停止按钮选择加载操作,当加载选择开关打到“左右”位置时,按下启动按钮,机械手右行;若按下停止按钮,机械手左行。用上述操作可使机械手停在原点。
接通I1.0是步进方式。机械手在原点时,按下启动按钮,向前操作一步;每按启动按钮一次,操作一步。接通I1.1是单周期操作方式。机械手在原点时,按下启动按钮,自动操作一个周期。接通I1.2是连续操作方式。机械手在原点时,按下启动按钮,连续执行自动周期操作,当按下停止按钮,机械手完成此周期动作后自动回到原点并不再动作。
图 3
3、输入/输出端子地址分配机械手控制系统所采用的PLC是德国西门子公司生产的S7-200CPU214,图4是S7-200 CPU214输入/输出端子地址分配图。该机械手控制系统共使用了14个输入量,6个输出量。
图 4
4、整体程序结构
机械手的整体程序结构如图5所示。若选择单操作工作方式,I0.7断开,接着执行单操作程序。(单操作程序可以独立于自动操作程序,可另行设计)。
在单周期工作方式和连续操作方式下,可执行自动操作程序。在步进工作方式,执行步进操作程序,按一下启动按钮执行一个动作,并按规定顺序进行。
在需要自动操作方式时,中间继电器M1.0接通。步进工作方式、单操作工作方式和自动操作方式,都用同样的输出继电器。


图 5
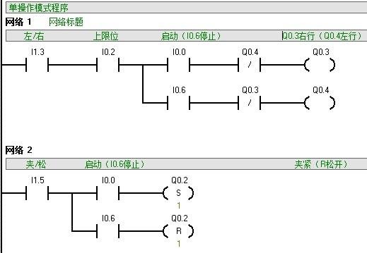
5、实现单操作工作的程序
图6是实现单操作工作的梯形图程序。为避免发生误动作,插入了些连锁电路。例如,将加载开关扳到“左右”挡,按下启动按钮,机械手向右行;按下停止按钮,机械手向左行。这两个动作只能当机械手处在上限位置时才能执行(即为安全起见,设上限安全连锁保护)。
将加载选择开关扳到“夹/松”挡,按启动按钮,执行夹紧动作;按停止按钮,松开。
将加载选择开关扳到“上下”挡,按启动按钮,下降;按停止按钮,上升。

图 6
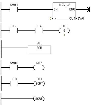
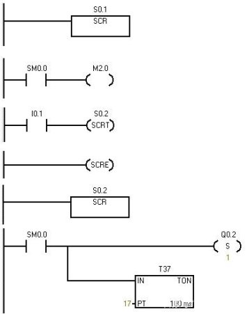
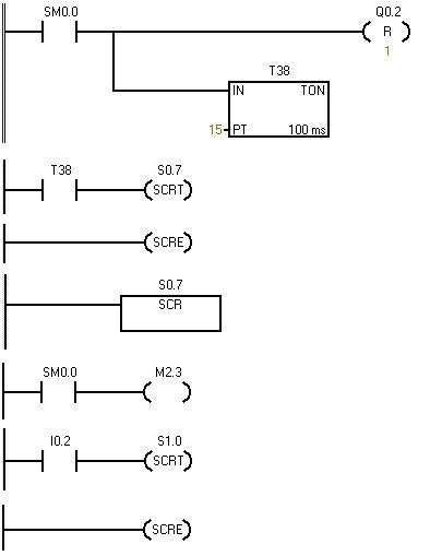
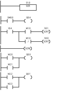
6、自动操作程序
图7是机械手自动操作流程图(或称功能图),图8是与之对应的梯形图。
图 7
在自动程序里,PLC由STOP转为RUN时,初始脉冲SM0.1对状态进行初始复位。
当机械手在原点时,将状态继电器S0.0置1,这是第一步。按下启动按钮后,置位状态继电器S0.1, 同时将原工作状态继电器S0.0清零,输出继电器Q0.0得电,Q0.5 复位,原点指示灯熄灭,执行下降动作。当下降到底碰到下限位开关时,I0.1接通,将状态继电器S0.2置1,同时将状态继电器S0.1清零,输出继电器Q0.0复位,Q0.2 置1,于是机械手停止下降,执行夹紧动作;定时器T37开始计时,延时1.7s 后,接通T37动合触点将状态继电器S0.3置1,同时将状态继电器S0.2清零,而输出继电器Q0.1得电,执行上升动作。由于Q0.2已被置1,夹紧动作继续执行。当上升到上限位时,I0.2接通,将状态继电器S0.4 置1,同时将状态继电器S0.3清零,Q0.1 失电,不再上升,而Q0.3得电,执行右行动作。当右行至右限位时,I0.3接通,Q0.3失电,机械手停止右行,若此时I0.5接通,则将状态继电器S0.5置1,同时将状态继电器S0.4清零,而Q0.0再次得电,执行下降动作,当下降到底碰到下限位开关时,I0.1接通,将状态继电器S0.6置1.同时将状态继电器S0.5清零,输出继电器Q0.0复位,Q0.2被复位,于是机械手停止下降,执行松开动作;定时器T38开始计时,延时1.5s 后,接通T38动合触点将状态继电器S0.7 置1,同时将状态继电器S0.6 清零,而输出继电器Q0.1再次得电,执行上升动作。行至上限位置,I0.2 接通,将状态继电器S1.0置1,同时将状态继电器S0.7清零,Q0.1失电,停止上升,而Q0.4得电,执行左移动作。到达左限位,I0.4接通,将状态继电器S1.0清零。如果此时为连续工作状态,M1.0置1,即将状态继电器S0.1置1,重复执行自动程序。若为单周期操作方式,状态继电器SO.0置1,则机械手停在原点。





图 8
在运行中,如按停止按钮,机械手的动作执行完当前一个周期后,回到原点自动停止。
在运行中,若PLC掉电,机械手动作停止。重新启动时,先用手动操作将机械手移回原点,再按启动按钮,便可重新开始自动操作。