浇口套-定位圈如何设计
浇口套-定位圈如何设计
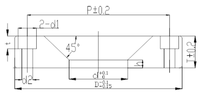
一、定位圈设计
形状及尺寸:定位圈的形状一般有二种,A型(图3-1)、B型(图3-2);A型一般用于装配B型浇口套,如图4-3所示;B型一般用于装配A型浇口套如图4-4所示
图3-1 A型定位圈

图3-2 A型定位圈
材料:45
订购规范:
A型定位圈订购标记:∮D*T-A
B型定位圈订购标记:∮D*T-B
标准尺寸系列:
型号 | D | T | d | d1 | d2 | t | p | h |
A型 | 100 | 15 | 35 | 11 | 7 | 8 | 85 | 5 |
150 | 14 | 9 | 10 | 130 | ||||
B型 | 100 | 15 | 70 | 11 | 7 | 8 | 85 | 5 |
150 | 110 | 14 | 9 | 10 | 130 |
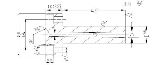
二、浇口套设计
形状及尺寸:
浇口套的形状一般有二种,B型(图4-2)、A型(图4-1)

图4-2 B型浇口套
图4-2 B型浇口套
图4-3 A型浇口套装配
图4-4 A型浇口套装配
.材料及热处理:材料T8A,淬火硬度HRC50-55
订购标记:
A型浇口套的订购标记:∮D*L*SR*P*a----A
4.4.2 B型浇口套的订购标记:∮D*L*SR*P*a---B
标准尺寸列表:
B型浇口套标准尺寸
D | d | D1 | A | D1 | SR | L |
12 | 35 | 40 | 2 3 4 | 4 5 6 | 16 21 | 60 |
16 | 60、100 | |||||
20 | 60、100 |
A型浇口套标准尺寸
D | A | d1 | SR | L |
12 | 2 3 4 | 4 5 | 16 21 | 60 |
16 | 60、100 | |||
20 | 100、130 |
服务机械行业22年 - 专业权威积淀,品牌优势传承