如何计算基点坐标【秘籍】
基点:构成零件轮廓的不同几何素线的交点或切点称为基点。例如圆弧与圆弧、圆弧与直线、直线与直线的交点
节点:当采用不具备非圆曲线插补功能的数控机床加工非圆曲线轮廓时,在加工程序的编制中,常常需要用多个直线段或圆弧段去近似地代替非圆曲线,这称为拟合,拟合线段的交点或切点称为节点。
所以你所说的节点坐标是不对的,应该是基点坐标
1.控机床上加工成形面零件时,对于简单回转体零件要通过结构图上的圆弧、圆心坐标等利用勾股定理、三角函数、平面几何等相关数学计算来得到基点坐标。

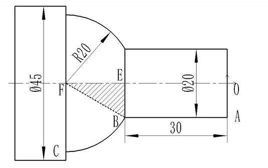
如图所示,A、B、C三个点的坐标,其中A点坐标为(20,0)B点坐标为(20,-30)
C点坐标中(40,?)所以要求C点的Z坐标。要构建如下图所示的△EFB,C点的Z坐标其实就是OF的长度,OF=OE + EF,其中OE=30,所以就求EF的长度即可。

在直角三角形△EFB内,存在这样一个关系,BF2=EF2+ EB2,即斜边的平方等于两直角边平方之和。所以EF===17.32mm,那么C点的Z标就是OF=OE + EF=30+17.32=47.32mm。
最后C点的基点坐标为(40,-47.32),看明白了,就是采用勾股定理求解,十分简单!要会构建三角形,即可。如第二个图,B点的Z坐标需要计算,就可以采用构建直角三角形,利用勾股定理求解!

构建的三角形如下图所示

在直角三角形△OBD中,B点的Z坐标就是AD=AO+OD,所以我们要求OD的长度
利用勾股定理,OD*OD=OB*OB – BD*BD,OD==22.91mm,所以B点的坐标为(20,-47.91)
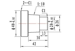
2.圆锥类的计算

例如,计算如图所示的零件图
那么利用公式C=(D-d)/L
求解外锥大端的直径

C=(D-d)/L
1/10=(D-26)/17
D=27.7mm
3.圆弧类的

记住这一点:两圆弧相切,那么连接两圆弧的圆心的连线,必经过该切点,这个切点就是我们要求的基点坐标,通常要构建三角形,如下图所示

C点坐标就是我们要求的,O1O2就是两圆心连线,那么在△CO2A内,可求出
AC的长度,那么C点的Z坐标等于=10+9.97-AC;C点的X坐标=O2B-O2A,只要在三角形△O2BO1,求出02A的长度即可。

F点的Z坐标,可在△EFO1内利用三角函数正切求解,EO1=EF*TAN(30)=17*TAN(30),即可。
D点的X、Z坐标比较麻烦,需要构建直线方程和圆弧R12的方程,该切点就是这两个方程的交点,建议不要手工编程,比较麻烦,采用电脑编程比较方便且精确,计算过程如图所示。