西门子PLC基本指令应用编程实例
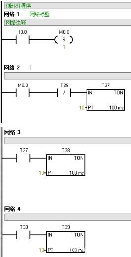
例1:循环灯程序
要求:按下启动按钮时,三只灯每隔1s轮流闪亮,并循环。按下停止I0.1时,三只灯都熄灭。
分析:此程序是简单的循环类程序,循环周期长为3s,即第1s第一只灯亮,第2s第二只灯亮,第3s第三只灯亮,第4s又变成第一只灯亮(可加N个灯),如此循环。
I/O分配如下:启动按钮,I0.0;停止按钮,I0.1;第一只灯,Q0.0;第二只灯,Q0.1;第三只灯,Q0.2。
控制程序如图1所示。

图 1
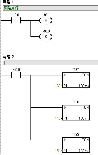
例2:多级皮带控制程序
如图2所示是一个四级传送带系统示意图。整个系统有四台电动机,控制要求如下:
(1)落料漏斗YO启动后,传送带M1应马上启动,经6s后须启动传送带M2;
(2)传送带M2启动5s后应启动传送带M3;
(3)传送带M3启动4s后应启动传送带M4;
(4)落料停止后,为了不让齐级皮带上有物料维积,应根据所需传送时间的差别,分别将四台电机停车。即落料漏斗YO断开后过6s再断M1, M1断开后再过5s断M2,M2断开4s后再断M3,M3断开3s后再断开M4。
此程序为典型的时间顺序控制。I/O分配如下:启动,I0.0; 停止,I0.1;落料YO,Q0.0;传送带M1,Q0.1;传送带M2,Q0.2;传送带M3,Q0.3;传送带M4,Q0.4。控制程序如图2-1所示,程序中M0.0控制启动过程,M0.1 控制停止过程。



图 2-1
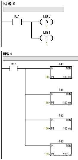
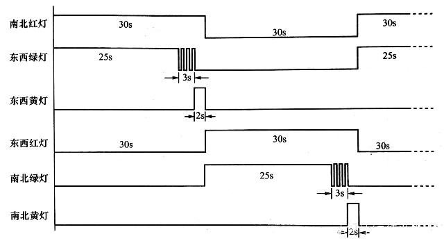
例3:编写交通信号灯控制程序
图 3
对如图3所示十字路口交通灯进行编程控制,该系统输入信号有:一个启动按钮SB1和一个停止按钮SB2。输出信号有东西向红灯、绿灯、黄灯,南北向红灯、绿灯、黄灯。控制要求:按下启动按钮,信号灯系统按图3-1的时序开始工作(绿灯闪烁的周期为1s),并能循环运行。按一下停止按钮,所有信号灯都熄灭。
图 3-1
PLC的I/O分配,I/O接线图如图3-2所示。
图 3-2
该程序是一个循环类程序, 交通灯执行一周的时间为60s,可把周期60s分成0~25s、25~ 28s、28~30s、30~55s、55~58s、 58~60s 共6段时间,在25~ 28s、55~58s段编写一个周期为1s的脉冲程序串入其中。控制程序如图3-3所示。





图 3-3
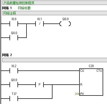
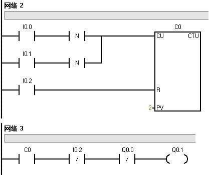
例4:产品数量检测控制程序
如图4所示,传输带传输工件,用传感器检测通过的产品数量,每通过24件产品,机械手动作一次(装箱)。机械手动作后,延时2s,机械手复位。
图 4
PLC的I/O分配:传输带启动按钮I0.0;传输带停止按钮I0.1;产品检测传感器I0.2;Q0.0接传输带运行电动机KM1;Q0.1接机械手KM2。
控制程序见图4-1所示。

图 4-1
例5:车库自动门的控制
要求:(1)当汽车开到门前时,门自动打开。当汽车通过门后,门自动关闭;(2)当开门开到上限位I0.3为ON时,门不再打开,开门结束;(3)当关门关到下限位I0.2为ON时,门不再关闭,关门结束;(4)当汽车处在检测范围入口传感器(I0.0)和出口传感器(I0.1)之间的时候,门将不再关闭。
系统I/O接线图如图5所示。
图 5
分析:当车开进时,通过I0.0信号触发电动机正转实现开门,当门开到上限位I0.3动作时,开门结束,电动机停止。当车进去后,通过I0.1的下降沿信号触发电动机反转实现关门,关到当下限位I0.2动作时,关门结束,电动机停止。当车开出时,通过I0.1的信号触发电动机正转实现开门,当门开到上限位I0.3动作时,开门结束,电动机停止。当车出来后,通过I0.0的下降沿信号触发电动机反转实现关门,关到当下限位I0.2动作时,关门结束,电动机停止。
控制程序如图5-1所示,通过数脉冲次数的方法来设计程序。关门条件是I0.0和I0.1产生的第二个下降沿来触发。

图 5-1