西门子s7200PLC编程实例解析
1、起保停控制电路
控制要求:按下起动按钮(I0.0为ON),Q0.0为ON;按下停止按钮(I0.1为OFF),Q0.0为OFF。梯形图见图1。

2、互锁控制电路
在如图2所示的互锁电路中,I0.0 I0.1是启动按钮,I0.2是停止按钮。
在图2(a)中,Q0.0和Q0.1通过输出进行互锁,一个得电,另一个必须在停止前一个的基础上才能启动,即只能是先停后启。

在图62(b)中,启动和输出双重互锁。

3、多地控制电路
图3所示是一个多地控制电路梯形图。I0.0、I0.1、I0.2是多地启动按钮,I0.3、I0.4、I0.5是多地停止按钮。

4、顺序控制电路
比如有3台电动机,按启动按钮I0.0,3台电动机Q0.0、Q0.1、Q0.2依次启动;按停止按钮I0.1,3台电动机Q0. 0\Q0.1、Q0.2依次反向停止。这个程序在诸如皮带机控制等顺序控制机械中应用广泛。顺序控制梯形图如图4所示。

在图中,启动时,I0. 0为ON,用通电延时时间继电器T37通过比较指令来依次启动电动机,当T37的当前值等于100时,即定时10 s时,启动Q0.1,20 s时,启动Q0.2。停止时,I0.1为ON,用断电延时时间继电器T38通过比较指令来依次反向停止电动机。
5、二分频电路
二分频电路也叫单按钮电路。在许多控制场合,需要对控制信号进行分频,有时为了节省一个输人点,也需要采用此种电路。
图5是实现二分频运行时序控制的两种梯形图。

在图5(a)中,10.0第一一个脉冲到来时,PC第一次扫描 ,MO.0为ON ,Q0.0为ON ,第二次扫描,00.0自锁;10.0第二个脉冲到来时,PC第一次扫描,MO.0 为ON ,MO.1为ON,Q0.0断开,第二次扫描,M0.0断开,Q0.0保持断开;依次类推。

图5b前面梯形图的原理差不多,不再作说明。
此电路多用于一个按钮控制一盏灯的两种状态。I0.0下面可并联多个输入按钮,就可实现多个开关控制一盏灯。
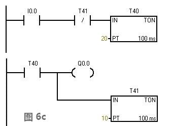
6、 闪烁电路
闪烁电路也称为振荡电路。闪烁电路实际上就是一个时钟电路 ,它可以是等间隔的通断,也可以是不等间隔的通断。
在实际的程序设计中,如果电路中用到闪烁功能,往往直接用两个定时器或一个定时器组成闪烁电路。

图6a是一个简易的闪烁电路控制梯形图,它适用于控制精度不高的场合。图6b和c是两个常用的闪烁电路控制梯形图。

这个电路不管其他信号如何,I0.0一通电,它就开始工作,通断的时间值可以根据需要任意设定。图6b为 一个通2s、断1 s的闪烁电路控制梯形图。

图6c为 一个断2s、通1 s的闪烁电路控制梯形图。
熟悉上面的控制图,定时器的使用会有很大的提高。