(内六角_外六角_四方头)螺塞标准规格尺寸表【免下载】
(内六角_外六角_四方头)螺塞标准规格尺寸表【免下载】
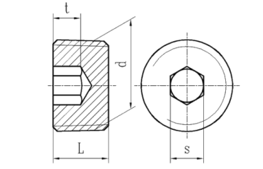
无头内六角螺塞标准:
JB /ZQ 4447-2006 60°密封管螺纹内六角螺塞

JB /ZQ 4446-2006 55°密封管螺纹内六角螺塞

JB /ZQ 4179-2006 55°非密封管螺纹内六角螺塞

JB /T 8037-1999 螺塞
DIN 906-2012 内六角套筒管塞. 锥形螺纹


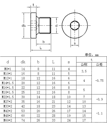
圆柱头螺塞标准:
JB /ZQ 4452-2006 圆柱头螺塞

JB 1001-1977 内六角圆柱头喉塞

JB /ZQ 4444-2006 内六角螺塞(PN31.5)

DIN 908-2012 内六角圆柱头喉塞



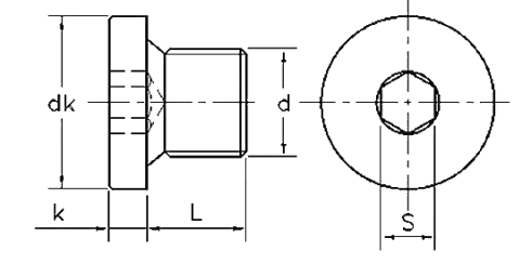
外六角螺塞标准:
JB /ZQ 4450-2006 外六角螺塞

JB /T 1760-1991 六角螺塞
JB /T 1000-1977 外六角螺塞
JB /ZQ 4451-2006 55°非密封管螺纹外六角螺塞(PN16)

JB /ZQ 4453-2006 高压螺塞

DIN 909-2012 六角头螺塞

DIN 910-2012 带肩的外六角螺旋塞.重载圆柱螺纹 (L型)

四方头螺塞标准:
QC /T 379-2013 方头锥形螺塞

Q 614B 方头锥形螺塞

Q 614 方头锥形螺塞NPT螺纹
DIN 910-2012 带肩的外六角螺旋塞.重载圆柱螺纹 (标准型)

服务机械行业22年 - 专业权威积淀,品牌优势传承